Запчасти John Deere 70CLC 248 - SEVERE DUTY CAST LIP BUCKET (SEE FOOTNOTE) 3302 BUCKET WITH TEETH

Схема запчастей John Deere 70CLC - 248 - SEVERE DUTY CAST LIP BUCKET (SEE FOOTNOTE) 3302 BUCKET WITH TEETH
FIT
1:1
100%

Артикул

Название

Примечание

Количество

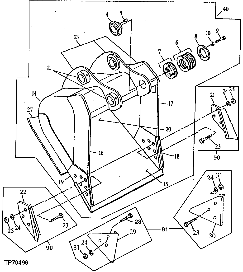
4

AT131084

Bushing

1шт.

5

R48685

Dowel Pin

1шт.

6

TH102460

Washer

1 MM

6шт.

7

TH102461

Shim

2шт.

8

Plate

( TH102463 NLA)

1шт.

9

19H2706

Cap Screw

5/8" X 2"

3шт.

10

12H294

Lock Washer

5/8"

3шт.

11

TH102409

Bushing

2шт.

13

C603692

Pivot

(F) Bucket Ear Blank Assembly

1шт.

14

300804

Plate

(F) (RH/LH)

2шт.

15

AT171742

Cutting Edge

(F) (CTL) Use With 36 in. Bucket ( SUB FOR AT131092, THIS APPLICATION)

1шт.

Cutting Edge

(F) ( AT131094 NLA) (CTL) Use Wit h 42 in. Bucket (SUB FOR AT131093)

1шт.

16

300526

Vertical Cutter

(F) (UPPER RH)

1шт.

17

300527

Vertical Cutter

(F) (UPPER LH)

1шт.

18

300803

Vertical Cutter

(F) (LH)

1шт.

19

300802

Vertical Cutter

(F) (RH)

1шт.

20

600444

Moldboard

(F) (36 INCH)

1шт.

600445

Moldboard

(F) (42 INCH)

1шт.

21

Cutting Edge

(SUB AT131085)

1шт.

22

Cutting Edge

(SUB AT131085)

1шт.

23

09H1771

Bolt

7/8" X 3"

6шт.

24

12H245

Lock Washer

7/8"

6шт.

25

14H1077

Nut

7/8"

6шт.

27

606121

Bar

(F) (36 INCH) Wear

1шт.

606122

Bar

(F) (42 INCH) Wear

1шт.

29

Shroud

Wear (SUB AT167876)

1шт.

30

Shroud

Wear (SUB AT167876)

1шт.

31

14H1044

Nut

7/8"

6шт.

40

Excavator Bucket

(A) ( AT171743 NLA) (36 INCH/ 1.16 CUBIC YARD) (WHOLE GOODS) (SUB FOR AT131044 OR AT163642)

1шт.

Excavator Bucket

(A) ( AT171745 NLA) (42 INCH/ 1.38 CUBIC YARD) (WHOLE GOODS) (SUB FOR AT131045 OR AT163643)

1шт.

90

Kit

( AT131085 NLA) Side Cutter Kit

1шт.

91

Kit

( AT167876 NLA) Edge Protector

1шт.

Выбрано товаров: 32