Запчасти John Deere 70CLC 249 - SEVERE DUTY PLATE LIP BUCKET (SEE FOOTNOTE) 3302 BUCKET WITH TEETH

Схема запчастей John Deere 70CLC - 249 - SEVERE DUTY PLATE LIP BUCKET (SEE FOOTNOTE) 3302 BUCKET WITH TEETH
FIT
1:1
100%

Артикул

Название

Примечание

Количество

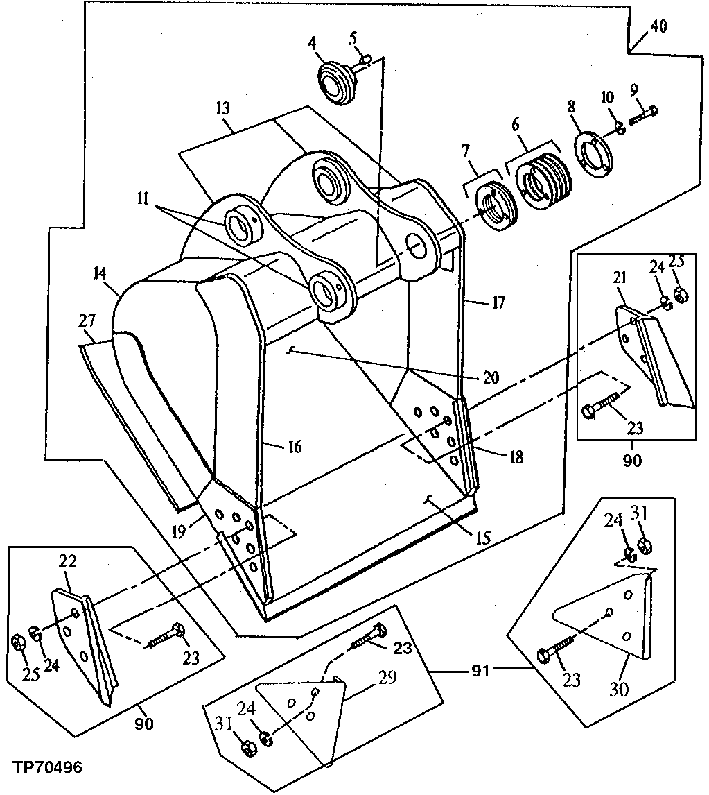
4

AT131084

Bushing

1шт.

5

R48685

Dowel Pin

1шт.

6

TH102460

Washer

1 MM

6шт.

7

TH102461

Shim

2шт.

8

Plate

( TH102463 NLA)

1шт.

9

19H2706

Cap Screw

5/8" X 2"

3шт.

10

12H294

Lock Washer

5/8"

3шт.

11

TH102409

Bushing

2шт.

13

C603692

Pivot

(F) Bucket Ear Blank Assembly

1шт.

14

304371

Plate

(F) (RH/LH)

2шт.

15

AT131097

Dura-Max Cutting Edge

(CTL)

1шт.

16

304368

Vertical Cutter

(F) (UPPER RH)

1шт.

17

304367

Vertical Cutter

(F) (UPPER LH)

1шт.

18

304369

Vertical Cutter

(F) (LH)

1шт.

19

304370

Vertical Cutter

(F) (RH)

1шт.

20

603868

Moldboard

(F) (30 INCH)

1шт.

603869

Moldboard

(F) (36 INCH)

1шт.

603870

Moldboard

(F) (42 INCH)

1шт.

21

Cutting Edge

(SUB AT131085)

1шт.

22

Cutting Edge

(SUB AT131085)

1шт.

23

09H1771

Bolt

7/8" X 3"

6шт.

24

12H245

Lock Washer

7/8"

6шт.

25

14H1077

Nut

7/8"

6шт.

27

603873

Bar

(F) (30 INCH) Wear

1шт.

603874

Bar

(F) (36 INCH) Wear

1шт.

603875

Bar

(F) (42 INCH) Wear

1шт.

29

Shroud

Wear (SUB AT167876)

1шт.

30

Shroud

Wear (SUB AT167876)

1шт.

31

14H1044

Nut

7/8"

6шт.

40

Excavator Bucket

(A) ( AT163645 NLA) (30 INCH/0.95 CUBIC YARD) (WHOLE GOODS) (SUB AT332 714 ) (SUB FOR AT131046 OR AT131166)

1шт.

Excavator Bucket

(A) ( AT163646 NLA) (36 INCH/1.16 CUBIC YARD) (WHOLE GOODS) (SUB AT332 715 ) (SUB FOR AT131047 OR AT131167)

1шт.

Excavator Bucket

(A) ( AT163647 NLA) (42 INCH/1.38 CUBIC YARD) (WHOLE GOODS) (SUB AT332 716 ) (SUB FOR AT131048 OR AT131168)

1шт.

90

Kit

( AT131085 NLA) Side Cutter Kit

1шт.

91

Kit

( AT167876 NLA) Edge Protector

1шт.

Выбрано товаров: 34