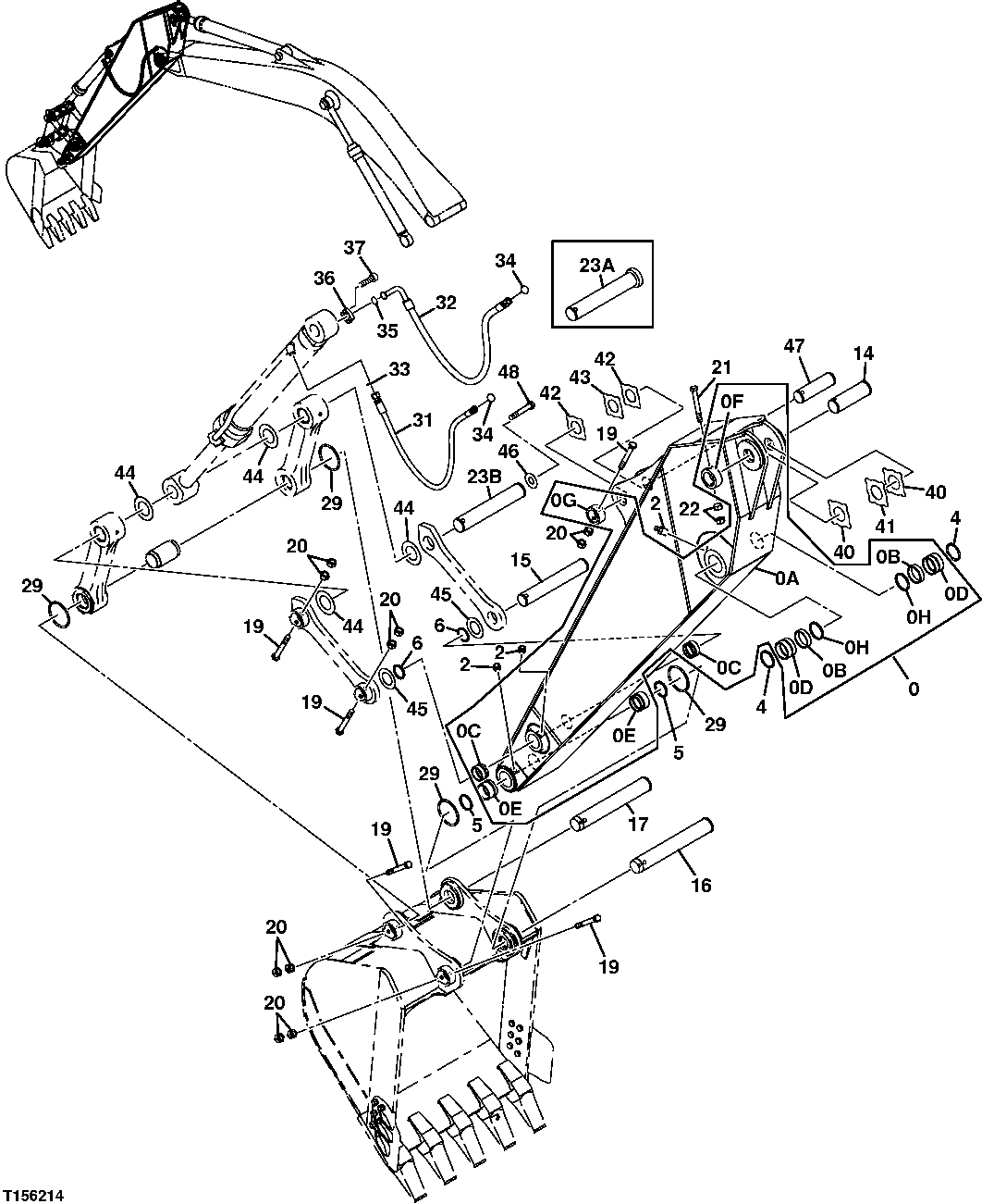
Запчасти John Deere 70CLC 278 - SHORT ARM 2.4M 3340 EXCAVATOR FRAMES

Схема запчастей John Deere 70CLC - 278 - SHORT ARM 2.4M 3340 EXCAVATOR FRAMES
FIT
1:1
100%

Артикул

Название

Примечание

Количество

0

7039810

Arm

(SUB FOR TH7039810)

1шт.

0A

Arm

(SUB FOR TH5007522)( 5007522 NLA)

1шт.

0B

4381983

Bushing

(SUB FOR TH4381983)

2шт.

0C

4434036

Bushing

2шт.

0D

4443883

Bushing

2шт.

0E

4443880

Bushing

2шт.

0F

4434956

Stop

(SUB FOR TH4434956)

1шт.

0G

4434953

Stop

(SUB FOR TH4434953)

1шт.

0H

TH102411

Seal

2шт.

0I

8079590

Boss

Replacement Arm End Parts Not Illustrated

1шт.

2

TH100074

Lubrication Fitting

6шт.

4

TH102411

Seal

2шт.

5

TH102445

Seal

2шт.

6

TH102446

Seal

2шт.

14

3088751

Pin

(SUB FOR TH3088751)

1шт.

15

3090168

Pin Fastener

(SUB FOR TH3090168)

1шт.

16

3090166

Pin Fastener

(SUB FOR TH3090166)

1шт.

17

3090167

Pin Fastener

(SUB FOR TH3090167)

1шт.

19

4435126

Pin Fastener

(SUB FOR TH4435126)

5шт.

20

14M7277

Nut

M20

10шт.

21

4435128

Pin Fastener

(SUB FOR TH4435128)

1шт.

22

R114125

Nut

(SUB FOR THJ950022 OR J950022)

2шт.

23A

DH300121

Pin

(SUB FOR AT205820 ) (SUB AT19 6434 AND T138902 AND 19M7608)

1шт.

23B

AT196434

Pin Fastener

(SUB FOR AT205820, DH300121)

1шт.

29

4089028

O-Ring

(STANDARD O-RING)

4шт.

AT349466

Seal

(SPLIT O-RING)

4шт.

T397473

V-Ring Seal

V O-Ring

4шт.

31

4382025

Hydraulic Hose

(SUB FOR TH4382025)

1шт.

32

4382024

Hose

(SUB FOR TH4382024)

1шт.

33

T77858

O-Ring

1шт.

34

T76938

O-Ring

2шт.

35

T78313

O-Ring

1шт.

36

4085560

Flange Fitting

(SUB FOR TH101960)

2шт.

37

19M9163

Screw

M12 X 40 (SUB FOR J781240)

4шт.

40

4470743

Thrust Washer

(SUB FOR 4444284)

2шт.

41

4444285

Thrust Washer

(SUB FOR TH4444285)

1шт.

42

4444286

Thrust Washer

(SUB FOR TH4444286)

2шт.

43

4444287

Thrust Washer

(SUB FOR TH4444287)

1шт.

44

4476062

Thrust Washer

(SUB FOR 4450013)

4шт.

45

4450012

Thrust Washer

(SUB FOR TH4450012)

2шт.

46

T138902

Bushing

(USE WITH AT196434)

1шт.

47

AT217742

Pin

1шт.

48

19M8029

Cap Screw

M16 X 30 (SUB FOR 19M76 08 ) (USE WITH AT196434)

1шт.

Выбрано товаров: 43