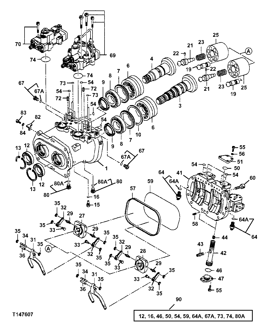
Запчасти John Deere 70CLC 311 - Main Hydraulic Pump Housing, Disk, Rotors, Head And Regulators 3361 Hydraulic Pump

Схема запчастей John Deere 70CLC - 311 - Main Hydraulic Pump Housing, Disk, Rotors, Head And Regulators 3361 Hydraulic Pump
FIT
1:1
100%

Артикул

Название

Примечание

Количество

34

4179176

Dowel Pin

6 X 44 mm (0.236" X 1. 732") SUB FOR TH109876

2шт.

35

CH17951

Ring

12шт.

36

4200227

Dowel Pin

SUB FOR TH109878

2шт.

41

1027131

Cylinder Head

SUB FOR TH1027131

1шт.

42

3069541

Piston

SUB FOR AT213762

2шт.

43

4338053

Pin

SUB FOR AT213876

2шт.

44

4337812

Set Screw

SUB FOR AT213875

2шт.

46

4355085

O-Ring

SUB FOR AT213975

2шт.

47

4338060

Stop

SUB FOR AT213877

2шт.

50

4355083

O-Ring

SUB FOR AT213974 OR 0444001

2шт.

51

4338061

Cover

SUB FOR AT213878

2шт.

54

CH11560

Packing

20шт.

55

19M8439

Screw

M8 X 25

16шт.

56

4514388

Spring Washer

SUB FOR TH101835

8шт.

57

3070581

Packing

SUB FOR AT213767

1шт.

58

34M7061

Spring Pin

8 X 20 mm

2шт.

59

4342840

O-Ring

SUB FOR AT213890

1шт.

60

19M8341

Screw

M12 X 45

12шт.

64

P69051

Sensor

Pump Pressure SUB FOR AT175981

2шт.

64A

TH102560

O-Ring

15.800 X 2.400 mm (0.622" X 3/32") SUB FOR AT175984

1шт.

67

9134110

Fitting

SUB FOR AT203649

2шт.

67A

M800650

Packing

1шт.

69

9207260

Regulator

SUB FOR TH9207260

1шт.

70

9207261

Regulator

SUB FOR TH9207261

1шт.

72

34M3845

Spring Pin

4 X 10 mm

4шт.

73

4343074

O-Ring

SUB FOR AT213894

4шт.

74

4348665

O-Ring

SUB FOR AT213922

2шт.

80

9134111

Fitting

SUB FOR AT203648

2шт.

80A

CH11570

O-Ring

13.800 X 2.400 mm (0.543" X 3/32")

1шт.

82

4252767

Bracket

SUB FOR AT154206

1шт.

83

0209423

Bolt

SUB FOR TH100738

1шт.

84

Washer

12M7065 NLA

1шт.

90

4451039

Seal Kit

SUB FOR TH4451039

1шт.

Выбрано товаров: 33