Запчасти John Deere 70CLC 334 - PILOT HYDRAULIC HOSES, OIL LINES AND FILTER 3363 Lines, Hoses & Fittings

Схема запчастей John Deere 70CLC - 334 - PILOT HYDRAULIC HOSES, OIL LINES AND FILTER 3363 Lines, Hoses & Fittings
FIT
1:1
100%

Артикул

Название

Примечание

Количество

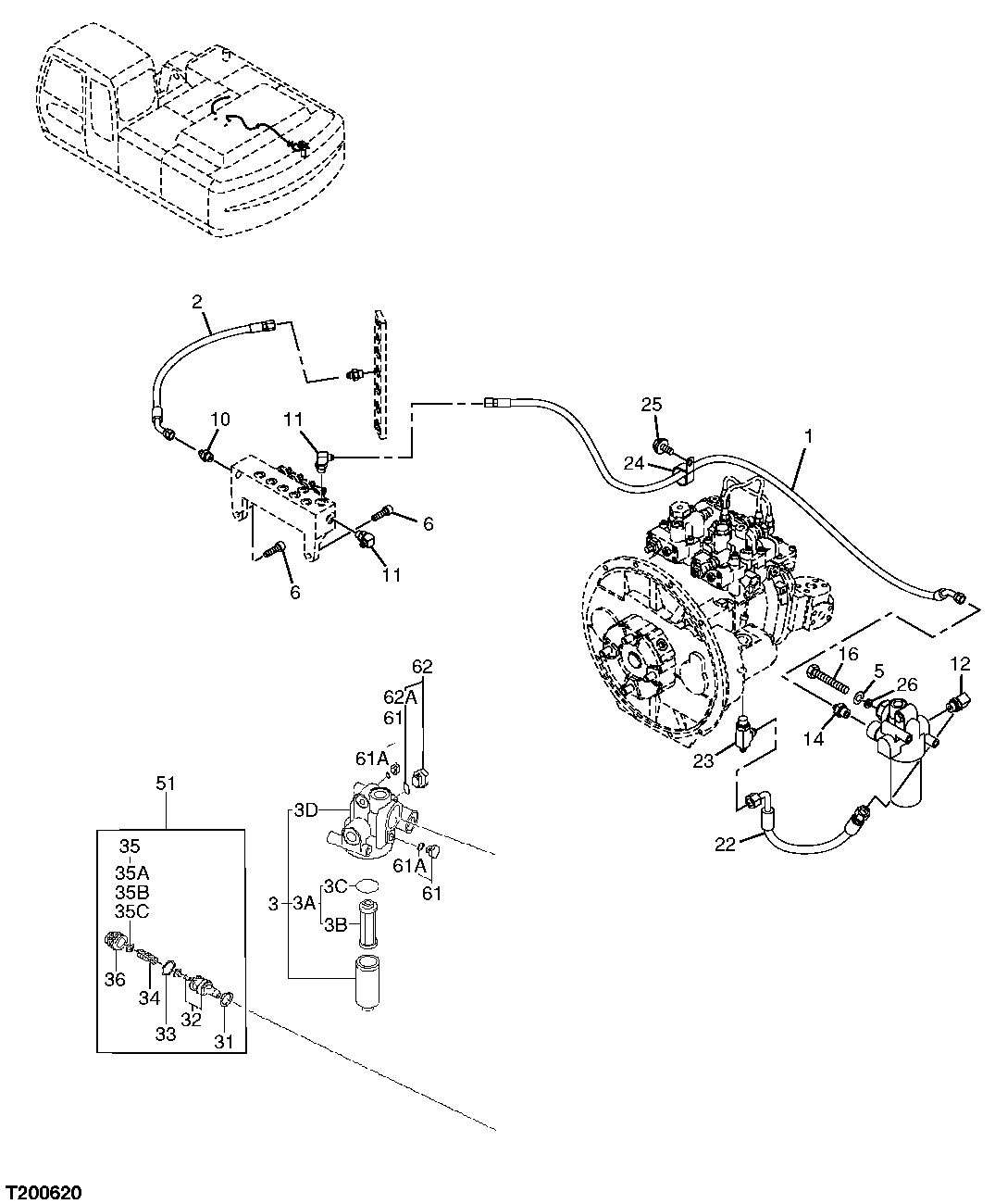
1

4437930

Hydraulic Hose

(SUB FOR TH4437930)

1шт.

2

4437934

Hydraulic Hose

(SUB FOR TH4437934)

1шт.

3

4611025

Oil Filter

(SUB FOR 4408959)

1шт.

3A

AT186554

Filter Element

(SUB FOR 4370435 OR AT214263)

1шт.

3B

Filter Element

( 4191301 NLA)

1шт.

3C

TH105683

O-Ring

(SUB FOR A811060, 415353 8, TH0430809 OR 0430809)

1шт.

3D

4472430

Pressure Relief Valve

1шт.

5

12M7066

Lock Washer

10 mm

2шт.

6

19M7576

Screw

M10 X 30 (SUB FOR J781030)

2шт.

10

A852133

Adapter Fitting

(SUB FOR P67978)

1шт.

CH11570

O-Ring

1шт.

11

P67989

Elbow Fitting

2шт.

CH11570

O-Ring

1шт.

12

A852344

Elbow Fitting

1шт.

4506418

O-Ring

1шт.

14

A852143

Adapter Fitting

(SUB FOR THA852143)

1шт.

4506418

O-Ring

1шт.

16

19M8166

Cap Screw

M10 X 110

2шт.

22

4450081

Hydraulic Hose

(SUB FOR TH4450081)

1шт.

23

4445981

Tee Fitting

(SUB FOR P68010)

1шт.

4506418

O-Ring

1шт.

24

XCL-29

Hose Clamp

(SUB FOR TH110522 OR 4193848)

1шт.

25

19M7402

Cap Screw

M10 X 25

1шт.

26

24M7028

Washer

10.500 X 20 X 2 mm (SUB FOR A590110)

1шт.

31

4487648

Gasket

(SUB FOR 0308704)

1шт.

32

0308703

Pressure Relief Valve

1шт.

33

0308705

O-Ring

1шт.

34

Spring

1шт.

35

9228867

Shim

(SUB FOR 4293211)

1шт.

35A

4606473

Shim

(SUB FOR 4309836)

2шт.

35B

4487297

Shim

(SUB FOR 4309837)

2шт.

35C

Shim

( 4309838 NLA)

2шт.

35D

4601120

Shim

2шт.

36

0308709

Fitting Plug

1шт.

51

0709701

Pressure Relief Valve

1шт.

61

4174541

Fitting

2шт.

61A

M800650

Packing

1шт.

62

A885002

Plug

1шт.

62A

4506418

O-Ring

1шт.

Выбрано товаров: 39