Запчасти John Deere 70CLC 337 - RETURN HYDRAULIC LINES 3363 Lines, Hoses & Fittings

Схема запчастей John Deere 70CLC - 337 - RETURN HYDRAULIC LINES 3363 Lines, Hoses & Fittings
FIT
1:1
100%

Артикул

Название

Примечание

Количество

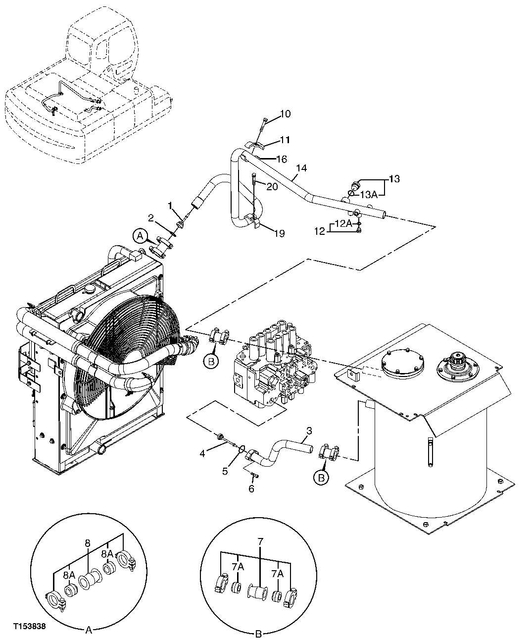
1

4276584

Flow Control Hyd. Valve

1шт.

2

40M7225

Snap Ring

SUB FOR 40M1861

1шт.

3

8079530

Line

1шт.

4

4484198

Valve

SUB FOR 4272164, THIS APPLICATION

1шт.

5

A811040

O-Ring

1шт.

6

L159272

Screw

SUB FOR J781040

2шт.

7

4069801

Coupling

SUB FOR 4712341 AND 4196259

2шт.

7A

4196259

Seal

NLA, ORDER 4069801

2шт.

8

4067834

Coupling

1шт.

8A

4196260

Seal

NLA, ORDER 4067834

2шт.

10

19M7753

Cap Screw

M12 X 70

3шт.

11

4053696

Clamp

2шт.

12

A885003

Pipe Plug

2шт.

12A

CH11570

O-Ring

1шт.

13

A885008

Pipe Plug

SUB FOR 4113926 AND AT126200

1шт.

13A

TH101926

O-Ring

1шт.

14

7041467

Line

1шт.

DH700033

Line

1шт.

16

9756186

Clamp

2шт.

19

4053698

Clamp

1шт.

20

19M8348

Cap Screw

M12 X 65

1шт.

12H301

Lock Washer

1/2"

1шт.

Выбрано товаров: 22