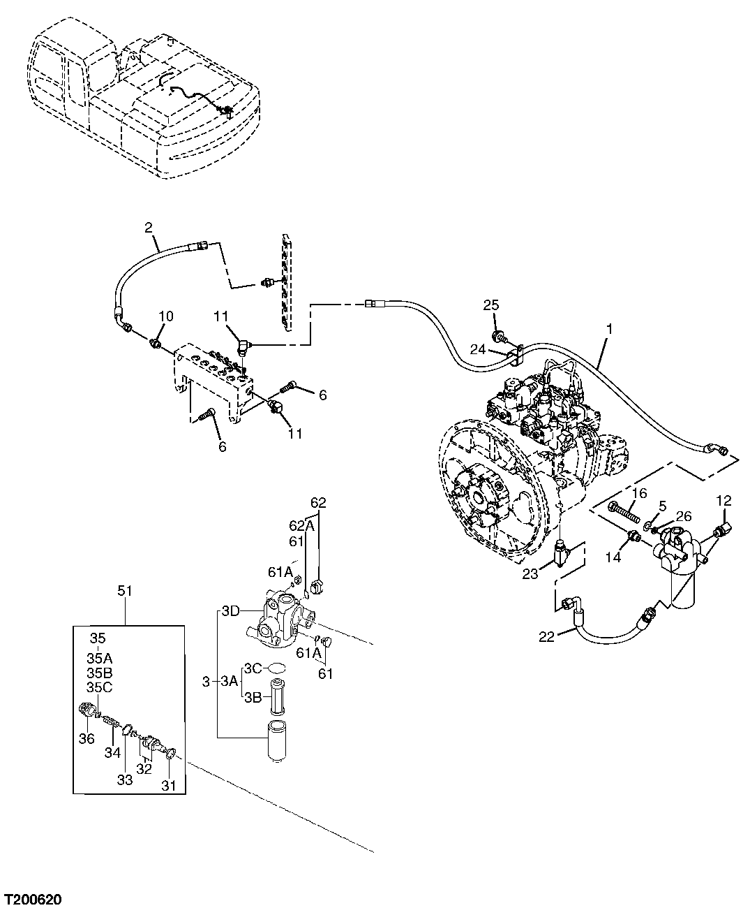
Запчасти John Deere 70CLC 348 - PILOT HYDRAULIC HOSES, OIL LINES AND FILTER 3363 Lines, Hoses & Fittings

Схема запчастей John Deere 70CLC - 348 - PILOT HYDRAULIC HOSES, OIL LINES AND FILTER 3363 Lines, Hoses & Fittings
FIT
1:1
100%

Артикул

Название

Примечание

Количество

1

4437930

Hydraulic Hose

SUB FOR TH4437930

1шт.

2

4437934

Hydraulic Hose

SUB FOR TH4437934

1шт.

3

4611025

Oil Filter

SUB FOR 4408959

1шт.

3A

AT186554

Filter Element

SUB FOR 4370435 OR AT214263

1шт.

3B

Filter Element

SUB AT186554, 4191301 NLA

1шт.

3C

TH105683

O-Ring

SUB FOR A811060, 415353 8, TH0430809 OR 0430809

1шт.

3D

4472430

Pressure Relief Valve

1шт.

5

12M7066

Lock Washer

10 mm

2шт.

6

19M7576

Screw

M10 X 30 SUB FOR J781030

2шт.

10

A852133

Adapter Fitting

SUB FOR P67978

1шт.

CH11570

O-Ring

1шт.

11

P67989

Elbow Fitting

2шт.

CH11570

O-Ring

1шт.

12

A852344

Elbow Fitting

1шт.

4506418

O-Ring

1шт.

14

A852143

Adapter Fitting

SUB FOR THA852143

1шт.

4506418

O-Ring

1шт.

16

19M8166

Cap Screw

M10 X 110

2шт.

22

4450081

Hydraulic Hose

SUB FOR TH4450081

1шт.

23

4445981

Tee Fitting

SUB FOR P68010

1шт.

4506418

O-Ring

1шт.

24

XCL-29

Hose Clamp

SUB FOR TH110522 OR 4193848

1шт.

25

19M7402

Cap Screw

M10 X 25

1шт.

26

24M7028

Washer

10.500 X 20 X 2 mm SUB FOR A590110

1шт.

31

4487648

Gasket

SUB FOR 0308704

1шт.

32

0308703

Pressure Relief Valve

1шт.

33

4487138

O-Ring

SUB FOR 0308705

1шт.

34

Spring

1шт.

35

9228867

Shim

SUB FOR 4293211

1шт.

35A

4606473

Shim

SUB FOR 4309836

2шт.

35B

4487297

Shim

SUB FOR 4309837

2шт.

35C

Shim

4309838 NLA

2шт.

35D

4601120

Shim

2шт.

36

0308709

Fitting Plug

1шт.

51

0709701

Pressure Relief Valve

1шт.

61

4174541

Fitting

2шт.

61A

M800650

Packing

1шт.

62

A885002

Plug

1шт.

62A

4506418

O-Ring

1шт.

Выбрано товаров: 0