Запчасти John Deere 70CLC 360 - PILOT HYDRAULIC LINES (SN -XXXXXX) 3363 Lines, Hoses & Fittings

Схема запчастей John Deere 70CLC - 360 - PILOT HYDRAULIC LINES (SN -XXXXXX) 3363 Lines, Hoses & Fittings
FIT
1:1
100%

Артикул

Название

Примечание

Количество

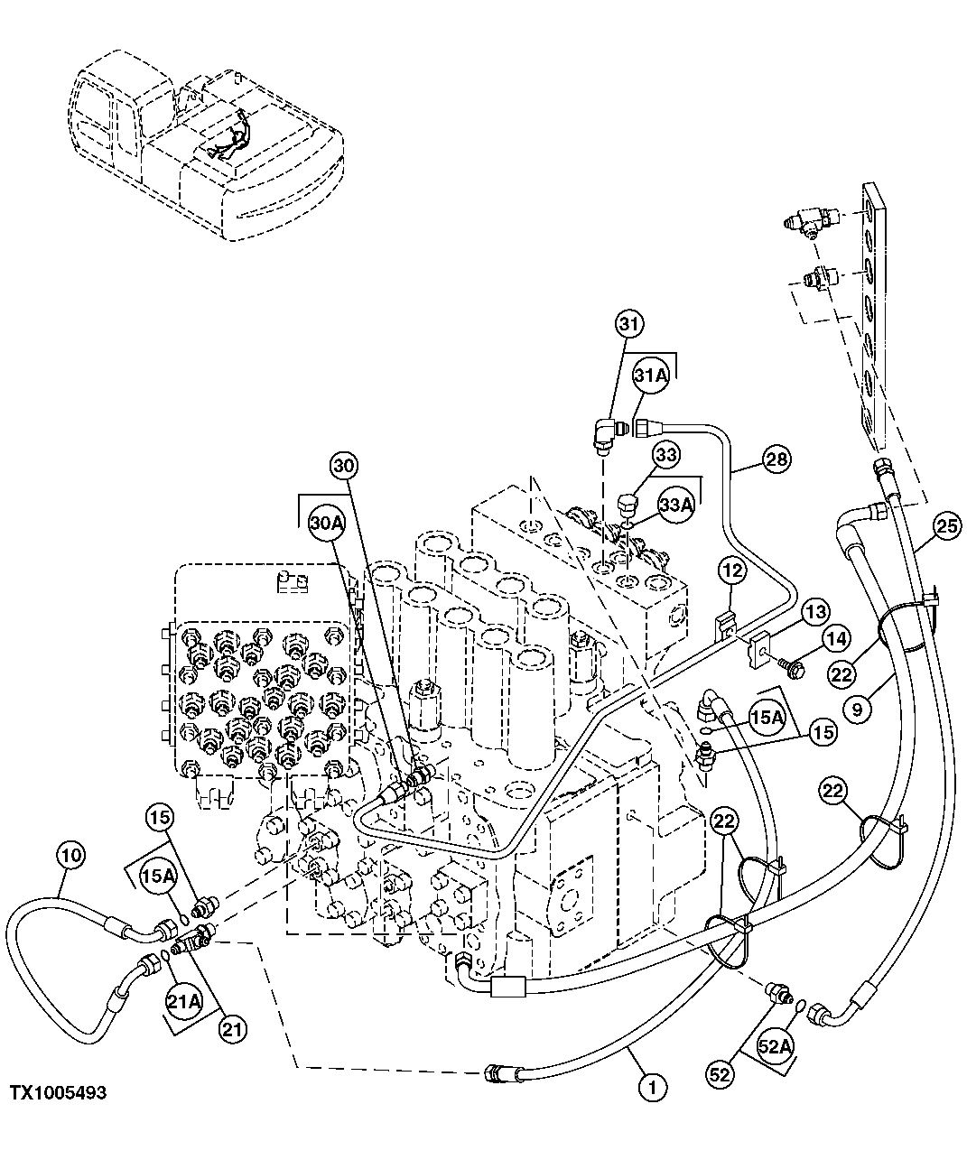
1

4427127

Hydraulic Hose

4468525 NA

1шт.

4327315

Hose Guard

4327293 NLA

1шт.

9

4437950

Hydraulic Hose

SUB FOR TH4437950

1шт.

4327315

Hose Guard

4327293 NLA

1шт.

10

4427351

Hydraulic Hose

SUB FOR TH4427351

1шт.

12

9735305

Clamp

SUB FOR AP33637

1шт.

13

9735306

Clamp

SUB FOR AP33638

1шт.

14

19M7163

Cap Screw

M8 X 25

1шт.

15

A852122

Adapter Fitting

SUB FOR P67968

3шт.

15A

M800650

Packing

1шт.

21

A852422

Tee Fitting

SUB FOR THA852422

1шт.

21A

M800650

Packing

1шт.

22

H77698

Tie Band

4шт.

25

4444735

Hydraulic Hose

SUB FOR TH4444735

1шт.

28

3091686

Oil Line

SUB FOR TH3091686

1шт.

30

4255304

Fitting

SUB FOR AT155270

1шт.

M800650

Packing

1шт.

30A

M800650

Packing

1шт.

31

4293950

Fitting

SUB FOR AT160584

1шт.

M800650

Packing

1шт.

31A

M800650

Packing

1шт.

33

A885002

Plug

SUB FOR THA885002

2шт.

33A

M800650

Packing

1шт.

52

4200465

Adapter Fitting

SUB FOR TH108328

1шт.

52A

M800650

Packing

1шт.

Выбрано товаров: 0