Запчасти John Deere 70CLC 362 - PILOT HYDRAULIC LINES 3363 Lines, Hoses & Fittings

Схема запчастей John Deere 70CLC - 362 - PILOT HYDRAULIC LINES 3363 Lines, Hoses & Fittings
FIT
1:1
100%

Артикул

Название

Примечание

Количество

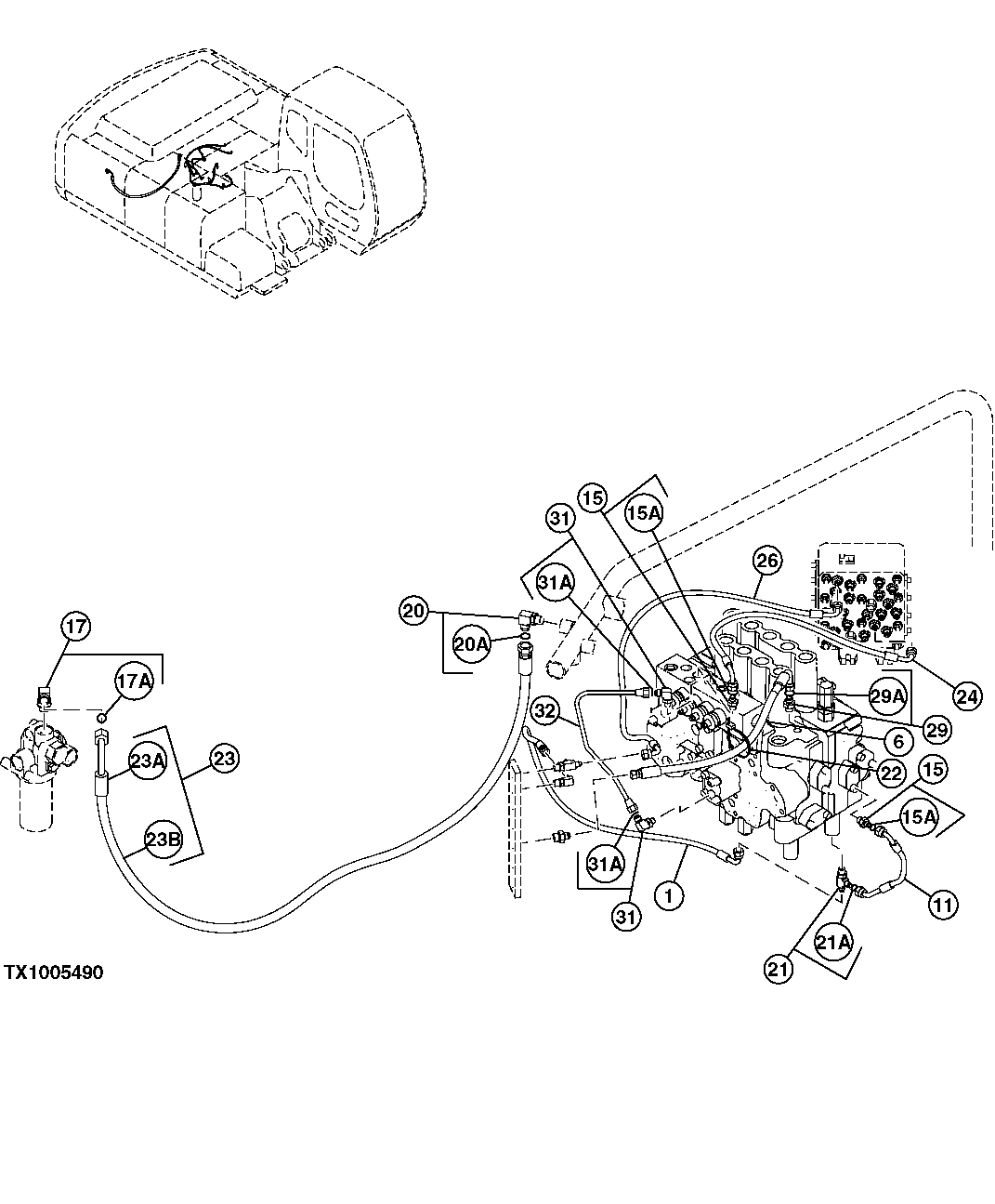
1

4437943

Hydraulic Hose

SUB FOR TH4437943

1шт.

6

Hose

9198870 NLA

1шт.

4437944

Hydraulic Hose

1шт.

4327315

Hose Guard

4327293 NLA

1шт.

11

4427357

Hydraulic Hose

SUB FOR TH4427357

1шт.

15

A852122

Adapter Fitting

2шт.

15A

M800650

Packing

2шт.

17

A852344

Elbow Fitting

1шт.

17A

4506418

O-Ring

1шт.

20

A852334

Elbow Fitting

SUB FOR THA852334

1шт.

20A

CH11570

O-Ring

1шт.

21

A852422

Tee Fitting

1шт.

21A

M800650

Packing

1шт.

22

H77698

Tie Band

1шт.

23

Hydraulic Hose

TH9191786 NLA

1шт.

23A

4331726

Hose

SUB FOR TH4331726

1шт.

23B

4327315

Hose Guard

4327293 NLA SUB FOR AT213831

3шт.

24

4442812

Hydraulic Hose

SUB FOR TH4442812

1шт.

26

4444461

Hydraulic Hose

SUB FOR TH4444461

1шт.

29

A852133

Adapter Fitting

SUB FOR P67978

1шт.

29A

CH11570

O-Ring

1шт.

31

4293950

Fitting

2шт.

31A

M800650

Packing

1шт.

32

4632041

Hydraulic Hose

ALSO ORDER (2) A852122, 4452054 NLA

1шт.

33

A852122

Adapter Fitting

INCLUDES 957366

2шт.

957366

O-Ring

1шт.

Выбрано товаров: 26