Запчасти John Deere 70CLC 385 - Swing Oil Motor Components (XXXXXX - ) 4367 MOTORS

Схема запчастей John Deere 70CLC - 385 - Swing Oil Motor Components (XXXXXX - ) 4367 MOTORS
FIT
1:1
100%

Артикул

Название

Примечание

Количество

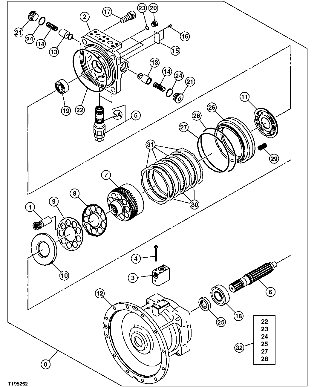
0

4484557

Hydraulic Motor

No Serial No. Recorded Production Overlap Be tween Two Manufacturers NLA, ORDER 4484557EX

1шт.

4484557EX

Hydraulic Motor Reman

REMAN FOR 4484557

1шт.

1

0816201

Piston

Package of 9

1шт.

2

0816202

Case

1шт.

3

0960201

Valve

1шт.

4

0384401

Screw

3шт.

0218824

Screw

3шт.

5

4631105

Pressure Relief Valve

SUB FOR 0872301

2шт.

5A

A811030

O-Ring

2шт.

6

0816205

Shaft

1шт.

7

0816206

Cylinder

1шт.

8

0816207

Spring

1шт.

9

0816208

Retainer

1шт.

10

0816209

Plate

1шт.

11

0816210

Plate

1шт.

12

Case

0816211 NLA

1шт.

13

0803007

Plunger

2шт.

14

0803008

Spring

2шт.

15

Identification Plate

0625508 NLA

1шт.

16

0625509

Cap Screw

2шт.

17

0365318

Screw

4шт.

18

0816212

Cylindrical Roller Bearing

1шт.

19

0872302

Tapered Roller Bearing

1шт.

20

0629404

Fitting Plug

2шт.

21

0803009

Pipe Plug

2шт.

22

4323631

O-Ring

SUB FOR 0401202, 4S00205, AT132 162, 0125431, 4S01096 OR 4S00614

1шт.

23

M800650

Packing

SUB FOR 957366

2шт.

24

AT264348

O-Ring

SUB FOR 984614

2шт.

25

0353318

Seal

SUB FOR 4S00822

1шт.

26

0816214

Piston

1шт.

27

0365330

O-Ring

SUB FOR 4S01092, AT128303 OR 4S00219

1шт.

28

0308623

O-Ring

SUB FOR AT170299, 04114 16, TH109953 OR 4S01094

1шт.

29

0747307

Spring

20шт.

30

0816215

Plate

3шт.

31

0816216

Plate

4шт.

32

0816217

Seal Kit

1шт.

Выбрано товаров: 36