Запчасти John Deere 70CLC 64 - 6549 TURBOCHARGER 0400A 270C LC EXCAVATOR 6068HT055-RE507964 6068HT055

Схема запчастей John Deere 70CLC - 64 - 6549 TURBOCHARGER 0400A 270C LC EXCAVATOR 6068HT055-RE507964 6068HT055
FIT
1:1
100%

Артикул

Название

Примечание

Количество

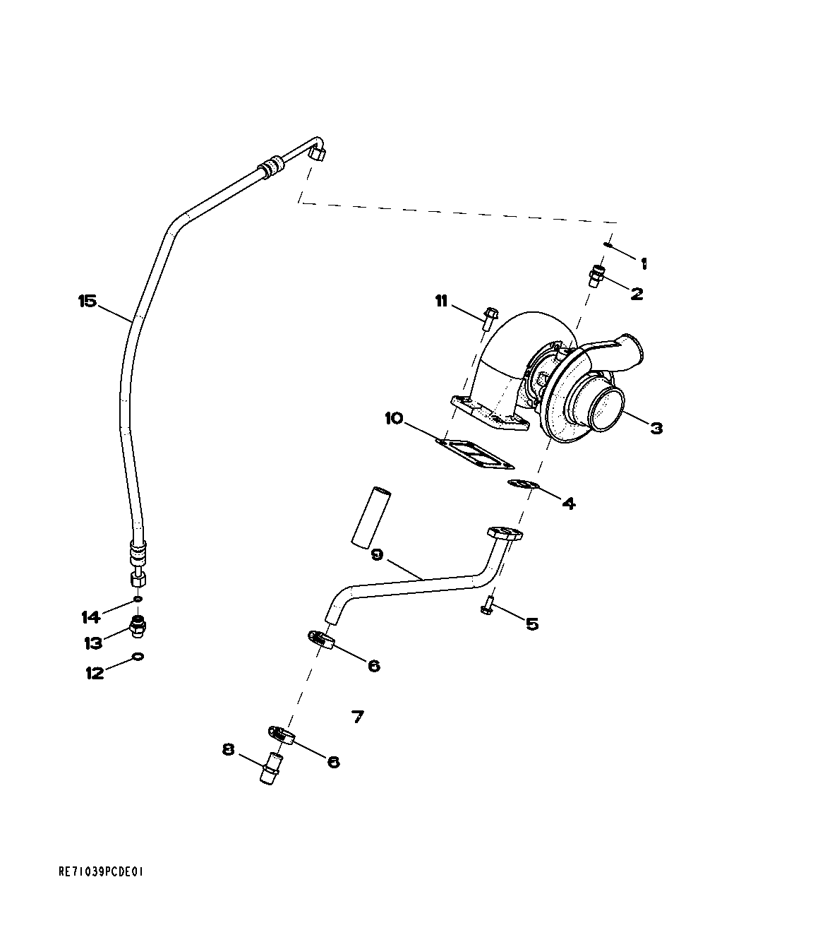
1

R63548

O-Ring

1шт.

2

M87733

Adapter Fitting

(ALSO ORDER R63548)

1шт.

3

RE508719

Turbocharger Reman

(ORDER SE501669)

1шт.

SE501669

Turbocharger Reman

(REMAN FOR RE508719)

1шт.

4

R123570

Gasket

1шт.

5

19M8062

Screw

M8 X 20

2шт.

6

RE65978

Clamp

2шт.

7

R120013

Hose

(CUT TO LENGTH)

1шт.

8

RE54885

Hose Fitting

1шт.

9

RE59992

Oil Line

1шт.

10

R123572

Gasket

1шт.

11

19M7785

Screw

M10 X 25

4шт.

12

51M7042

O-Ring

13.300 X 2.200 mm

1шт.

13

38H5037

Adapter Fitting

1шт.

14

T77613

O-Ring

1шт.

15

RE503211

Hose

1шт.

Выбрано товаров: 16