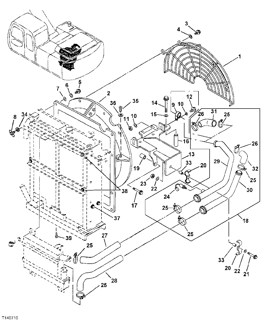
Запчасти John Deere 70LC 74 - RADIATOR ATTACHMENTS 0510 Engine Cooling Systems

Схема запчастей John Deere 70LC - 74 - RADIATOR ATTACHMENTS 0510 Engine Cooling Systems
FIT
1:1
100%

Артикул

Название

Примечание

Количество

1

AT177485

Guard

1шт.

2

AT177484

Shroud

1шт.

3

19M7868

Screw

M8 X 30

4шт.

4

24M7298

Washer

8.400 X 25 X 2 mm

4шт.

5

19M7785

Screw

M10 X 25

8шт.

6

24M7296

Washer

10.500 X 30 X 2.500 mm

8шт.

7

24H1330

Washer

15/32" X 1-3/8" X 7/64"

8шт.

8

T160108

Wing Screw

1шт.

9

F1451R

Clamp

1шт.

10

24M7239

Washer

10.700 X 21 X 2.500 mm

2шт.

11

14M7400

Lock Nut

M10

1шт.

12

19M7786

Screw

M10 X 30

1шт.

13

AT177487

Bracket

1шт.

14

19M7949

Cap Screw

M12 X 100

3шт.

15

24M7240

Washer

13 X 25 X 3 mm

3шт.

16

T161818

Bushing

1шт.

17

19M7812

Screw

M10 X 100

1шт.

18

AT199079

Kit

SUB FOR AT180254

1шт.

19

28H3382

Bushing

0.546" X 0.840" X 5/8" SUB FOR T161817

1шт.

20

T162091

Strap

SUB FOR H133751, THIS APPLICATION

2шт.

21

19M7803

Screw

M8 X 70

1шт.

22

24M7238

Washer

8.700 X 17 X 2 mm

2шт.

23

14M7166

Lock Nut

M8

1шт.

24

AH138802

Switch

Temperature

1шт.

25

AT39141

Hose Clamp

6шт.

26

AT105289

Clamp

2шт.

27

T160124

Hose

1шт.

28

T160195

Radiator Hose

1шт.

29

T184989

Tube

1шт.

30

T184990

Tube

1шт.

31

T160123

Hose

1шт.

32

T190408

Hose

SUB FOR T160122, ALSO ORDER (2) AT198270

1шт.

33

T161816

Spacer

9.246 X 13.716 X 19.050 m m (0.364" X 0.540" X 3/4")

2шт.

34

24M7298

Washer

8.400 X 25 X 2 mm

1шт.

35

19M7407

Cap Screw

M8 X 25

8шт.

36

24M7238

Washer

8.700 X 17 X 2 mm

8шт.

37

19M7784

Screw

M10 X 20

4шт.

24M7296

Washer

10.500 X 30 X 2.500 mm

4шт.

38

19M7784

Screw

M10 X 20

4шт.

24M7296

Washer

10.500 X 30 X 2.500 mm

4шт.

39

19M7789

Screw

M12 X 30

7шт.

24M7240

Washer

13 X 25 X 3 mm

7шт.

Выбрано товаров: 42