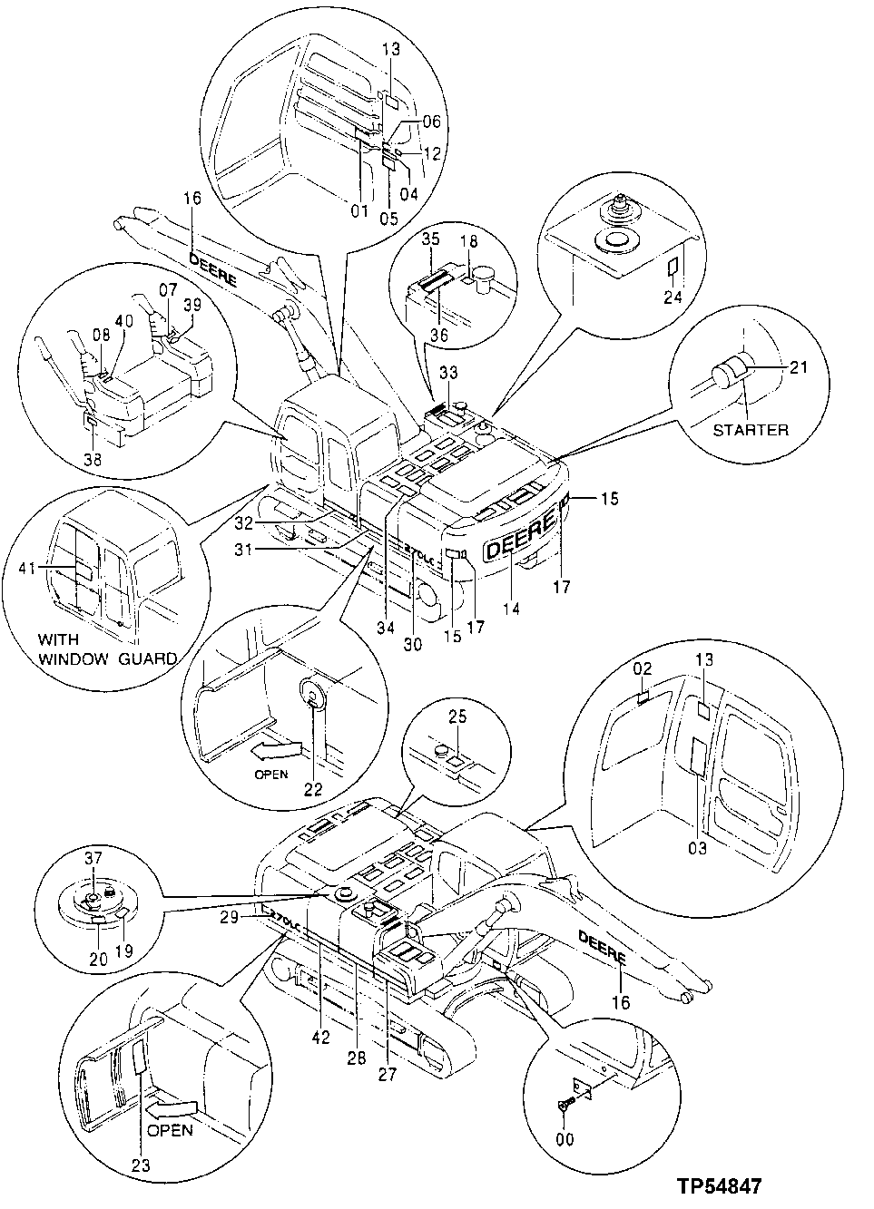
Запчасти John Deere 70LC 86 - Labels and Decals 1320 VEHICLE FINISH AND TRIM

Схема запчастей John Deere 70LC - 86 - Labels and Decals 1320 VEHICLE FINISH AND TRIM
FIT
1:1
100%

Артикул

Название

Примечание

Количество

0

37H131

Screw

0.140" X 3/8"

2шт.

1

T159888

Label

(START-STOP OPERATION)

1шт.

2

T146664

Safety Sign

(CAUTION - FRONT WINDOW LOCK)

1шт.

3

T162042

Label

ENGLISH (LIFT CAPACITY CHART)

1шт.

T162752

Label

SPANISH (LIFT CAPACITY CHART)

1шт.

T162772

Label

FRENCH (LIFT CAPACITY CHART)

1шт.

4

T146668

Safety Sign

(WARNING - AVOID CRUSHING)

1шт.

5

T159887

Safety Sign

ENGLISH (CAUTION)

1шт.

T162754

Label

SPANISH (CAUTION)

1шт.

T162774

Label

FRENCH (CAUTION)

1шт.

6

T146667

Safety Sign

(DANGER - ELECTROCUTION)

1шт.

7

T159842

Label

(RIGHT CONTROL LEVER - SAE PATTERN) (WHITE BACKGROUND)

1шт.

T159843

Label

(RIGHT CONTROL LEVER - JOHN DEE RE PATTERN) (YELLOW BACKGROUND)

1шт.

8

T159841

Label

(LEFT CONTROL LEVER - SAE PATTERN) (WHITE BACKGROUND)

1шт.

T159844

Label

(LEFT CONTROL LEVER - JOHN DEE RE PATTERN) (YELLOW BACKGROUND)

1шт.

12

T190393

Label

(SUB FOR T157809)(IMPORTANT - B REAK WINDOW FOR SECONDARY EXIT)

1шт.

13

T160538

Label

(LEAPING DEERE)

2шт.

14

T160684

Label

(DEERE - ON COUNTERWEIGHT)

1шт.

15

T145893

Safety Sign

(STAY CLEAR)

2шт.

16

T162041

Label

2шт.

17

JD5909

Reflector

(RED REFLECTOR TAPE) (CUT TO LE NGTH FROM JD5909 BULK MATERIAL)

2шт.

18

T79632

Label

(DIESEL ONLY)

1шт.

19

T101942

Label

(SUB FOR P60856, THIS AP PLICATION)(HYDRAULIC OIL)

1шт.

20

P63448

Label

(SUB FOR AT155733)(PUMP BLEED INFORMATION)

1шт.

21

T146102

Label

(BYPASS START)

1шт.

22

R56902

Label

(DRY AIR CLEANER)

1шт.

23

T162039

Label

ENGLISH (PERIODIC MAINTENANCE)

1шт.

T163617

Label

SPANISH (PERIODIC MAINTENANCE)

1шт.

T163603

Label

FRENCH (PERIODIC MAINTENANCE)

1шт.

24

T149983

Label

(IMPORTANT - OIL LEVEL)

1шт.

25

T152657

Safety Sign

(CAUTION - RADIATOR)

1шт.

27

T160711

Label

(BLACK STRIPE - FRONT RIGHT SIDE)

1шт.

28

T161920

Label

(STRIPE - RIGHT SIDE)

1шт.

29

T161921

Label

(MODEL DESIGNATION STRIPE - RIGHT REAR)

1шт.

30

T161922

Label

(MODEL DESIGNATION STRIPE - LEFT REAR)

1шт.

31

T161918

Label

(STRIPE - LEFT SIDE)

1шт.

32

T161536

Label

(STRIPE - LEFT SIDE)

1шт.

33

H21259

Mat

(ANTI-SKID TAPE)

21шт.

34

H21259

Mat

(ANTI-SKID TAPE)

1шт.

35

H21259

Mat

(ANTI-SKID TAPE)

1шт.

36

H21259

Mat

(SUB FOR TH110224)(ANTI-SKID TAPE)

1шт.

37

T147009

Label

(RESERVOIR COVER)

1шт.

38

4299059

Label

(SUB FOR T138886)(HYDRAULIC LEVER LOCK)

1шт.

39

4264805

Label

(SUB FOR AT155730)(IGNITION KEY SWITCH)

1шт.

40

4288971

Label

(SUB FOR AT155729)(EIT HER AID/MOTION CANCEL)

1шт.

41

T161729

Label

(WINDOW GUARD INSTALLATION)

1шт.

42

T161919

Label

(STRIPE - RIGHT SIDE)

1шт.

Выбрано товаров: 47