Запчасти John Deere 70LC 186 - Heavy Duty High Capacity Bucket (Also Order Bucket Tooth Assemblies) 3302 BUCKETS, TEETH, SHANKS AND SIDECUTTERS

Схема запчастей John Deere 70LC - 186 - Heavy Duty High Capacity Bucket (Also Order Bucket Tooth Assemblies) 3302 BUCKETS, TEETH, SHANKS AND SIDECUTTERS
FIT
1:1
100%

Артикул

Название

Примечание

Количество

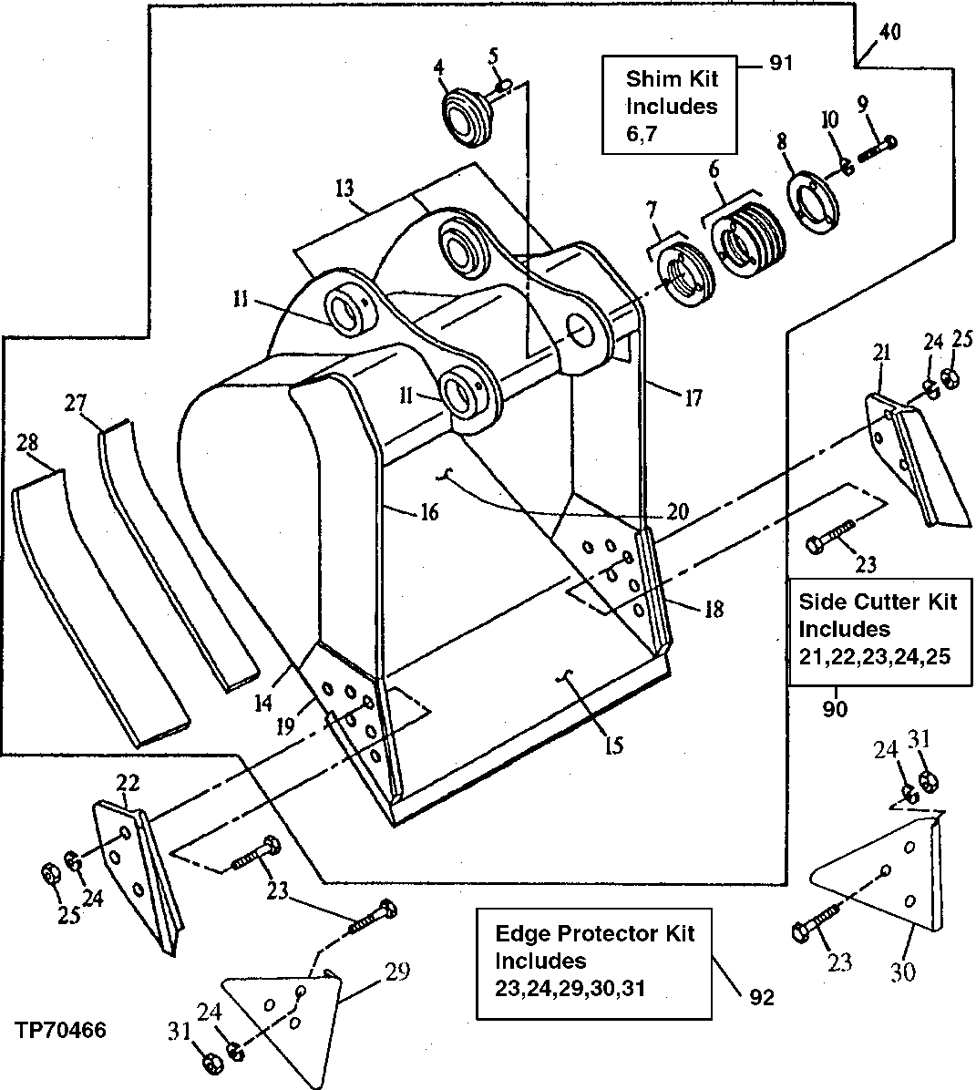
4

AT131084

Bushing

1шт.

5

R48685

Dowel Pin

1шт.

6

TH102460

Washer

(1 MM)

6шт.

7

TH102461

Shim

(.5 MM)

2шт.

8

TH102463

Plate

1шт.

9

19H2706

Cap Screw

5/8" X 2"

3шт.

10

12H294

Lock Washer

5/8"

3шт.

11

TH102409

Bushing

2шт.

13

C603692

Pivot

(F) (BUCKET EAR BLANK ASSEMBLY)

1шт.

14

306995

Plate

(F) (RIGHT AND LEFT SIDE)

2шт.

15

AT131097

Dura-Max Cutting Edge

(CUT TO LENGTH)

1шт.

16

300283

Vertical Cutter

(F) (UPPER RIGHT SIDE CUTTER)

1шт.

17

300284

Vertical Cutter

(F) (UPPER LEFT SIDE CUTTER)

1шт.

18

304568

Vertical Cutter

(F) (LEFT SIDE CUTTER INSERT)

1шт.

19

304567

Vertical Cutter

(F) (RIGHT SIDE CUTTER INSERT)

1шт.

20A

600171

Moldboard

(F) (UPPER MOLDBOARD - 20 INCH BUCKET)

1шт.

600172

Moldboard

(F) (UPPER MOLDBOARD - 36 INCH BUCKET)

1шт.

600173

Moldboard

(F) (UPPER MOLDBOARD - 42 INCH BUCKET)

1шт.

20B

600166

Moldboard

(F) (LOWER MOLDBOARD - 30 INCH BUCKET)

1шт.

600167

Moldboard

(F) (LOWER MOLDBOARD - 36 INCH BUCKET)

1шт.

600168

Moldboard

(F) (LOWER MOLDBOARD - 42 INCH BUCKET)

1шт.

21

Cutting Edge

(K) (SUB AT131085)

1шт.

22

Cutting Edge

(K) (SUB AT131085)

1шт.

23

09H1771

Bolt

(K) 7/8" X 3" (K2)

6шт.

24

12H245

Lock Washer

(K) 7/8" (K2)

6шт.

25

14H1077

Nut

(K) 7/8"

6шт.

27

300291

Bar

(F) (INNER WEAR)

2шт.

28

304559

Bar

(F) (OUTER WEAR)

2шт.

29

Shroud

(WEAR SHROUD) (SUB AT167876 (K2))

1шт.

30

Shroud

(WEAR SHROUD) (SUB AT167876 (K2))

1шт.

31

14H1044

Nut

7/8" (K2)

6шт.

40

Excavator Bucket

(SUB AT332709)( AT163638 NLA) (24 INCH - .92 CUBIC YARD) (AVAILABLE TOOTH ASSEMBLIES ON SEPARATE PAGE )

1шт.

Excavator Bucket

(SUB AT332710)( AT163639 NLA) (30 INCH - 1.20 CUBIC YARD) (AVAILABLE TOOTH ASSEMBLIES ON SEPARATE PAGE)

1шт.

Excavator Bucket

(SUB AT332711)( AT163640 NLA) (36 INCH - 1.48 CUBIC YARD) (AVAILABLE TOOTH ASSEMBLIES ON SEPARATE PAGE)

1шт.

Excavator Bucket

(SUB AT332712)( AT163641 NLA) (42 INCH - 1.75 CUBIC YARD) (AVAILABLE TOOTH ASSEMBLIES ON SEPARATE PAGE)

1шт.

90

Kit

( AT131085 NLA) (SIDE CUTTER KIT) INCLUDES ALL (K) PARTS

1шт.

92

Kit

(EDGE PROTECTOR) INCLUDES AL L (K2) PARTS ( AT167876 NLA)

1шт.

Выбрано товаров: 37