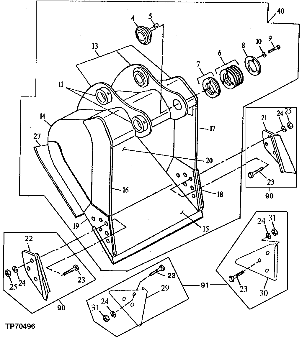
Запчасти John Deere 70LC 195 - Severe Duty Plate Lip Bucket (Also Order Bucket Tooth Assemblies) 3302 BUCKETS, TEETH, SHANKS AND SIDECUTTERS

Схема запчастей John Deere 70LC - 195 - Severe Duty Plate Lip Bucket (Also Order Bucket Tooth Assemblies) 3302 BUCKETS, TEETH, SHANKS AND SIDECUTTERS
FIT
1:1
100%

Артикул

Название

Примечание

Количество

4

AT131084

Bushing

1шт.

5

R48685

Dowel Pin

1шт.

6

TH102460

Washer

(1 MM)

6шт.

7

TH102461

Shim

(.5 MM)

2шт.

8

TH102463

Plate

1шт.

9

19H2706

Cap Screw

5/8" X 2"

3шт.

10

12H294

Lock Washer

5/8"

3шт.

11

TH102409

Bushing

2шт.

13

C603692

Pivot

(F) (BUCKET EAR BLANK ASSEMBLY)

1шт.

14

304371

Plate

(F) (RIGHT AND LEFT SIDE)

2шт.

15

AT131097

Dura-Max Cutting Edge

(CUT TO LENGTH)

1шт.

16

304368

Vertical Cutter

(F) (UPPER RIGHT SIDE CUTTER)

1шт.

17

304367

Vertical Cutter

(F) (UPPER LEFT SIDE CUTTER)

1шт.

18

304369

Vertical Cutter

(F) (LEFT SIDE CUTTER INSERT)

1шт.

19

304370

Vertical Cutter

(F) (RIGHT SIDE CUTTER INSERT)

1шт.

20

603868

Moldboard

(F) (30 INCH)

1шт.

603869

Moldboard

(F) (36 INCH)

1шт.

603870

Moldboard

(F) (42 INCH)

1шт.

21

Cutting Edge

(K) (SUB AT131085)

1шт.

22

Cutting Edge

(K) (SUB AT131085)

1шт.

23

09H1771

Bolt

(K) 7/8" X 3" (K2)

6шт.

24

12H245

Lock Washer

(K) 7/8" (K2)

6шт.

25

14H1077

Nut

(K) 7/8"

6шт.

27

603873

Bar

(F) (DOUBLE BOTTOM WEA R BAR - 30 INCH BUCKET)

1шт.

603874

Bar

(F) (DOUBLE BOTTOM WEA R BAR - 36 INCH BUCKET)

1шт.

603875

Bar

(F) (DOUBLE BOTTOM WEA R BAR - 42 INCH BUCKET)

1шт.

29

Shroud

(WEAR SHROUD) (SUB AT167876 (K2))

1шт.

30

Shroud

(WEAR SHROUD) (SUB AT167876 (K2))

1шт.

31

14H1044

Nut

7/8" (K2)

6шт.

40

Excavator Bucket

(SUB AT332714)( AT163645 NLA) (30 INCH- .95 CUBIC YARD) (AVAILABLE TOOTH ASSEMBLIES ON SEPARATE PAGE)

1шт.

Excavator Bucket

(SUB AT332715)( AT163646 NLA) (36 INCH - 1.16 CUBIC YARD) (AVAILABLE TOOTH ASSEMBLIES ON SEPARATE PAGE)

1шт.

Excavator Bucket

(SUB AT332716)( AT163647 NLA) (42 INCH - 1.38 CUBIC YARD) (AVAILABLE TOOTH ASSEMBLIES ON SEPARATE PAGE)

1шт.

90

Kit

( AT131085 NLA) (SIDE CUTTER KIT) INCLUDES ALL (K) PARTS

1шт.

91

Kit

(EDGE PROTECTOR) INCLUDES AL L (K2) PARTS ( AT167876 NLA)

1шт.

Выбрано товаров: 34