Запчасти John Deere 7C ZTS 245 - LABELS AND DECALS (PORTUGUESE) 1322 DECALS & TRADEMARKS

Схема запчастей John Deere 7C ZTS - 245 - LABELS AND DECALS (PORTUGUESE) 1322 DECALS & TRADEMARKS
FIT
1:1
100%

Артикул

Название

Примечание

Количество

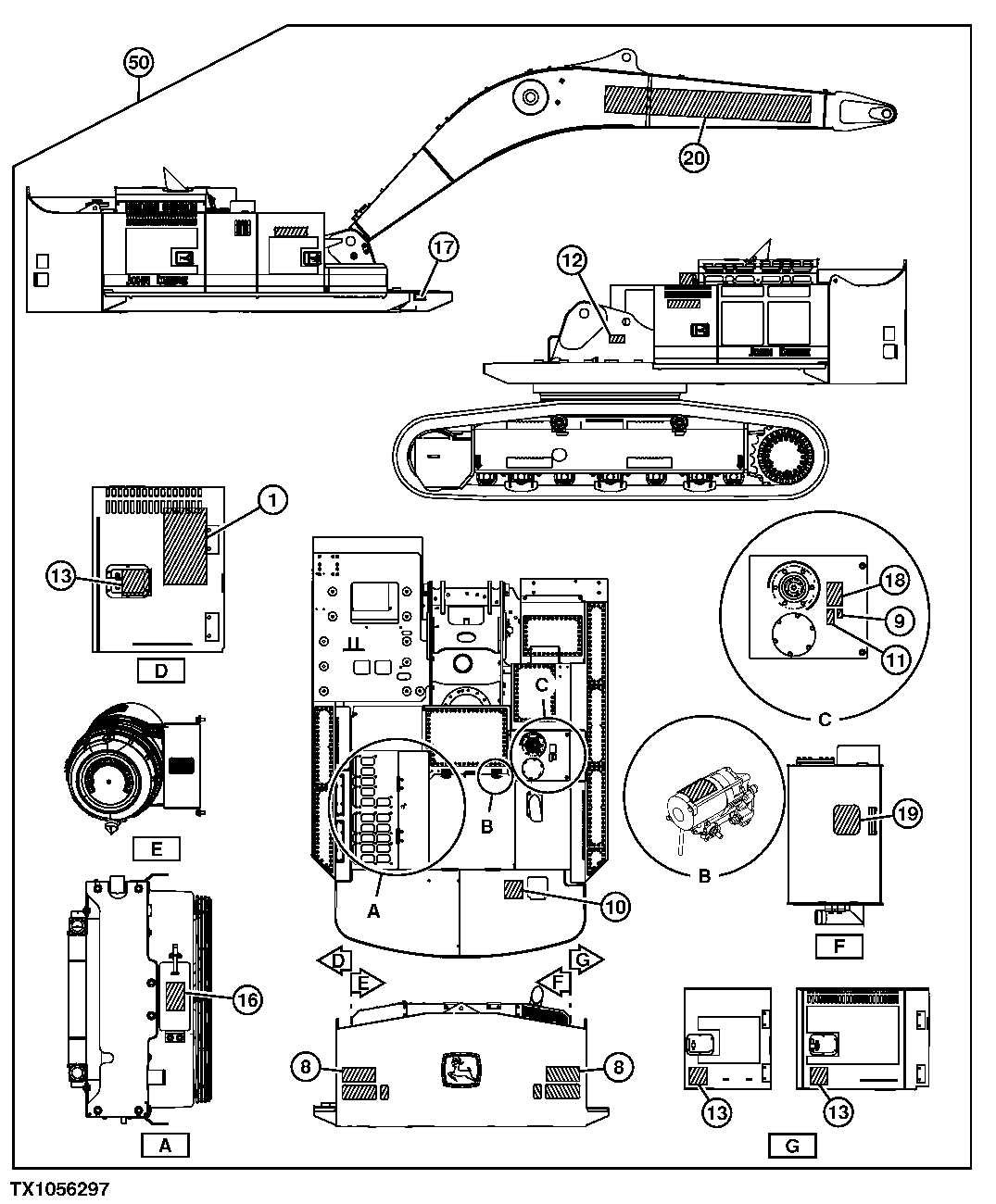
1

T247503

Label

Periodic Maintenance

1шт.

8

T247506

Label

Warning - Stay Clear

2шт.

9

T247480

Label

Hyd Pump Damage

1шт.

10

T247492

Label

Diesel Only

1шт.

11

T247478

Label

Hyd Oil Only

1шт.

12

T247488

Label

Caution - Pinch Point

1шт.

13

T247479

Label

Caution: Fire Safety

3шт.

16

T247497

Label

Cooling System

1шт.

18

T247495

Label

Caution - Hydraulic Reservoir Cap

1шт.

19

T247501

Label

Oil Level Roadbuilder

1шт.

T247502

Label

Oil Level

1шт.

20

T247507

Label

Warning - Keep Back

2шт.

50

AT362345

Label Kit

1шт.

Выбрано товаров: 13