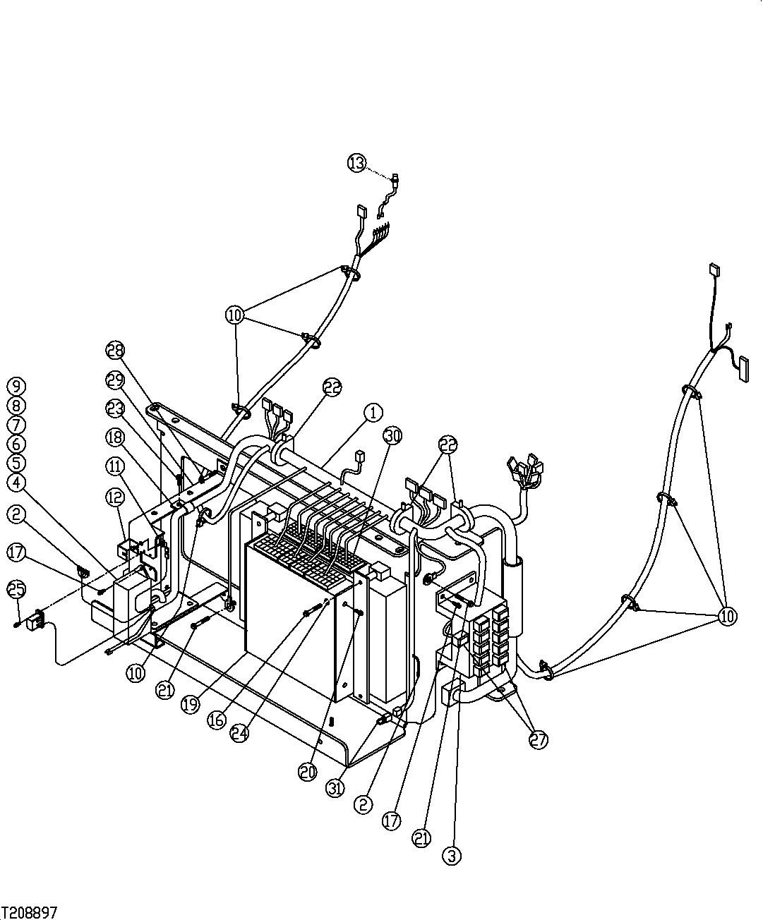
Запчасти John Deere 7C ZTS 312 - REAR ENTRY CAB ELECTRICAL BOX (SN 200131- ) 1674C REAR ENTRY CAB WIRING HARNESS AND SWITCHES

Схема запчастей John Deere 7C ZTS - 312 - REAR ENTRY CAB ELECTRICAL BOX (SN 200131- ) 1674C REAR ENTRY CAB WIRING HARNESS AND SWITCHES
FIT
1:1
100%

Артикул

Название

Примечание

Количество

1

0004069

Wiring Harness

(SUB FOR FFSB113336)

1шт.

2

4456778

Diode

(SUB FOR FFSB112232)

6шт.

3

4427429

Circuit Box

(SUB FOR FFSB112233)

1шт.

4

57M7688

Fuse

(SUB FOR FFSB112234)(5 AMP)

8шт.

5

57M7689

Fuse

(SUB FOR FFSB110740)(10 AMP)

8шт.

6

57M7691

Fuse

(SUB FOR FFSB110741)(20 AMP)

4шт.

7

4460037

Fuse Box

(SUB FOR FFSB112235 OR 4456735)

1шт.

8

Puller

( FFSB112236 NLA)

1шт.

9

4468530

Cover

(SUB FOR FFSB112258)

1шт.

10

H77698

Tie Band

(SUB FOR FFSB108110)

8шт.

11

4359384

Switch

(SUB FOR FFSB107881)

1шт.

12

4367375

Bracket

(SUB FOR FFSB107880)

1шт.

13

4384758

Switch

(SUB FOR FFSB108211 OR AT215573)(TRAVEL ALARM)

1шт.

16

21M7466

Screw

M6 X 30 (SUB FOR M430630)

4шт.

17

21M7267

Screw

M6 X 20 (SUB FOR FFSB112244)

6шт.

24M7293

Washer

6.500 X 13 X 1.600 mm

6шт.

12M7006

Lock Washer

6 mm (SUB FOR FFSB112244)

6шт.

18

AT119290

Hose Clamp

(SUB FOR FFSB105440)

1шт.

19

9194416

Central Control Unit

(SUB FOR FFSB112213)

1шт.

20

19M7700

Cap Screw

M5 X 10 (SUB FOR FFSB107787 OR AT154882)

4шт.

12M7064

Lock Washer

5 mm

4шт.

24M7348

Washer

5.500 X 10 X 1 mm

4шт.

21

19M7162

Cap Screw

M8 X 16 (SUB FOR FFSB107125)

2шт.

12M7065

Lock Washer

8 mm (SUB FOR FFSB107125)

2шт.

24H1136

Washer

11/32" X 11/16" X 0.06 5" (SUB FOR FFSB107125)

2шт.

22

4449019

Clip

(SUB FOR FFSB112247)

3шт.

23

19M7938

Cap Screw

M10 X 20 (SUB FOR FFSB107124)

2шт.

12M7066

Lock Washer

10 mm (SUB FOR FFSB107124)

2шт.

24

24M7054

Washer

6.400 X 12 X 1.600 mm (SUB FOR FFSB107438)

4шт.

25

Screw

(SUB FOR FFSB105518 OR AT156974)( J460310 NLA)

2шт.

21M7394

Screw

M3 X 10

2шт.

24H1914

Washer

1/8" X 5/16" X 0.032"

2шт.

12H233

Lock Washer

1/8"

2шт.

27

4436534

Relay

(SUB FOR FFSB112249)

11шт.

28

19M7881

Screw

M8 X 20 (SUB FOR FFSB112212)

2шт.

12M7065

Lock Washer

8 mm

2шт.

29

7039389

Bracket

(SUB FOR FFSB112211)

1шт.

30

9226763

Vehicle Controller

(SUB FOR FFSB113628, FFSB113341 OR 9226761)

1шт.

31

FFSB114431

Wiring Harness

1шт.

Выбрано товаров: 0