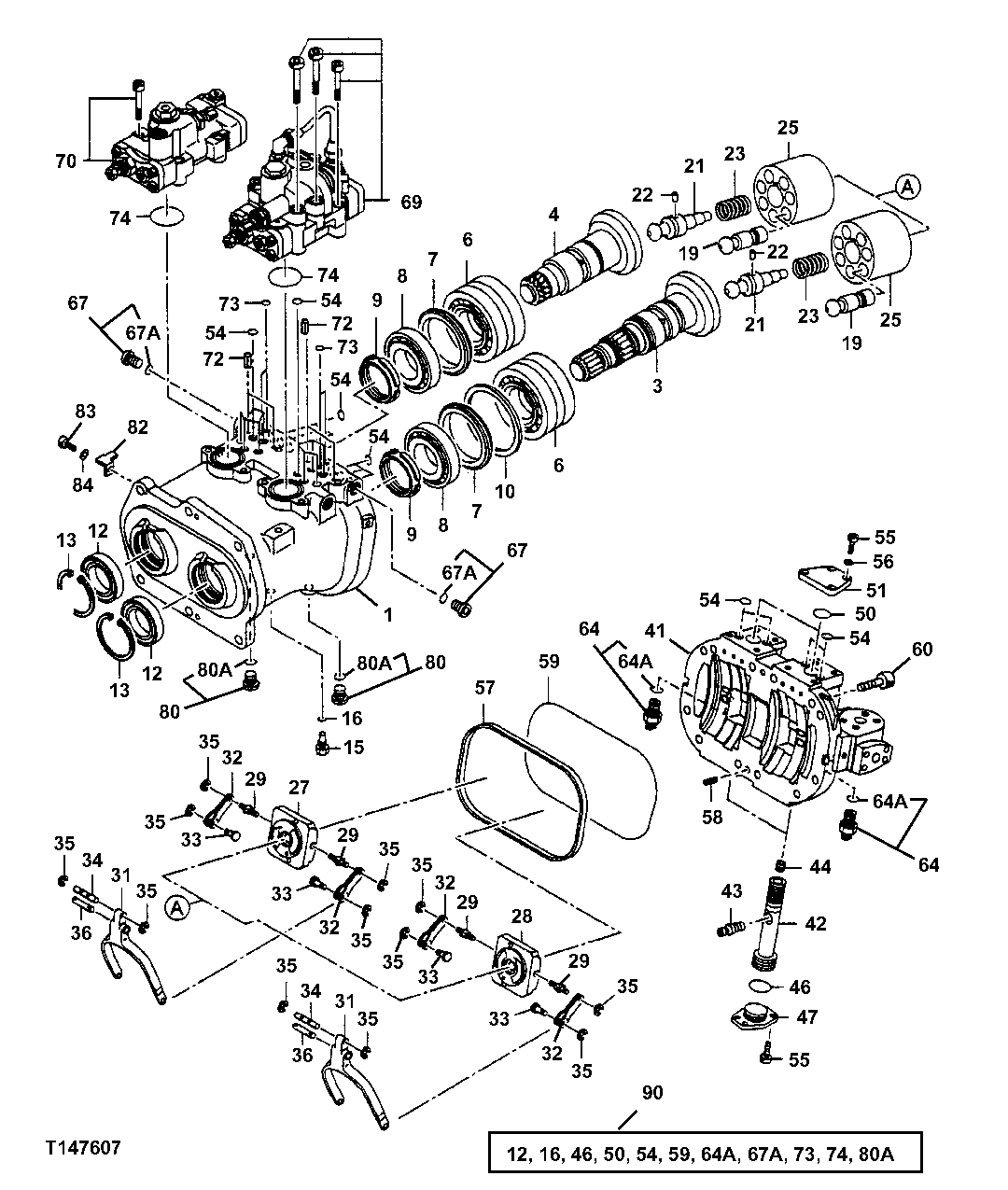
Запчасти John Deere 7C ZTS 479 - MAIN HYDRAULIC PUMP HOUSING, DISK, ROTORS, HEAD AND REGULATORS 2160 VEHICLE HYDRAULICS

Схема запчастей John Deere 7C ZTS - 479 - MAIN HYDRAULIC PUMP HOUSING, DISK, ROTORS, HEAD AND REGULATORS 2160 VEHICLE HYDRAULICS
FIT
1:1
100%

Артикул

Название

Примечание

Количество

1

1026679

Gear Case

( 1026679 NLA) (ORDER 1032319, 2043207, 2043 211, 4410050 (2), 4339171 (2), 4622945 (2) )

1шт.

1032319

Housing

1шт.

3

2036807

Disk

1шт.

2043207

Drive Disk

1шт.

4

2036808

Disk

1шт.

2043211

Drive Disk

1шт.

6

4337419

Cylindrical Roller Bearing

2шт.

4410050

Spherical Roller Bearing

2шт.

7

4348182

Ring

2шт.

4339171

Ring

2шт.

8

4337483

Cylindrical Roller Bearing

2шт.

4622945

Spherical Roller Bearing

2шт.

9

4178173

Nut

M60 (SUB FOR T107755)

2шт.

10

4330054

Thrust Washer

115 X 130 X 3 mm (4.528" X 5.118" X 0.118 ") (SUB FOR AT202466 ) (SUB FOR AT170630)

1шт.

12

T225266

Seal

(K) (SUB FOR AT213847 OR 4333170)

2шт.

13

4116290

Snap Ring

(SUB FOR TH111929)

2шт.

15

4233165

Fitting

(SUB FOR AT154164)

1шт.

16

M800650

Packing

(K)

1шт.

19

8059452

Piston

(SUB FOR AT214351)

14шт.

21

4337035

Shaft

(SUB FOR AT213871)

2шт.

22

4198956

Pin Fastener

5 X 10 mm (0.197" X 0. 394") (SUB FOR T107766)

2шт.

23

4179181

Compression Spring

(SUB FOR T107767)

2шт.

25

2036744

Rotor

(SUB FOR AT213730)

2шт.

27

2036795

Flow Control Hyd. Valve

1шт.

28

2036786

Flow Control Hyd. Valve

1шт.

29

4179179

Dowel Pin

(SUB FOR TH109874)

4шт.

31

3075674

Link

(SUB FOR AT213793)

2шт.

32

9724756

Lever

(SUB FOR TH109873)

4шт.

33

4179177

Dowel Pin

6 X 10 mm (0.236" X 0.3 94") (SUB FOR TH109875)

4шт.

34

4179176

Dowel Pin

6 X 44 mm (0.236" X 1.7 32") (SUB FOR TH109876)

2шт.

Выбрано товаров: 30