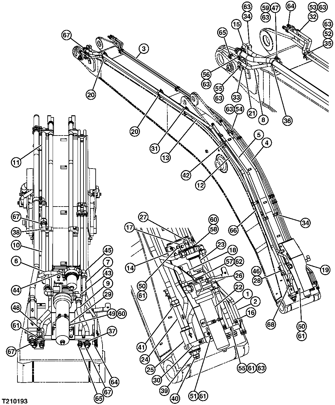
Запчасти John Deere 7C ZTS 550 - BOOM LINES (PROCESSOR CONFIGURATION) (SN 200156- ) (CONTINUED) 3360 HYDRAULIC SYSTEM

Схема запчастей John Deere 7C ZTS - 550 - BOOM LINES (PROCESSOR CONFIGURATION) (SN 200156- ) (CONTINUED) 3360 HYDRAULIC SYSTEM
FIT
1:1
100%

Артикул

Название

Примечание

Количество

1

FFSB113607

Tube

1шт.

2

FFSB113605

Tube

1шт.

3

FFSB113608

Tube

2шт.

4

8066502J

Oil Line

(SUB FOR FFSB114437 OR 8066502)

1шт.

5

8066503J

Oil Line

(SUB FOR FFSB114436 OR 8066503)

1шт.

6

FFSB114526

Tube

1шт.

7

FFSB114521

Oil Line

1шт.

8

FFSB113602

Tube

1шт.

9

FFSB114524

Oil Line

1шт.

10

FFSB114527

Tube

1шт.

11

FFSB113610

Tube

1шт.

12

FFSB114641

Tube

1шт.

13

FFSB114642

Tube

1шт.

14

FFSB114539

Plate

1шт.

15

FFSB114372

Bracket

1шт.

16

FFSB114547

Bracket

1шт.

17

FFSB114542

Bracket

1шт.

18

FFSB114541

Bracket

1шт.

19

FFSB114543

Cover

1шт.

20

FFSB110337

Plate

2шт.

21

FFSB112175

Plate

1шт.

22

FFSB114645

Filter

1шт.

FFSB114711

Filter Element

1шт.

FF103440

Seal Kit

1шт.

23

FFSB114646

Filter

1шт.

FFSB114712

Filter Element

1шт.

FF103441

Seal Kit

1шт.

24

FFSB114633

Filter

1шт.

FFSB114713

Filter Element

1шт.

25

FFSB114912

Check Valve

(SUB FOR FFSB114634)

1шт.

26

FFSB114669

Pressure Switch

1шт.

27

FF216422

Pressure Switch

SUB FOR FFSB114670

1шт.

28

FFSB114671

Pressure Switch

1шт.

29

FFSB114644

Clamp

1шт.

30

FFSB114639

Clamp

(SUB FOR FFSB108708)

1шт.

31

4053698

Clamp

(SUB FOR FFSB113716)

5шт.

32

4190125

Clamp

(SUB FOR FFSB114382)

1шт.

33

4190126

Clamp

(SUB FOR FFSB108708)

1шт.

34

4190127

Clamp

(SUB FOR FFSB108709)

3шт.

35

4189858

Clamp

(SUB FOR FFSB114381)

10шт.

36

FFSB113739

Clamp

4шт.

37

4153488

Clamp

(SUB FOR FFSB114383)

1шт.

38

4189860

Clamp

(SUB FOR FFSB109516)

3шт.

39

FFSB114635

Adapter Fitting

1шт.

40

X20F42EDMLOS

Adapter Fitting

(SUB FOR FFSB114636)

1шт.

41

X24F42EDMLOS

Adapter Fitting

(SUB FOR FFSB114637)

1шт.

42

X24HLO-S

Union Fitting

(SUB FOR FFSB114638)

1шт.

43

PMH1652

Elbow Fitting

(SUB FOR FFSB114643)

2шт.

44

X16F5OLO-S

Adapter Fitting

(SUB FOR FFSB114533)

1шт.

45

FFSB103499

Adapter Fitting

1шт.

46

FFSB114647

Adapter Fitting

1шт.

47

19M8061

Cap Screw

M12 X 140 (SUB FOR FFSB114377)

4шт.

48

19M9598

Cap Screw

M12 X 200 (SUB FOR FFSB114667)

1шт.

49

19M7163

Cap Screw

M8 X 25 (SUB FOR FFSB109186)

2шт.

50

19M7386

Cap Screw

M12 X 20 (SUB FOR FFSB109193)

12шт.

Выбрано товаров: 55