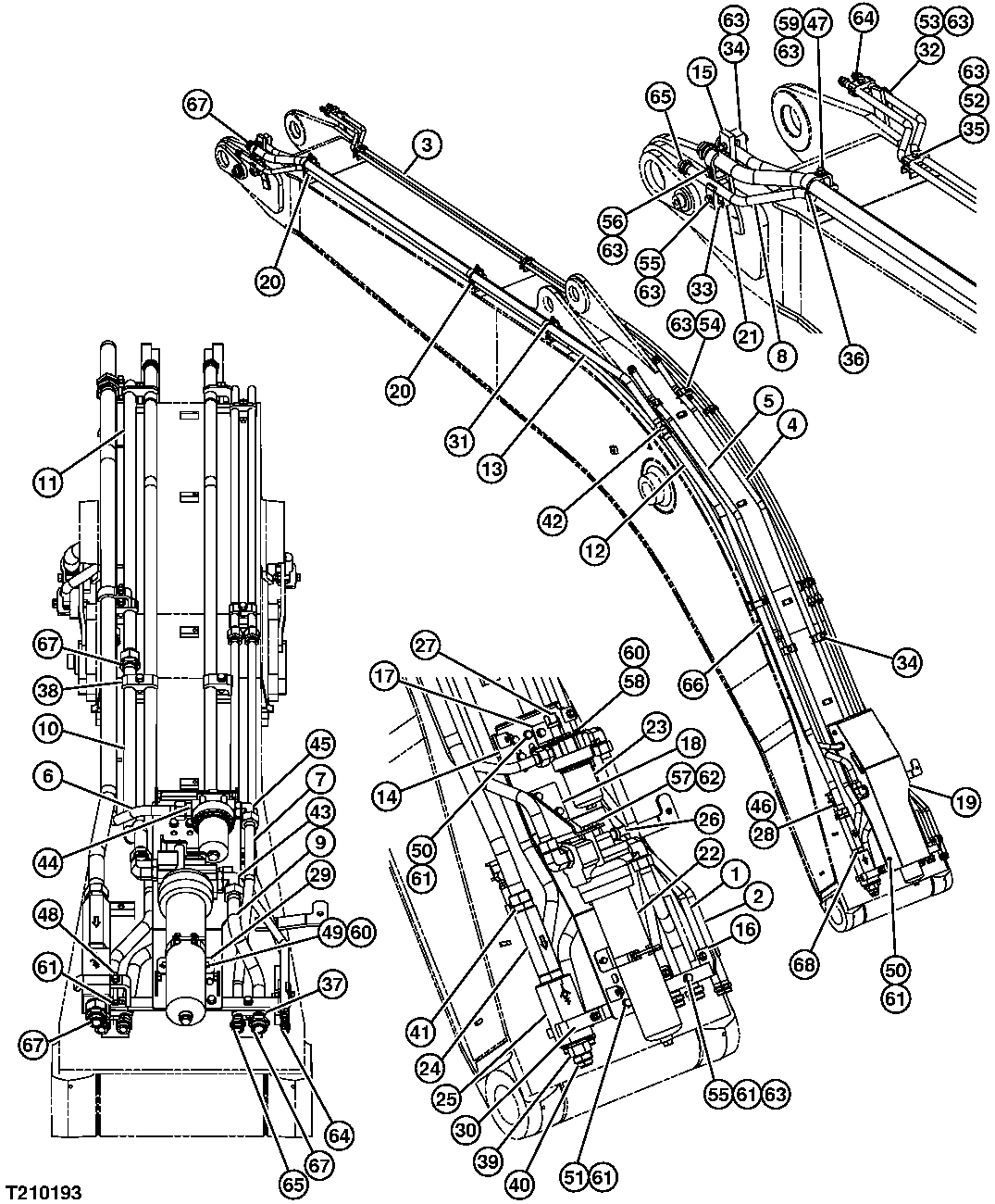
Запчасти John Deere 7C ZTS 551 - BOOM LINES (PROCESSOR CONFIGURATION) (SN 200156- ) 3360 HYDRAULIC SYSTEM

Схема запчастей John Deere 7C ZTS - 551 - BOOM LINES (PROCESSOR CONFIGURATION) (SN 200156- ) 3360 HYDRAULIC SYSTEM
FIT
1:1
100%

Артикул

Название

Примечание

Количество

51

19M7403

Cap Screw

M12 X 35 (SUB FOR FFSB109213)

1шт.

52

19M8313

Cap Screw

M12 X 55 (SUB FOR FFSB108226)

8шт.

53

19M7363

Cap Screw

M12 X 60 (SUB FOR FFSB109215)

1шт.

54

19M7753

Cap Screw

M12 X 70 (SUB FOR FFSB109196)

4шт.

55

19M7943

Cap Screw

M12 X 90 (SUB FOR FFSB109218)

3шт.

56

19M7216

Cap Screw

M12 X 100 (SUB FOR FFSB109192)

1шт.

57

19H2472

Cap Screw

1/2" X 1" (SUB FOR FFSB108086)

3шт.

58

19H2705

Cap Screw

5/16" X 1" (SUB FOR FFSB114668)

4шт.

59

14M7275

Nut

M12 (SUB FOR FFSB107245)

12шт.

60

24M7055

Washer

8.400 X 16 X 1.600 mm (SUB FOR FFSB107966)

6шт.

61

24M7047

Washer

13 X 24 X 2.500 mm (SUB FOR FFSB105797)

15шт.

62

24H1111

Washer

17/32" X 1-1/16" X 0.09 0" (SUB FOR FFSB109341)

3шт.

63

12M7067

Lock Washer

12 mm (SUB FOR FFSB107911)

27шт.

64

T77857

O-Ring

(SUB FOR FFSB114430)

4шт.

65

T77858

O-Ring

(SUB FOR FFSB109689)

4шт.

66

T76938

O-Ring

(SUB FOR FFSB106416)

1шт.

67

T78612

O-Ring

(SUB FOR FFSB114288)

5шт.

68

FFSB114681

O-Ring

1шт.

Выбрано товаров: 0