Запчасти John Deere 7C ZTS 557 - Auxiliary Rotate Lines, Processor Configuration (200156 - ) 3360 HYDRAULIC SYSTEM

Схема запчастей John Deere 7C ZTS - 557 - Auxiliary Rotate Lines, Processor Configuration (200156 - ) 3360 HYDRAULIC SYSTEM
FIT
1:1
100%

Артикул

Название

Примечание

Количество

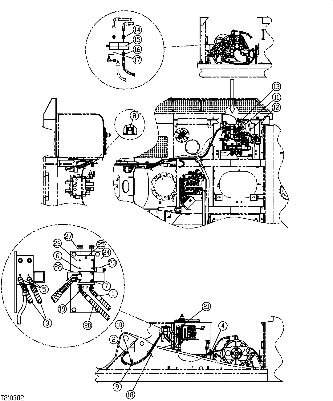
1

FFSB110033

Hydraulic Hose

SUB FOR FFSB110204 , USE WITH XHG-075

1шт.

Cover

(MAKE FROM XHG-075)(CTL, 1900 MM)

1шт.

2

38H1321

Elbow Fitting

SUB FOR FFSB102227, USE WITH T77857 AND T78716

2шт.

T77857

O-Ring

2шт.

T78716

Nut

2шт.

3

FFSB110032

Hydraulic Hose

SUB FOR FFSB110210 , USE WITH XHG-075

2шт.

Cover

MAKE FROM XHG-075, CTL 400 MM

2шт.

4

F026126

Hose Support

SUB FOR FFSB105404

1шт.

5

X8V5OLO-S

Elbow Fitting

SUB FOR FFSB103644

2шт.

6

FF201510

Plate

SUB FOR FFSB113643

1шт.

7

19H3070

Screw

0.190" X 1-1/4" SUB FOR FFSB102861

8шт.

8

FFSB104023

Orifice

2шт.

9

FFSB110137

Clamp

1шт.

10

19M7407

Cap Screw

M8 X 25 SUB FOR FFSB107195

1шт.

11

FFSB107458

Hydraulic Hose

1шт.

12

FFSB107457

Hydraulic Hose

1шт.

13

38H1033

Tee Fitting

SUB FOR FFSB109457

1шт.

14

A853166

Adapter Fitting

SUB FOR FFSB109423 OR 4189619

1шт.

15

9218033

Pump

SUB FOR FFSB109717

1шт.

16

PMH1673

Adapter Fitting

SUB FOR FFSB102389

1шт.

17

4506418

O-Ring

SUB FOR FFSB109687

1шт.

18

R44302

Tie Band

SUB FOR FFSB108110

1шт.

19

X8V5OX-S

Elbow Fitting

SUB FOR FFSB103646

1шт.

20

FFSB113398

Hydraulic Hose

1шт.

21

4236729

Elbow Fitting

SUB FOR FFSB109437

1шт.

22

FF200639

Valve

SUB FOR FFSB113667

1шт.

23

FFSB102386

Pressure Relief Valve

1шт.

24

FFSB110138

Plate

1шт.

25

19M8405

Screw

M8 X 70 SUB FOR FFSB110199

2шт.

26

FFSB102385

Plate

1шт.

27

X8HP5ON-S

Fitting Plug

SUB FOR FFSB105066

4шт.

Выбрано товаров: 31