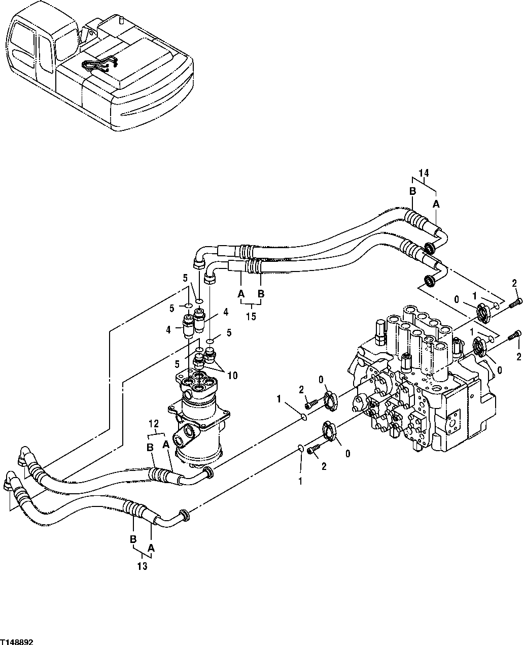
Запчасти John Deere 7C ZTS 573 - CONTROL VALVE TO ROTARY MANIFOLD HOSES 3363 LINES, HOSES & FITTINGS

Схема запчастей John Deere 7C ZTS - 573 - CONTROL VALVE TO ROTARY MANIFOLD HOSES 3363 LINES, HOSES & FITTINGS
FIT
1:1
100%

Артикул

Название

Примечание

Количество

0

R29424

Flange Fitting

(SUB FOR 986910)

8шт.

1

T59014

O-Ring

(SUB FOR 971489)

4шт.

2

19M7576

Screw

(SUB FOR J781030)

16шт.

4

4189539

Adapter Fitting

2шт.

AT318035

O-Ring

(SUB FOR 4506424)

1шт.

5

T77858

O-Ring

(SUB FOR 4187308)

4шт.

10

A853166

Adapter Fitting

2шт.

AT318035

O-Ring

(SUB FOR 4506424)

1шт.

12

Hydraulic Hose

( 9199899 NLA)

1шт.

12A

4442770

Hydraulic Hose - Fabricate

1шт.

12B

Hose Guard

(MAKE FROM XHG-075 CTL) ( 4327294 NLA)

2шт.

13

Hydraulic Hose

( 9199898 NLA)

1шт.

13A

4425880

Hydraulic Hose - Fabricate

1шт.

13B

Hose Guard

(MAKE FROM XHG-075 CTL) ( 4327294 NLA)

2шт.

14

Hydraulic Hose

( 9206184 NLA)

1шт.

14A

4466483

Hydraulic Hose - Fabricate

1шт.

14B

Hose Guard

(MAKE FROM XHG-075 CTL) ( 4327294 NLA)

2шт.

15

Hydraulic Hose

( 9026185 NLA)

1шт.

15A

4425857

Hydraulic Hose - Fabricate

1шт.

15B

Hose Guard

(MAKE FROM XHG-075 CTL) ( 4327294 NLA)

2шт.

Выбрано товаров: 20