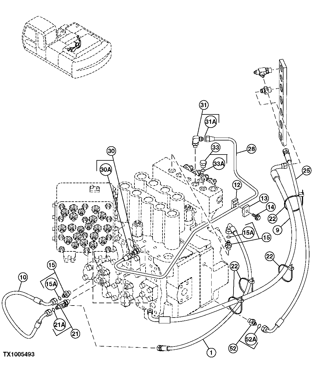
Запчасти John Deere 7C ZTS 585 - PILOT LINES AND HOSES (RESERVOIR TO SIGNAL MANIFOLD, CONTROL VALVE) 3363 LINES, HOSES & FITTINGS

Схема запчастей John Deere 7C ZTS - 585 - PILOT LINES AND HOSES (RESERVOIR TO SIGNAL MANIFOLD, CONTROL VALVE) 3363 LINES, HOSES & FITTINGS
FIT
1:1
100%

Артикул

Название

Примечание

Количество

1

4427127

Hydraulic Hose

1шт.

9

4437950

Hydraulic Hose

1шт.

10

4427351

Hydraulic Hose

1шт.

12

9735305

Clamp

(SUB FOR AP33637)

1шт.

13

9735306

Clamp

(SUB FOR AP33638)

1шт.

14

19M7163

Cap Screw

M8 X 25

1шт.

15

A852122

Adapter Fitting

3шт.

15A

M800650

Packing

3шт.

21

A852422

Tee Fitting

1шт.

21A

M800650

Packing

1шт.

22

H77698

Tie Band

4шт.

25

4444735

Hydraulic Hose

1шт.

28

3091686

Oil Line

1шт.

30

4255304

Fitting

(SUB FOR AT155270)

1шт.

30A

M800650

Packing

1шт.

31

4293950

Fitting

(SUB FOR AT160584)

1шт.

31A

M800650

Packing

1шт.

33

A885002

Plug

2шт.

33A

M800650

Packing

1шт.

52

A852122

Adapter Fitting

(SUB FOR TH108328)

1шт.

52A

M800650

Packing

1шт.

Выбрано товаров: 21