Запчасти John Deere 7C ZTS 596 - SINGLE FUNCTION PILOT PLUMBING 3363 LINES, HOSES & FITTINGS

Схема запчастей John Deere 7C ZTS - 596 - SINGLE FUNCTION PILOT PLUMBING 3363 LINES, HOSES & FITTINGS
FIT
1:1
100%

Артикул

Название

Примечание

Количество

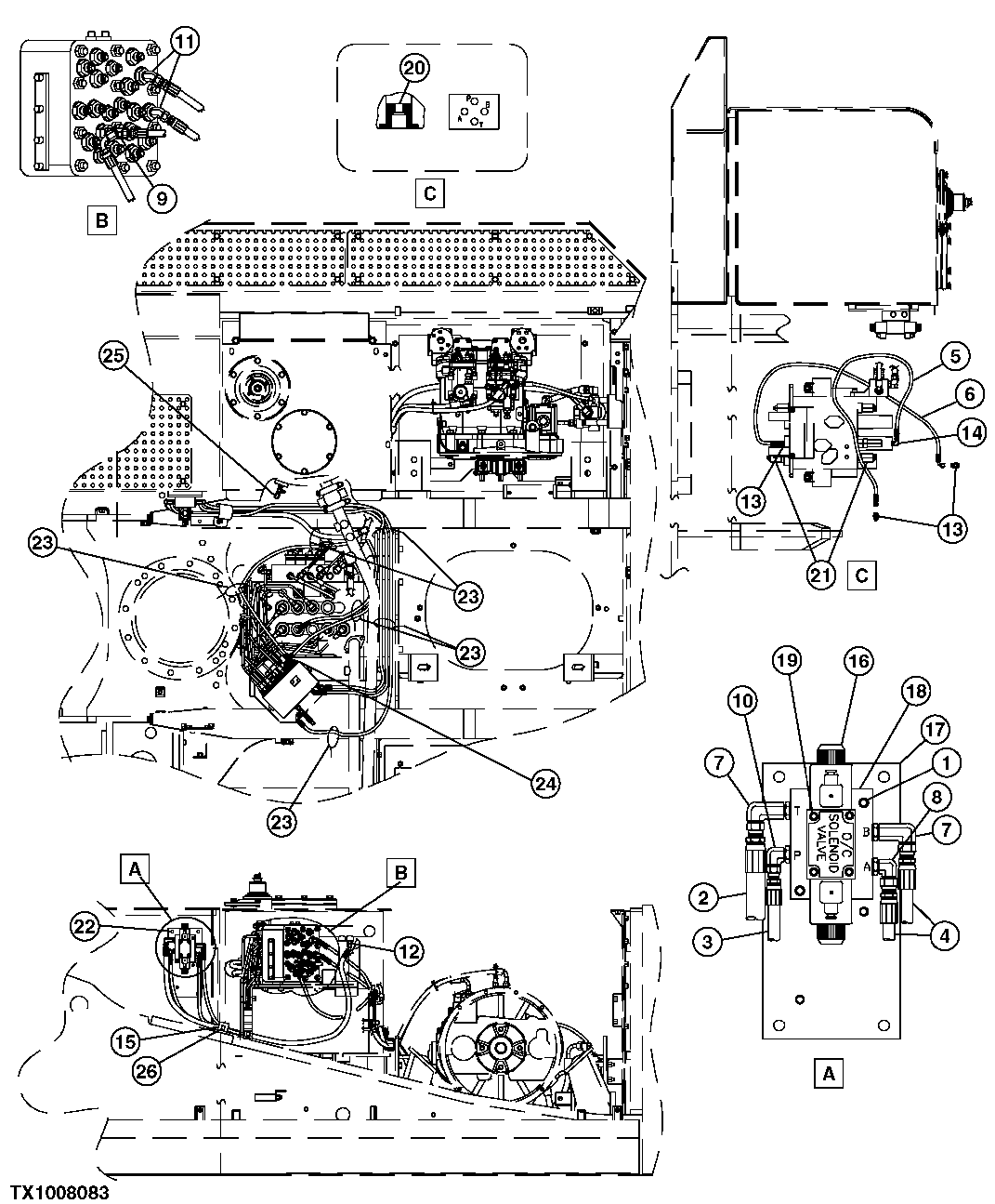
1

19M8713

Screw

M6 X 45

2шт.

2

FFSB111362

Hydraulic Hose

1шт.

3

FFSB110026

Hydraulic Hose

1шт.

4

FFSB110027

Hydraulic Hose

2шт.

5

FFSB104944

Hydraulic Hose

1шт.

6

FFSB110029

Hydraulic Hose

1шт.

7

FFSB109448

Adapter Fitting

2шт.

8

X8C5OX-S

Elbow Fitting

1шт.

9

AT36921

Tee Fitting

1шт.

10

X6-8C5OX-S

Elbow Fitting

1шт.

11

4190244

Elbow Fitting

2шт.

12

4190243

Adapter Fitting

1шт.

13

X6-6F4OMXS

Adapter Fitting

3шт.

14

AT126458

Elbow Fitting

1шт.

15

FFSB110137

Clamp

1шт.

16

FFSB102383

Solenoid Valve

1шт.

17

FFSB110138

Plate

1шт.

18

FFSB102547

Plate

1шт.

19

19H3070

Screw

0.190" X 1-1/4" ( FFSB102861 NLA)

4шт.

20

FFSB106319

Orifice

2шт.

21

4228353

Pressure Relief Valve

2шт.

22

J020825

Cap Screw

4шт.

23

H77698

Tie Band

7шт.

24

4451789

Pipe Plug

1шт.

25

X4FNTX-S

Fitting

1шт.

26

J021025

Cap Screw

1шт.

Выбрано товаров: 26