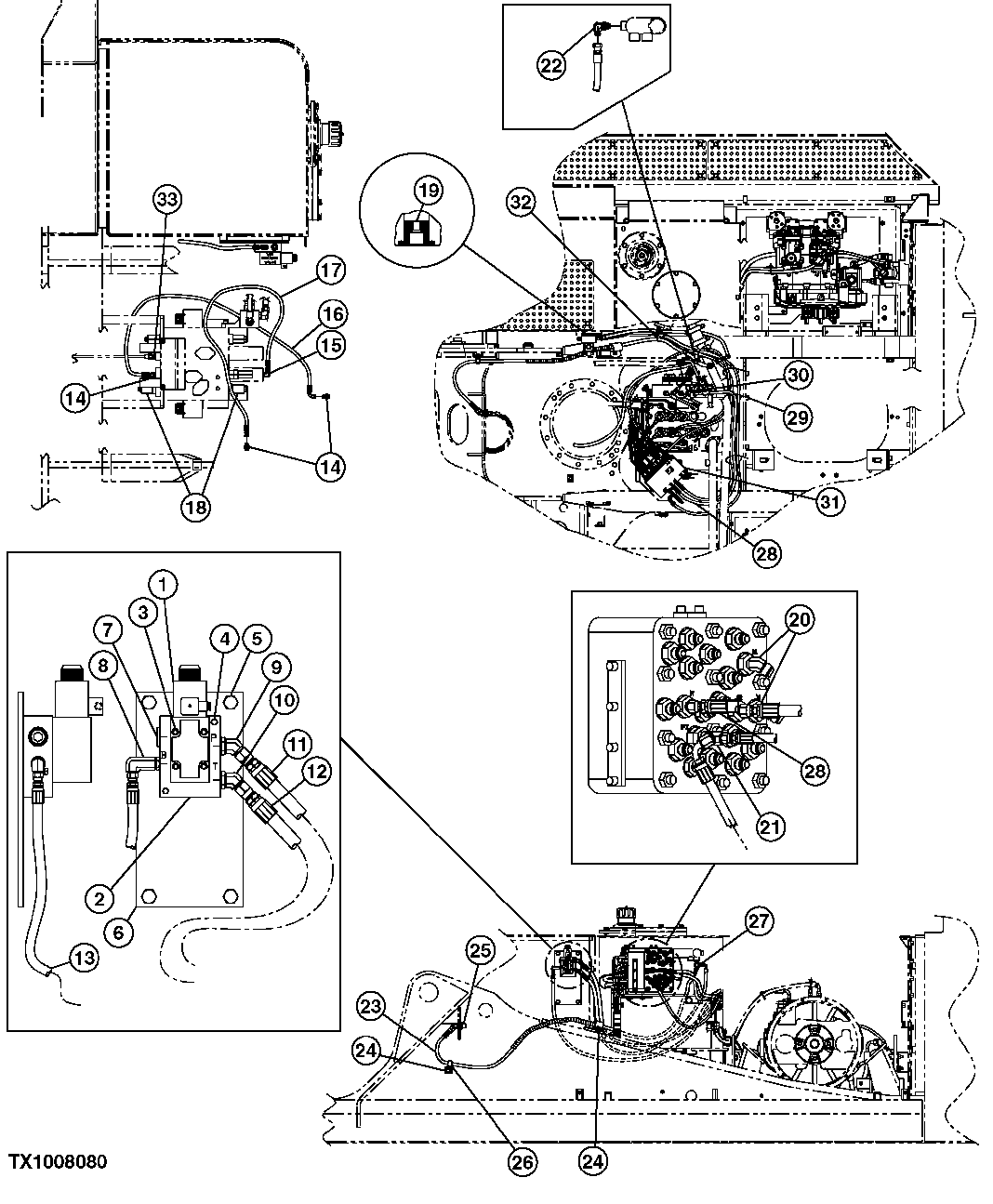
Запчасти John Deere 7C ZTS 601 - VALVE IN HEAD PILOT PLUMBING 3363 LINES, HOSES & FITTINGS

Схема запчастей John Deere 7C ZTS - 601 - VALVE IN HEAD PILOT PLUMBING 3363 LINES, HOSES & FITTINGS
FIT
1:1
100%

Артикул

Название

Примечание

Количество

1

FFSB102545

Solenoid Valve

1шт.

2

FFSB102547

Plate

1шт.

3

19H3070

Screw

0.190" X 1-1/4" ( FFSB102861 NLA)

4шт.

4

19M8713

Screw

M6 X 45

2шт.

5

19M7407

Cap Screw

M8 X 25

6шт.

6

FFSB110138

Plate

1шт.

7

X8HP5ON-S

Fitting Plug

(SUB FOR FFSB105066)

1шт.

8

AH61439

Elbow Fitting

1шт.

9

AN113929

Elbow Fitting

1шт.

10

X8V5OX-S

Adapter Fitting

(SUB FOR FFSB103646)

1шт.

11

FFSB110026

Hydraulic Hose

1шт.

12

FFSB110038

Hydraulic Hose

1шт.

13

FFSB110036

Hydraulic Hose

1шт.

14

FFSB105049

Fitting

3шт.

15

AT126458

Elbow Fitting

1шт.

16

FFSB110029

Hydraulic Hose

1шт.

17

FFSB104944

Hydraulic Hose

1шт.

18

4228353

Pressure Relief Valve

2шт.

19

FFSB106319

Orifice

2шт.

20

4190244

Elbow Fitting

2шт.

21

AT36921

Tee Fitting

1шт.

22

X6-6C4OMXS

Elbow Fitting

1шт.

23

FFSB111636

Hydraulic Hose

2020 mm, (CTL) (SUB FOR FFSB111635)

1шт.

XHG-075

Hose Guard

400 mm, (CTL) (SUB FOR F FSB110208 AND FFSB108096)

1шт.

24

19M7402

Cap Screw

M10 X 25

2шт.

12M7066

Lock Washer

10 mm

2шт.

24M7028

Washer

10.500 X 20 X 2 mm

2шт.

25

38H1321

Elbow Fitting

1шт.

26

XCL-14

Hose Clamp

(SUB FOR FFSB104506)

2шт.

27

X8R4OMXS

Tee Fitting

(SUB FOR FFSB110192)

1шт.

28

FFSB110037

Hydraulic Hose

1шт.

29

R44302

Tie Band

(SUB FOR FFSB108110)

ARшт.

30

X4-4F4OMXS

Adapter Fitting

(SUB FOR FFSB103515)

1шт.

31

4451789

Pipe Plug

(SUB FOR FFSB110896)

1шт.

32

X4FNTX-S

Fitting

(SUB FOR FFSB110895)

1шт.

33

FFSB114056

Adapter Fitting

1шт.

CH11570

O-Ring

(SUB FOR FFSB114196)

1шт.

Выбрано товаров: 37