Запчасти John Deere 7C ZTS 602 - VALVE IN HEAD FLOAT VALVE HOSES 3363 LINES, HOSES & FITTINGS

Схема запчастей John Deere 7C ZTS - 602 - VALVE IN HEAD FLOAT VALVE HOSES 3363 LINES, HOSES & FITTINGS
FIT
1:1
100%

Артикул

Название

Примечание

Количество

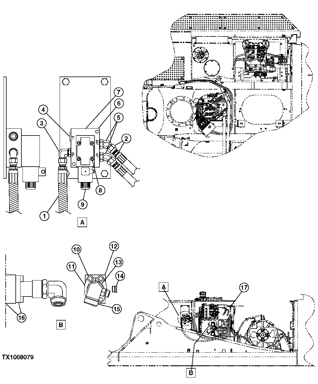
1

FFSB110034

Hydraulic Hose

(CUT TO 1325MM LENGTH) (SUB FOR FFSB110201)

1шт.

XHG-075

Hose Guard

(CUT TO 1200MM LENGTH) (SUB F OR FFSB110201 AND FFSB110202)

1шт.

2

FFSB111709

Hydraulic Hose

2шт.

3

X8C5OX-S

Elbow Fitting

1шт.

4

X8HP5ON-S

Fitting Plug

(SUB FOR FFSB105066)

1шт.

5

X6-8V5OLO-S

Elbow Fitting

(SUB FOR FFSB106597)

2шт.

6

19M8713

Screw

M6 X 45 (SUB FOR FFSB110136)

2шт.

7

FFSB103785

Plate

1шт.

8

19H3070

Screw

0.190" X 1-1/4" ( FFSB102861 NLA)

4шт.

9

FFSB103786

Check Valve

1шт.

10

19M8339

Screw

M10 X 55

8шт.

11

H61354

Flange Fitting

4шт.

12

FFSB111708

Adapter Fitting

2шт.

13

FFSB102168

Adapter Fitting

2шт.

14

X6HP5ON-S

Fitting Plug

(SUB FOR FFSB111707)

2шт.

15

Adapter Fitting

( FFSB107329 NLA)

2шт.

X16C5OLO-S

Elbow Fitting

(SUB FOR FFSB103495)

2шт.

X6F5OLO-S

Adapter Fitting

(SUB FOR FFSB106529)

2шт.

16

T78313

O-Ring

2шт.

17

X8R4OMXS

Tee Fitting

1шт.

Выбрано товаров: 20