Запчасти John Deere 7C ZTS 603 - HEELER GRAPPLE ROTATE HOSES AND SOLENOID VALVE 3363 LINES, HOSES & FITTINGS

Схема запчастей John Deere 7C ZTS - 603 - HEELER GRAPPLE ROTATE HOSES AND SOLENOID VALVE 3363 LINES, HOSES & FITTINGS
FIT
1:1
100%

Артикул

Название

Примечание

Количество

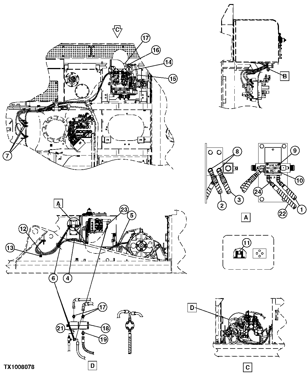
1

FFSB110033

Hydraulic Hose

(CUT TO 2050MM LENGTH) (SUB FOR FFSB110204)

1шт.

XHG-075

Hose Guard

(CUT TO 1900MM LENGTH) (SUB FOR FFSB110204)

1шт.

2

FFSB110031

Hydraulic Hose

(CUT TO 1298MM LENGTH) (SUB FOR FFSB110209)

1шт.

XHG-075

Hose Guard

(CUT TO 400MM LENGTH) (SUB FOR FFSB110209)

1шт.

3

FFSB110032

Hydraulic Hose

(CUT TO 1118MM LENGTH) (SUB FOR FFSB110210)

1шт.

XHG-075

Hose Guard

(CUT TO 400MM LENGTH) (SUB FOR FFSB110210)

1шт.

4

FFSB111636

Hydraulic Hose

(CUT TO 2020MM LENGTH) (SUB FOR FFSB111635)

1шт.

XHG-075

Hose Guard

(CUT TO 400MM LENGTH) (SUB FOR FFSB111635)

1шт.

5

F026126

Hose Support

(SUB FOR FFSB105404)

1шт.

6

H77698

Tie Band

1шт.

7

38H1321

Elbow Fitting

3шт.

8

X8V5OLO-S

Elbow Fitting

(SUB FOR FFSB103644)

3шт.

9

FFSB102384

Solenoid Hydraulic Valve

1шт.

10

19H3070

Screw

0.190" X 1-1/4" ( FFSB102861 NLA)

4шт.

11

FFSB104023

Orifice

2шт.

12

FFSB110137

Clamp

1шт.

13

J021025

Cap Screw

1шт.

14

FFSB107458

Hydraulic Hose

1шт.

15

FFSB107457

Hydraulic Hose

1шт.

16

38H1033

Tee Fitting

1шт.

17

A853166

Adapter Fitting

(SUB FOR 4189619)

3шт.

18

9218033

Pump

(SUB FOR 4278696)

1шт.

19

PMH1673

Adapter Fitting

( FFSB102389 NLA)

1шт.

21

4506418

O-Ring

1шт.

22

FFSB110034

Hydraulic Hose

(SUB FOR FFSB110201)

1шт.

XHG-075

Hose Guard

(SUB FOR FFSB110202)

1шт.

23

X8R4OMXS

Tee Fitting

(SUB FOR FFSB110192)

1шт.

24

X8V5OX-S

Elbow Fitting

(SUB FOR FFSB103646)

1шт.

Выбрано товаров: 28