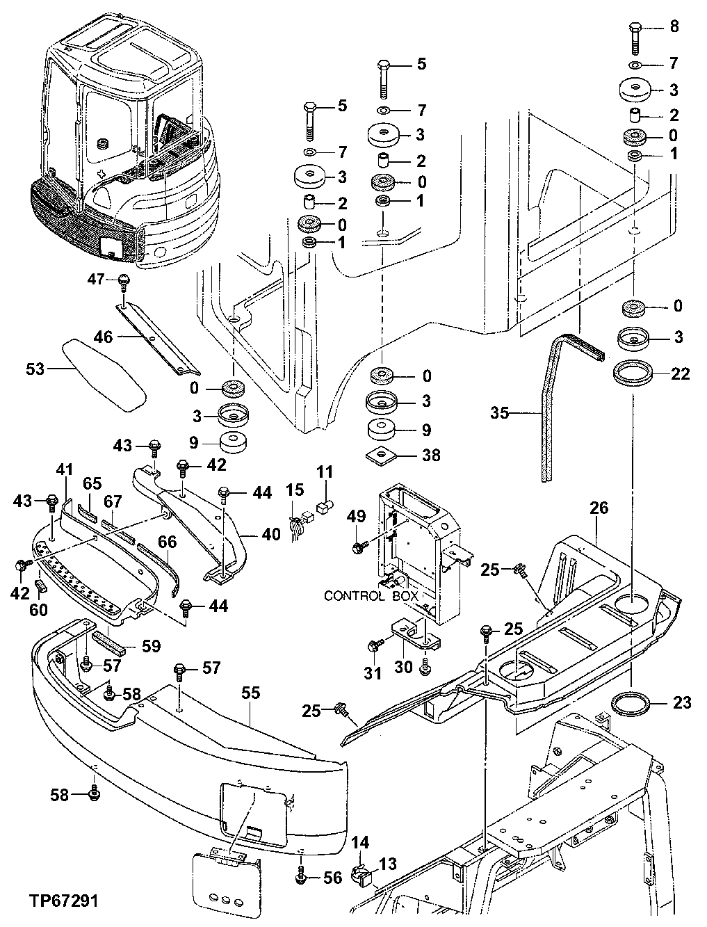
Запчасти John Deere 7ZTS 79 - CAB PARTS 1810 Operator Enclosure

Схема запчастей John Deere 7ZTS - 79 - CAB PARTS 1810 Operator Enclosure
FIT
1:1
100%

Артикул

Название

Примечание

Количество

0

4200084

Isolator

(SUB FOR TH108603)

8шт.

1

4200085

Isolator

(SUB FOR TH108604)

4шт.

2

4200086

Spacer

19.400 X 27.200 X 33 mm (0.764" X 1.071" X 1.299") (SUB FOR TH108605)

4шт.

3

4203878

Stop

(SUB FOR TH109653)

8шт.

5

19M8020

Cap Screw

M16 X 100

2шт.

7

24M7053

Washer

17 X 30 X 3 mm

4шт.

8

19M7417

Cap Screw

M16 X 65

2шт.

9

4409659

Spacer

(SUB FOR TH4409659)

2шт.

11

4392691

Wiring Harness

(SUB FOR TH4392691)

1шт.

13

4375828

Clip

(SUB FOR TH4375828)

1шт.

14

R44302

Tie Band

(SUB FOR TH4326365)

1шт.

15

H77698

Tie Band

3шт.

22

4416049

Seal

(SUB FOR TH4416049)

2шт.

23

4416050

Seal

(SUB FOR AT258397)

2шт.

25

19M7881

Screw

M8 X 20

6шт.

24M7055

Washer

8.400 X 16 X 1.600 mm

6шт.

12M7056

Lock Washer

8 mm

6шт.

26

4615662

Cover

(SUB FOR 4428511, TH4428511)

1шт.

30

4418994

Bracket

(SUB FOR TH4418994)

1шт.

31

19M7932

Cap Screw

M8 X 16

2шт.

24M7055

Washer

8.400 X 16 X 1.600 mm

2шт.

12M7056

Lock Washer

8 mm

2шт.

35

4427491

Isolator

(SUB FOR TH4427491)

1шт.

38

4427494

Washer

(SUB FOR TH4427494)

1шт.

40

7037424

Cover

(SUB FOR TH7037424)

1шт.

41

Cover

( 7038519 NLA), (SUB FOR TH7038519)

1шт.

42

19M7881

Screw

M8 X 20

4шт.

24M7055

Washer

8.400 X 16 X 1.600 mm

4шт.

12M7056

Lock Washer

8 mm

4шт.

43

19M8008

Cap Screw

M8 X 35

2шт.

24M7055

Washer

8.400 X 16 X 1.600 mm

2шт.

12M7056

Lock Washer

8 mm

2шт.

44

19M7932

Cap Screw

M8 X 16

2шт.

12M7056

Lock Washer

8 mm

2шт.

46

4429229

Plate

(SUB FOR TH4429229)

1шт.

47

19M8425

Cap Screw

M6 X 16

3шт.

24M7267

Washer

6.400 X 11 X 1.600 mm

6шт.

12M7006

Lock Washer

6 mm

3шт.

49

19M7932

Cap Screw

M8 X 16

1шт.

24M7055

Washer

8.400 X 16 X 1.600 mm

1шт.

12M7056

Lock Washer

8 mm

1шт.

53

H21259

Mat

(ANTI-SKID) (TRIM TO FIT)

1шт.

55

6019164

Cover

(SUB FOR TH6019164)

1шт.

56

19M8008

Cap Screw

M8 X 35

1шт.

24M7055

Washer

8.400 X 16 X 1.600 mm

1шт.

12M7056

Lock Washer

8 mm

1шт.

57

19M7881

Screw

M8 X 20

2шт.

24M7055

Washer

8.400 X 16 X 1.600 mm

2шт.

12M7056

Lock Washer

8 mm

2шт.

58

19M7407

Cap Screw

M8 X 25

2шт.

24M7055

Washer

8.400 X 16 X 1.600 mm

2шт.

12M7056

Lock Washer

8 mm

2шт.

59

4431483

Seal

(SUB FOR TH4431483)

1шт.

60

4431484

Seal

(SUB FOR TH4431484)

1шт.

65

4433641

Isolator

(SUB FOR TH4433641)

1шт.

66

4433642

Isolator

(SUB FOR TH4433642)

1шт.

67

4433643

Isolator

(SUB FOR TH4433643)

1шт.

Выбрано товаров: 57