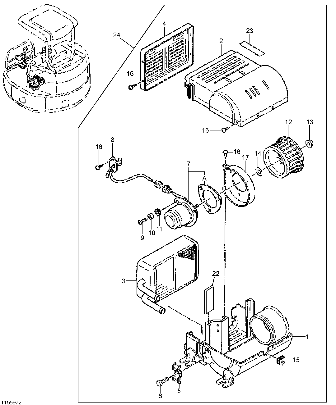
Запчасти John Deere 7ZTS 84 - HEATER AND BLOWER ASSEMBLY 1830 HEATING AND AIR CONDITIONING

Схема запчастей John Deere 7ZTS - 84 - HEATER AND BLOWER ASSEMBLY 1830 HEATING AND AIR CONDITIONING
FIT
1:1
100%

Артикул

Название

Примечание

Количество

1

4445784

Case

1шт.

TH4466572

Case

1шт.

2

4445785

Case

1шт.

TH4466573

Case

1шт.

3

4445786

Core

1шт.

4466649

Core

(SUB FOR TH4466649)

1шт.

4

4329853

Cover

1шт.

5

4329856

Clamp

1шт.

6

4329857

Bolt

1шт.

7

4446212

Motor

1шт.

7A

4448098

Cushion

1шт.

8

4473598

Mounting Parts

1шт.

4446679

Mounting Parts

1шт.

9

4445788

Screw

3шт.

10

4445789

Bushing

3шт.

11

4445790

Bushing

3шт.

12

4329854

Fan

(SUB FOR AT173503)

1шт.

13

4329864

Nut

(SUB FOR AT173513)

1шт.

4236450

Nut

(SUB FOR 4329864)

1шт.

14

4329865

Washer

(SUB FOR AT173514)

1шт.

15

4329869

Bushing

(SUB FOR AT173518)

1шт.

16

37M7060

Screw

M4 X 10 (SUB FOR AT173519 OR 4329870)

11шт.

17

4445794

Plate

1шт.

22

4329872

Packing

(SUB FOR AT173521)

1шт.

23

4446685

Plate

1шт.

24

4464959

Heater

(SUB FOR AT251207, TH4464959)

1шт.

Выбрано товаров: 26