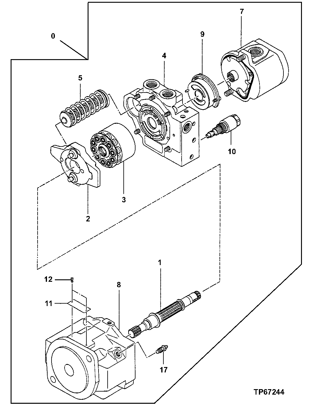
Запчасти John Deere 7ZTS 96 - Main Hydraulic Pump Components 2160 Vehicle Hydraulics

Схема запчастей John Deere 7ZTS - 96 - Main Hydraulic Pump Components 2160 Vehicle Hydraulics
FIT
1:1
100%

Артикул

Название

Примечание

Количество

0

4475217

Hydraulic Pump

(SUB FOR 4415266)(PUMP S ERIAL NUMBER -119581)

1шт.

4475217

Hydraulic Pump

(PUMP SERIAL NUMBER 119582- )

1шт.

1

Shaft

(SEE SEPARATE PAGE FOR DETAIL)

1шт.

2

4438456

Hanger

(HANGER PART)

1шт.

3

4438457

Rotary Switch

(ROTARY GROUP)

1шт.

4

Cover

( 4438458 NLA)

1шт.

5

Cover

(SEE SEPARATE PAGE FOR DETAIL)

1шт.

7

4438459

Hydraulic Pump

1шт.

8

Housing

( 4438460 NLA)

1шт.

9

4468226

Pump

1шт.

10

4438462

Pressure Relief Valve

(SUB FOR TH4438462)

1шт.

11

Identification Plate

1шт.

12

Screw

2шт.

17

0747401

Flow Control Hyd. Valve

1шт.

Выбрано товаров: 14