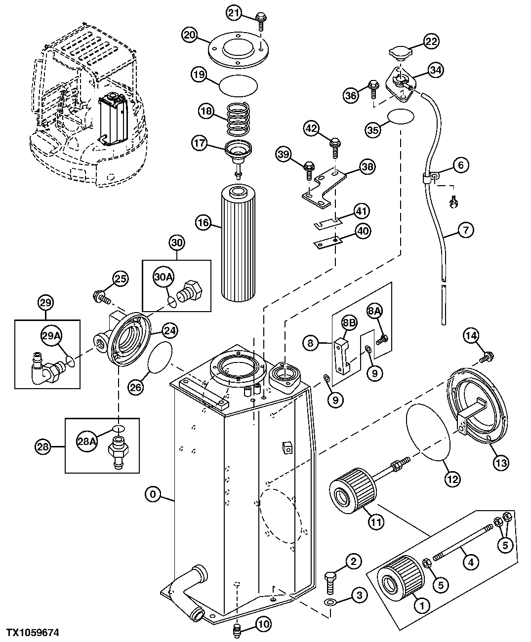
Запчасти John Deere 7ZTS 105 - OIL TANK 2160 Vehicle Hydraulics

Схема запчастей John Deere 7ZTS - 105 - OIL TANK 2160 Vehicle Hydraulics
FIT
1:1
100%

Артикул

Название

Примечание

Количество

0

6018205

Hydraulic Reservoir

SUB FOR TH6018205

1шт.

1

4692229

Filter Element

SUB FOR 4440320

1шт.

2

19M7403

Cap Screw

M12 X 35

4шт.

3

24M7047

Washer

13 X 24 X 2.500 mm

4шт.

4

4440321

Rod

1шт.

5

14M7274

Nut

M10

3шт.

6

M45242

Clip

SUB FOR TH108321, SUB FOR 4190292

1шт.

7

Hose

TH4378545 NOT AVAILABLE FOR SERVICE, FU RNISH A58818 BULK MATERIAL CUT TO 900 MM

1шт.

8

8050296

Level Gauge

SUB FOR AT251561

1шт.

8A

4100967

Bolt

SUB FOR TH101894

2шт.

8B

Level Gauge

3118238 NLA

1шт.

9

449558

Washer

SUB FOR TH100675

4шт.

10

94-2023

Fitting Plug

SUB FOR TH100667

1шт.

11

Filter

4416310 NLA SUB FOR TH4416310

1шт.

12

TH100679

O-Ring

159.300 X 5.700 mm (6.272" X 0.224")

1шт.

13

8075499

Cover

SUB FOR TH8075499

1шт.

14

19M7402

Cap Screw

M10 X 25

6шт.

12M7066

Lock Washer

10 mm

6шт.

16

AT308568

Filter Element

SUB FOR TH100661 OR TH111011, SU B FOR 4225846, ALSO ORDER A810165

1шт.

17

4094438

Flow Control Hyd. Valve

SUB FOR TH100663

1шт.

18

4094439

Spring

SUB FOR TH100664

1шт.

19

T110443

O-Ring

109.400 X 3.100 mm (4.307" X 0.122")

1шт.

A810165

O-Ring

USE WITH AT308568 FILTER

1шт.

20

3085238

Cover

SUB FOR TH3085238

1шт.

21

19M7938

Cap Screw

M10 X 20

4шт.

12M7066

Lock Washer

10 mm

4шт.

22

4272375

Filler Cap

SUB FOR AT251180

1шт.

24

4402484

Manifold

SUB FOR TH4402484

1шт.

25

19M7662

Cap Screw

M10 X 30

4шт.

24M7096

Washer

10.500 X 18 X 1.600 mm

4шт.

12M7066

Lock Washer

10 mm

4шт.

26

T110443

O-Ring

109.400 X 3.100 mm (4.307" X 0.122")

1шт.

28

4418635

Adapter Fitting

SUB FOR TH4418635

1шт.

28A

970860

O-Ring

37.700 X 3.500 mm (1-31/64" X 0.138") SUB FOR TH104634

1шт.

29

4276855

Elbow Fitting

SUB FOR TH4276855

1шт.

29A

TH101926

O-Ring

28.700 X 3.500 mm (1.130" X 0.138")

1шт.

30

A885008

Pipe Plug

SUB FOR 4113926 AND AT126200

1шт.

30A

TH101926

O-Ring

28.700 X 3.500 mm (1.130" X 0.138")

1шт.

34

9753769

Cover

SUB FOR TH9753769

1шт.

35

CH17154

Packing

1шт.

36

19M7938

Cap Screw

M10 X 20

2шт.

12M7066

Lock Washer

10 mm

2шт.

38

4429471

Bracket

SUB FOR TH4429471

1шт.

39

19M7402

Cap Screw

M10 X 25

2шт.

24M7096

Washer

10.500 X 18 X 1.600 mm

2шт.

12M7066

Lock Washer

10 mm

2шт.

40

4429487

Plate

SUB FOR TH4429487

1шт.

41

4429491

Shim

SUB FOR TH4429491

2шт.

42

19M7572

Cap Screw

M10 X 45

2шт.

24M7096

Washer

10.500 X 18 X 1.600 mm

2шт.

12M7066

Lock Washer

10 mm

2шт.

Выбрано товаров: 51