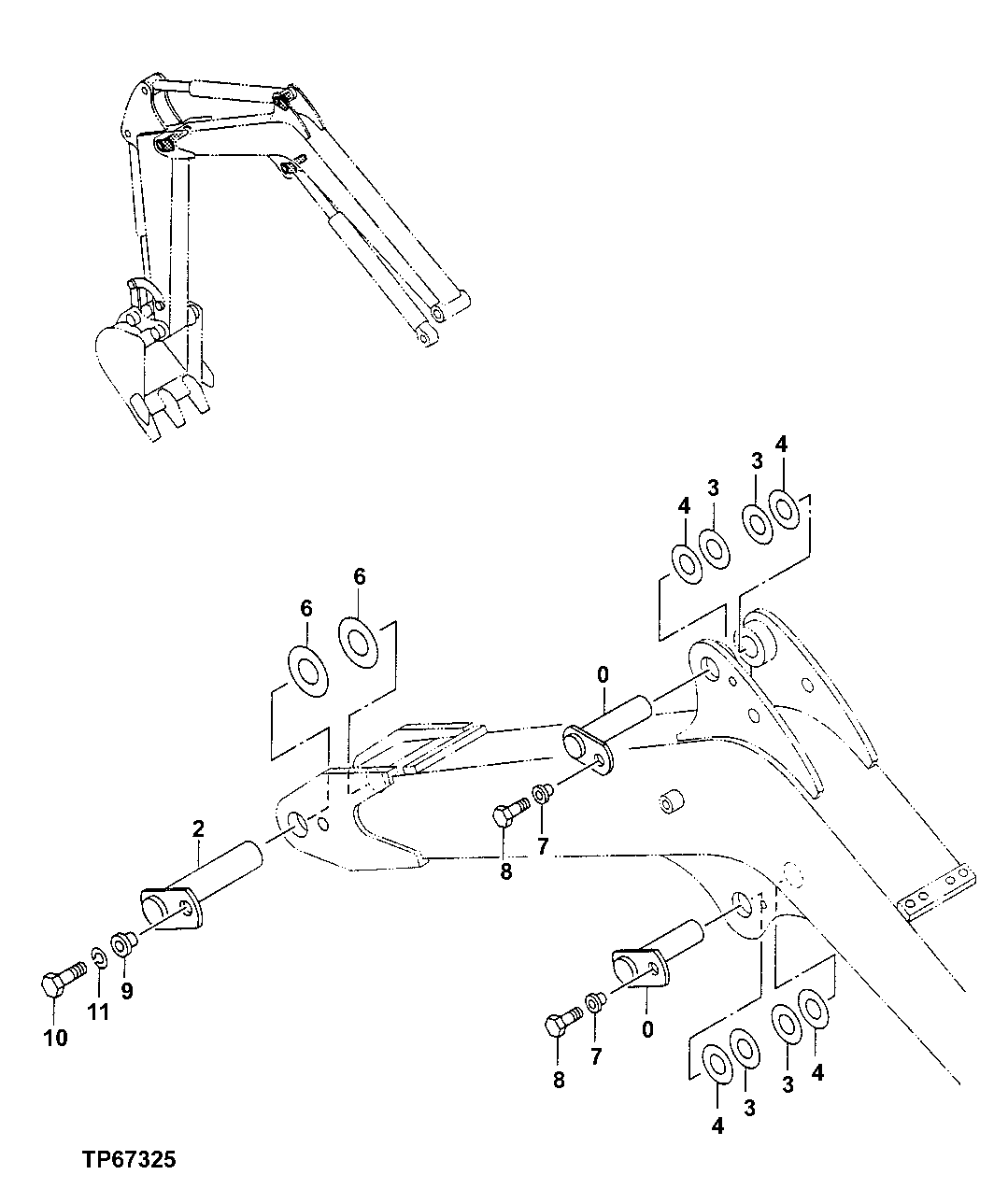
Запчасти John Deere 7ZTS 154 - BOOM SUPPORT 3344 Boom

Схема запчастей John Deere 7ZTS - 154 - BOOM SUPPORT 3344 Boom
FIT
1:1
100%

Артикул

Название

Примечание

Количество

0

9743082

Pin Fastener

(SUB FOR TH9743082)

2шт.

2

9744426

Pin Fastener

(SUB FOR TH9744426)

1шт.

3

4367635

Shim

(SUB FOR TH4367635)

4шт.

4

4367636

Shim

(SUB FOR TH4367636)

4шт.

6

4354256

Shim

(SUB FOR AT251259)

2шт.

7

4339354

Bushing

(SUB FOR TH4339354)

1шт.

8

19M8011

Cap Screw

M12 X 30

2шт.

9

4349716

Bushing

(SUB FOR TH4349716)

1шт.

10

19M7488

Cap Screw

M16 X 40

1шт.

11

12M7069

Lock Washer

16 mm

1шт.

Выбрано товаров: 10