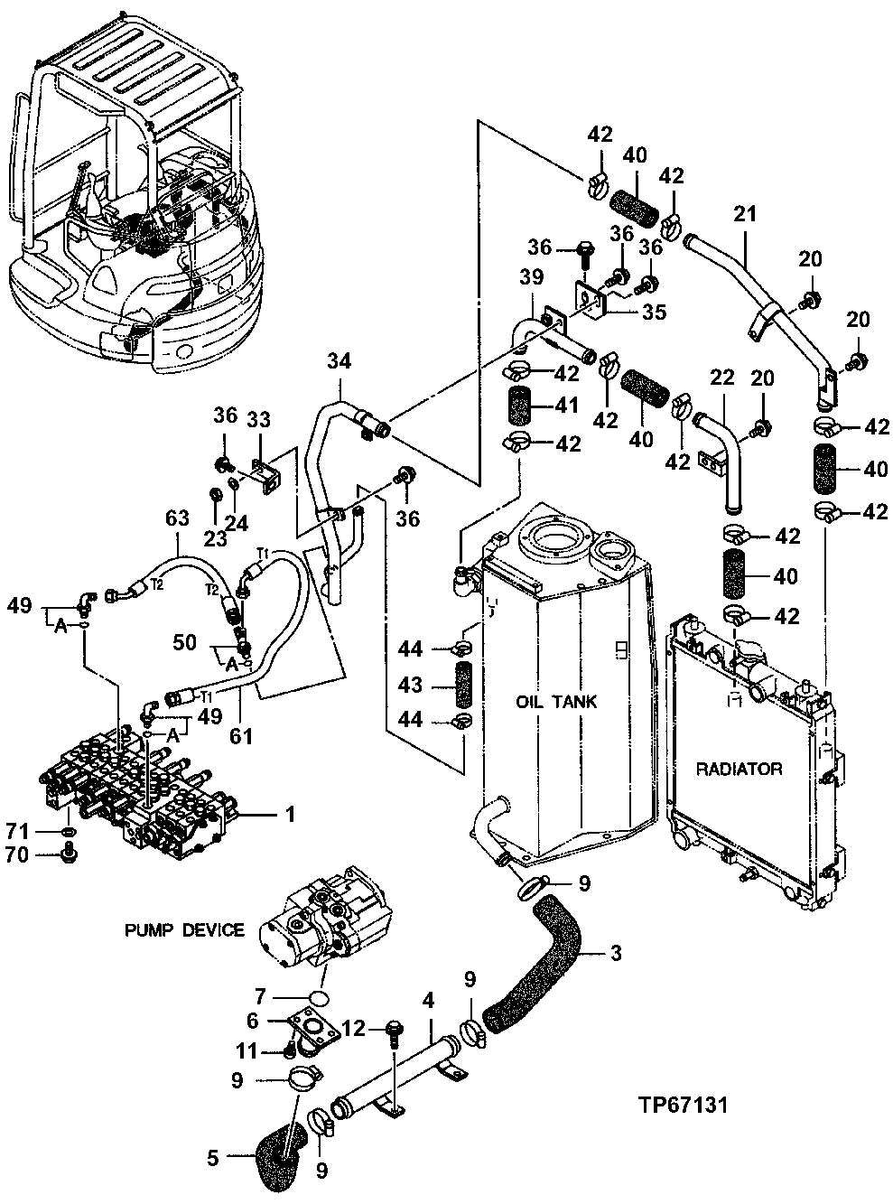
Запчасти John Deere 7ZTS 155 - Oil Cooler Piping 3360 HYDRAULIC SYSTEM

Схема запчастей John Deere 7ZTS - 155 - Oil Cooler Piping 3360 HYDRAULIC SYSTEM
FIT
1:1
100%

Артикул

Название

Примечание

Количество

1

Shut-Off Valve

(SUB FOR TH4429091 AND 4429091 )( 4449763 NO LONGER AVAILABLE)

1шт.

3

3085283

Hose

(SUB FOR TH3085283)

1шт.

4

8075555

Line

(SUB FOR TH8075555)

1шт.

5

3085282

Hose

(SUB FOR TH3085282)

1шт.

6

9752266

Line

(SUB FOR TH9752266)

1шт.

7

CH11436

O-Ring

49.400 X 3.100 mm (1.945" X 0.122")

1шт.

9

TY22470

Clamp

(SUB FOR AR65293)

4шт.

11

19M8168

Screw

M12 X 25

4шт.

12

19M7938

Cap Screw

M10 X 20

2шт.

24M7096

Washer

10.500 X 18 X 1.600 mm

2шт.

12M7066

Lock Washer

10 mm

2шт.

20

19M7881

Screw

M8 X 20

4шт.

24M7055

Washer

8.400 X 16 X 1.600 mm

4шт.

12M7056

Lock Washer

8 mm

4шт.

21

8077126

Line

(SUB FOR TH8077126)

1шт.

22

9753131

Line

(SUB FOR TH9753131)

1шт.

23

14M7273

Nut

M8

1шт.

24

12M7036

Lock Plate

1шт.

33

4429514

Bracket

(SUB FOR TH4429514)

1шт.

34

8075938

Line

(SUB FOR TH8075938)

1шт.

35

4419363

Bracket

(SUB FOR TH4419363)

1шт.

36

19M7881

Screw

M8 X 20

5шт.

24M7055

Washer

8.400 X 16 X 1.600 mm

5шт.

12M7056

Lock Washer

8 mm

5шт.

39

8076186

Line

(SUB FOR TH8076186)

1шт.

40

4120247

Hose

(SUB FOR AT251162)

4шт.

41

4120247

Hose

(SUB FOR 4418644)

1шт.

42

TY22467

Clamp

10шт.

43

4075008

Hose

(SUB FOR AT251157)

1шт.

44

TY22467

Clamp

2шт.

49

4037760

Elbow Fitting

(SUB FOR AT251156)

2шт.

49A

4506418

O-Ring

17.800 X 2.400 mm (0.701" X 3/32") (SUB FOR U46489)

1шт.

50

4368220

Tee Fitting

(SUB FOR TH4368220)

1шт.

50A

4506418

O-Ring

17.800 X 2.400 mm (0.701" X 3/32") (SUB FOR U46489)

1шт.

61

4427898

Hydraulic Hose

(T1) (SUB FOR TH4427898)

1шт.

63

4427899

Hydraulic Hose

(T2) (SUB FOR TH4427899)

1шт.

70

19M7402

Cap Screw

M10 X 25

4шт.

12M7066

Lock Washer

10 mm

4шт.

71

24M7096

Washer

10.500 X 18 X 1.600 mm

4шт.

Выбрано товаров: 39