Запчасти John Deere 90D 68 - DECALS ( - 001436) 1320 VEHICLE FINISH AND TRIM

Схема запчастей John Deere 90D - 68 - DECALS ( - 001436) 1320 VEHICLE FINISH AND TRIM
FIT
1:1
100%

Артикул

Название

Примечание

Количество

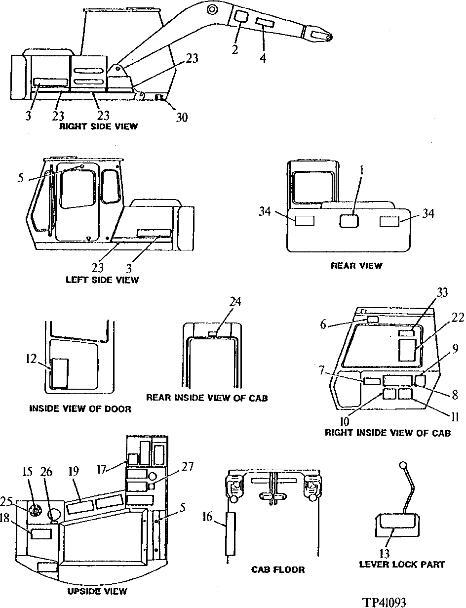
1

JD5626

Label

(K) LEAPING DEER

1шт.

2

JD5625

Label

(K) LEAPING DEER

2шт.

3

JD5645

Label

(K) JOHN DEERE

2шт.

4

Label

(K) 1014513 NLA, SUB FOR T121716, MODEL

2шт.

5

T119535

Label

(K) (SUB FOR TH101411)(BUMPER)

4шт.

6

T146668

Safety Sign

(SUB FOR T107627)WARNING

1шт.

T148908

Safety Sign

(K2) (WARNING - FRENCH)

1шт.

T148905

Safety Sign

(K3) (WARNING - SPANISH)

1шт.

7

4257114

Label

(SUB FOR T130516)SAE OPERATION

1шт.

4257092

Label

(SUB FOR T130517)JD OPERATION

1шт.

8

T146666

Safety Sign

(SUB FOR T107624, T116769 OR T138 801 OR T138835)(CAUTION - ENGLISH)

1шт.

T148911

Safety Sign

(K2) (CAUTION - FRENCH)

1шт.

T148907

Safety Sign

(K3) (CAUTION - SPANISH)

1шт.

9

T114427

Label

HEATER DOOR

1шт.

10

T146667

Safety Sign

(SUB FOR T114392)(DANGER - ELECTROCUTION)

1шт.

T148910

Safety Sign

(K2) (DANGER - ELECTROCUTION - FRENCH)

1шт.

T148906

Safety Sign

(K3) (DANGER - ELECTROCUTION - SPANISH)

1шт.

11

T107623

Label

ENGINE STOP - START

1шт.

T114677

Label

(K2) (ENGINE STOP - START - FRENCH)

1шт.

T153488

Label

(K3) (ENGINE STOP - START - SPANISH)

1шт.

12

2028791

Label

(K) (SUB FOR T121717)(LUBRIC ATION - PERIODIC MAINTENANCE)

1шт.

T153575

Label

(K2) (LUBRICATION - PERIO DIC MAINTENANCE - FRENCH)

1шт.

T153587

Label

(K3) (LUBRICATION - PERIO DIC MAINTENANCE - SPANISH)

1шт.

13

T114690

Label

LEVER LOCK

1шт.

15

T146671

Safety Sign

(K) (SUB FOR T114744 OR T 114488)RADIATOR CAP CAUTION

1шт.

T153424

Label

(K2) (RADIATOR CAP - CAUTION - FRENCH)

1шт.

T153396

Safety Sign

(K3) (RADIATOR CAP - CAUTION - SPANISH)

1шт.

Kit

( AT130847 NLA) (REPAINT KI T INCLUDES PARTS MARKED (K))

1шт.

Выбрано товаров: 28