Запчасти John Deere 90D 69 - DECALS ( - 001436) 1320 VEHICLE FINISH AND TRIM

Схема запчастей John Deere 90D - 69 - DECALS ( - 001436) 1320 VEHICLE FINISH AND TRIM
FIT
1:1
100%

Артикул

Название

Примечание

Количество

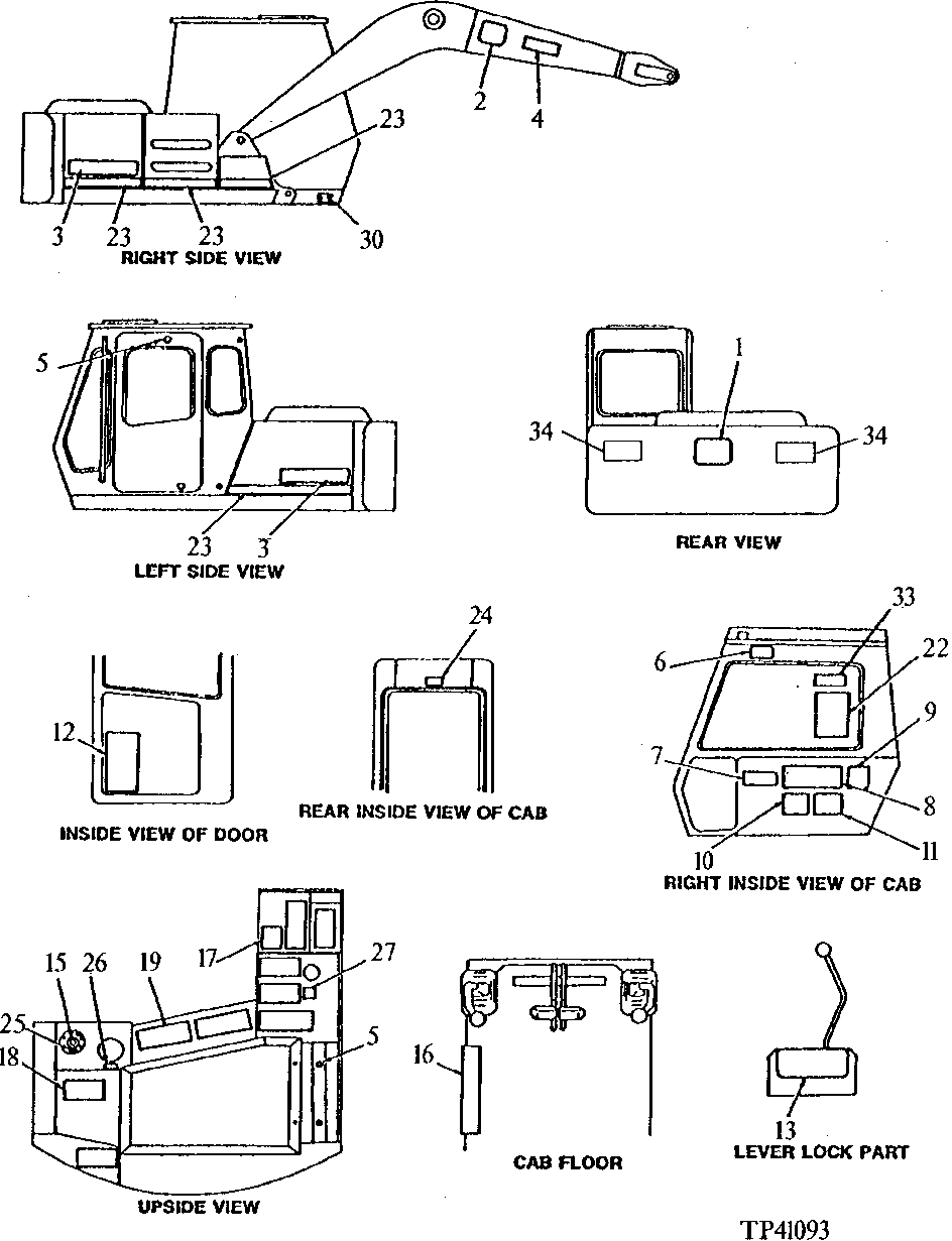
16

4240117

Mat

(K) (SUB FOR TH111895)ANTI-SKID

1шт.

17

4121128

Mat

(K) (SUB FOR TH106654)ANTI-SKID

1шт.

18

H21259

Mat

ANTI-SKID

5шт.

19

H21259

Mat

(K) ANTI-SKID

4шт.

22

2028792

Label

(SUB FOR T121718)LIFT CAPACITY

1шт.

T153576

Label

(K2) (LIFT CAPACITY - FRENCH)

1шт.

T153588

Label

(K3) (LIFT CAPACITY - SPANISH)

1шт.

23

T107620

Label

(K) (BLACK STRIPE)

1шт.

24

T146664

Safety Sign

(SUB FOR TH111901)WINDOW LOCK

1шт.

T148909

Safety Sign

(K2) (WINDOW LOCK - FRENCH)

1шт.

T148904

Safety Sign

(K3) (WINDOW LOCK - SPANISH)

1шт.

25

P63448

Label

(K) (SUB FOR T108113 OR AT155733)BLEED PUMP

1шт.

T114803

Label

(K2) (BLEED PUMP - FRENCH)

1шт.

T153403

Label

(K3) (BLEED PUMP - SPANISH)

1шт.

26

T101942

Label

(K) HYDRAULIC OIL

1шт.

T102618

Label

(K2) (HYDRAULIC OIL - FRENCH)

1шт.

T102620

Label

(K3) (HYDRAULIC OIL - SPANISH)

1шт.

27

T79632

Label

(K) DIESEL ONLY

1шт.

T114681

Label

(K2) (DIESEL ONLY - FRENCH)

1шт.

T127575

Label

(K3) (DIESEL ONLY - SPANISH)

1шт.

30

37H131

Screw

0.140" X 3/8"

2шт.

31

T159844

Label

(SUB FOR TH101630)(NOT ILLUSTRAT ED) (LEFT CONTROL LEVER - JOHN DE ERE PATTERN) (YELLOW BACKGROUND)

1шт.

32

T159843

Label

(SUB FOR TH103406)(NOT ILLUSTRAT ED) (RIGHT CONTROL LEVER - JOHN D EERE PATTERN) (YELLOW BACKGROUND)

1шт.

33

AT131150

Label

(WARNING - REDUCED LIFT CAPACITY)

1шт.

Safety Sign

(WARNING - REDUCED LIFT CAPACITY - F RENCH) ( T153540 NO LONGER AVAILABLE)

1шт.

Safety Sign

(WARNING - REDUCED LIFT CAPACITY - SP ANISH) ( T153542 NO LONGER AVAILABLE)

1шт.

34

T145893

Safety Sign

(SUB FOR T114398)(STAY CLEAR)

2шт.

T153426

Label

(K2) (STAY CLEAR - FRENCH)

1шт.

T153399

Label

(K3) (STAY CLEAR - SPANISH)

1шт.

35

T143312

Label

(K2) (IMPORTANT - ACCESSORY CIR CUIT - FRENCH) (NOT ILLUSTRATED)

1шт.

T143313

Label

(K3) (IMPORTANT - ACCESSORY CIRC UIT - SPANISH) (NOT ILLUSTRATED)

1шт.

36

T143314

Label

(K2) (IMPORTANT - TRUCK UNLOAD ING - FRENCH) (NOT ILLUSTRATED)

1шт.

T143315

Label

(K3) (IMPORTANT - TRUCK UNLOADI NG - SPANISH) (NOT ILLUSTRATED)

1шт.

Kit

( AT130847 NLA) (REPAINT KI T INCLUDES PARTS MARKED (K))

1шт.

Выбрано товаров: 0