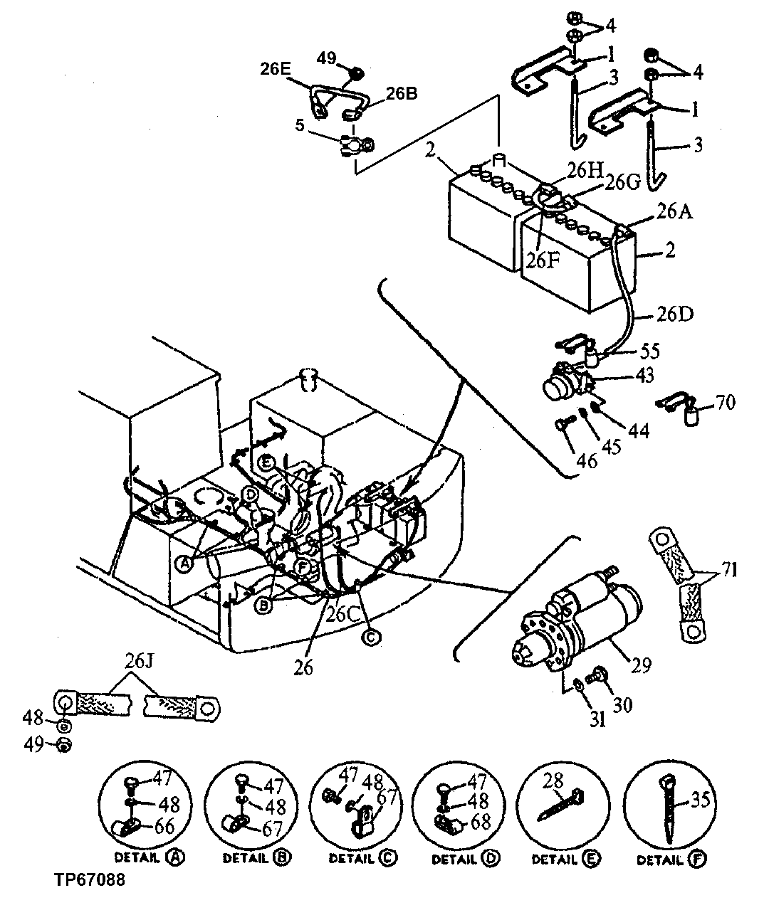
Запчасти John Deere 90D 89 - ELECTRICAL COMPONENTS 1674 WIRING HARNESS AND SWITCHES

Схема запчастей John Deere 90D - 89 - ELECTRICAL COMPONENTS 1674 WIRING HARNESS AND SWITCHES
FIT
1:1
100%

Артикул

Название

Примечание

Количество

1

4195578

Bracket

(SUB FOR TH110536)

2шт.

2

TY21764

Dry Charged Battery

(SUB FOR TY6113)

2шт.

3

H158292

Hook Bolt

(SUB FOR TH105987)

4шт.

4

14M7273

Nut

M8

8шт.

5

AT219485

Clamp

(BATTERY TERMINAL CLAMPS)

4шт.

26

4247635

Wiring Harness

(SUB FOR AT130701)(MAIN WIRING HARN ESS CONTAINS ITEMS 26A THROUGH 26J)

1шт.

26A

4256240

Cap

(SUB FOR TH112250)

1шт.

26B

4256241

Cap

(SUB FOR TH112251)

1шт.

26C

AT141540

Battery Cable

(RELAY TO STARTER)

1шт.

26D

AT114248

Battery Cable

1шт.

26E

MG782708

Battery Cable

1шт.

26F

AT41131

Battery Cable

(ALSO ORDER (2) T107114 AND (2) R44302 )(REPLACEMENT BATTERY CONNECTOR CABLE)

1шт.

R44302

Tie Band

(NOT ILLUSTRATED)

2шт.

26G

4256240

Cap

(SUB FOR TH112250)(USE WITH OR IGINAL BATTERY CONNECTOR CABLE)

1шт.

T107114

Cover

(USE WITH AT41131 REPLACEME NT BATTERY CONNECTOR CABLE)

1шт.

26H

4256241

Cap

(SUB FOR TH112251)(USE WITH OR IGINAL BATTERY CONNECTOR CABLE)

1шт.

T107114

Cover

(USE WITH AT41131 REPLACEME NT BATTERY CONNECTOR CABLE)

1шт.

26J

N202659

Ground Cable

(ENGINE FLYWHEEL HOUSING TO GROUND)

1шт.

28

H77698

Tie Band

15шт.

29

RE70961

Starter Motor Kit

(SUB FOR RE15718, RE43422 AND RE65173)

1шт.

TY25970

Starter Motor

(SUB FOR TY6785)(REMANUFACTURED)

1шт.

SE501424

Starter Motor

(REMANUFACTURED FOR TY25970)

1шт.

30

19H3411

Screw

3/8" X 1-1/8" (SUB FOR 1 9H3385, THIS APPLICATION)

3шт.

31

12H304

Lock Washer

3/8" (USE WITH 19H3385)

3шт.

35

H77698

Tie Band

(SUB FOR TH106422)

15шт.

43

4031771

Relay

(SUB FOR TH104069)(BATTERY)

1шт.

44

24M7055

Washer

8.400 X 16 X 1.600 mm

2шт.

45

12M7056

Lock Washer

8 mm (SUB FOR 12M7065)

2шт.

46

19M7376

Cap Screw

M8 X 22 (SUB FOR AT133604)

2шт.

47

19M8324

Cap Screw

M10 X 16

9шт.

48

12M7066

Lock Washer

10 mm

9шт.

49

14M7274

Nut

M10

2шт.

55

4214850

Link

(SUB FOR TH110638)

1шт.

66

T24432

Clamp

(TWO-POLE MAIN) (SUB FOR TH108595)

3шт.

67

XCL-19

Hose Clamp

(SUB FOR TH108459 OR 4192035)

4шт.

68

4190275

Clamp

(SUB FOR TH108598)

2шт.

70

4240648

Wiring Lead

(SUB FOR AT130831)

1шт.

71

AT38449

Ground Cable

1шт.

Выбрано товаров: 0