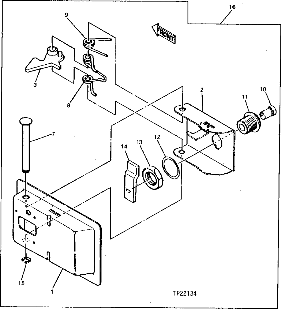
Запчасти John Deere 90D 116 - Engine Compartment Service Door Lock (Left Side) 1910 HOOD OR ENGINE ENCLOSURE

Схема запчастей John Deere 90D - 116 - Engine Compartment Service Door Lock (Left Side) 1910 HOOD OR ENGINE ENCLOSURE
FIT
1:1
100%

Артикул

Название

Примечание

Количество

1

8024490

Cover

(SUB FOR TH102227 ) (SUB FOR TH102241)

1шт.

2

8024464

Latch

(SUB FOR TH102228)

1шт.

3

Lever

( TH102229 OR AT173241 NOT AVAILABLE)

1шт.

7

4355972

Pin Fastener

(SUB FOR TH102230)

1шт.

8

4355973

Spring

(SUB FOR TH102233, THIS APPL ICATION ) (SUB FOR AT173242)

1шт.

9

4355975

Torsion Spring

(SUB FOR TH102234, 4134321)

1шт.

10

4361411

Lock

(SUB FOR TH110128 ) (SUB FOR AT206102)

1шт.

4158653

Key

(SUB FOR TH101605)(NOT ILLUSTRATED)

1шт.

11

4134325

Lock

(SUB FOR TH110129 ) (SUB FOR TH102236)

1шт.

12

4355979

Ring

(SUB FOR TH102237, 4134322)

1шт.

13

4355980

Nut

(SUB FOR TH102238, 4134323)

1шт.

14

4355981

Strap

(SUB FOR TH102232, 4134331)

1шт.

15

CH11490

Ring

(SUB FOR TH102231)

1шт.

16

Lock

Left Side (SUB AT214010)

1шт.

Выбрано товаров: 0