Запчасти John Deere 90D 4 - TRACK ADJUSTER 0130 TRACK SYSTEMS

Схема запчастей John Deere 90D - 4 - TRACK ADJUSTER 0130 TRACK SYSTEMS
FIT
1:1
100%

Артикул

Название

Примечание

Количество

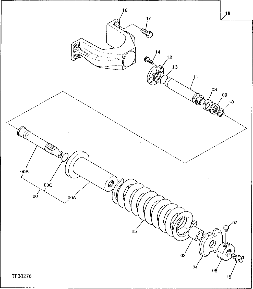
0

Cylinder

(ORDER INDIVIDUAL COMPONENTS)

1шт.

0A

3036510

Hydraulic Cylinder Barrel

(SUB FOR TH110411)

1шт.

0B

3036512

Rod

(SUB FOR AT130348)

1шт.

0C

AT264348

O-Ring

(SUB FOR TH102788)

1шт.

3

4194191

Spacer

(SUB FOR AT130390)

1шт.

4

4194188

Retainer

(SUB FOR TH110524)

1шт.

5

3036334

Spring

(SUB FOR AT130347)

1шт.

6

4194189

Nut

(SUB FOR TH110525)

1шт.

7

TH108868

Bolt

1шт.

8

4182364

Wear Ring

(SUB FOR TH110490)

1шт.

9

4195020

Packing

(SUB FOR TH110532)

1шт.

10

40M7084

Snap Ring

(SUB FOR TH106272)

1шт.

11

3036509

Rod

(SUB FOR TH110410)

1шт.

12

3036511

Flange

(SUB FOR TH110412)

1шт.

13

A811040

O-Ring

(SUB FOR TH102992)

1шт.

14

19M8446

Screw

M8 X 20

4шт.

15

4255055

Valve

(SUB FOR TH108874 OR AT154223)

1шт.

16

1010376

Yoke

(SUB FOR TH110359)

1шт.

17

19M6332

Cap Screw

M14 X 35

4шт.

18

Adjuster

( AT130494 NO LONGER AVAILABL E) (SUB INDIVIDUAL COMPONENTS)

2шт.

Выбрано товаров: 0