Качественные детали и логистика
Оригинальные и аналоговые запчасти с доставкой по России, Казахстану и Беларуси
©2022 PartSell ООО "Система" ИНН 2463123282 ОГРН 1212400004838
Центральный офис: г. Красноярск, Академика Киренского, д.87, пом.4
Телефон: 8 (800) 777-65-74 Email: zakaz@partsell.ru
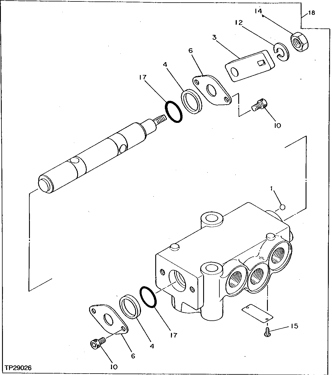
167 - PILOT HYDRAULICS SHUT-OFF VALVE
№
Артикул
Название
Примечание
Количество
1
0309902
Ball
(SUB FOR TH109297)
1шт.
3
0309903
Lever
(SUB FOR TH109298)
4
0309904
Back-Up Ring
(SUB FOR TH109299)
2шт.
6
0309905
Holder
(SUB FOR TH109300)
10
0344046
Bolt
(SUB FOR TH109301 ) (SUB FOR AT121123)
4шт.
12
12M7066
Lock Washer
10 mm (SUB FOR TH109303)
14
0309910
Nut
(SUB FOR TH109305)
15
0208717
Screw
(SUB FOR TH102697)
17
CH14634
O-Ring
18
4179025
Flow Control Hyd. Valve
(SUB FOR TH108432)
Выбрано товаров: 0