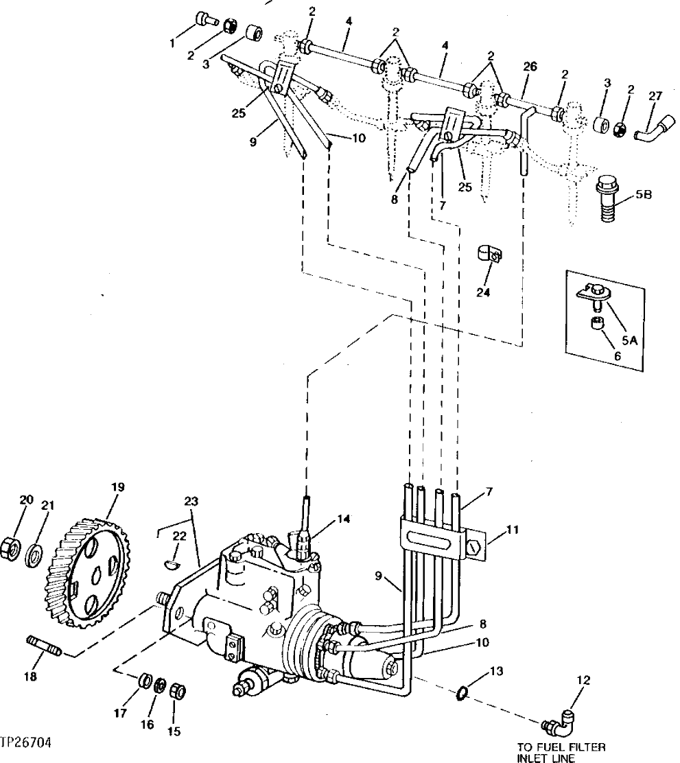
Запчасти John Deere 90D 37 - FUEL INJECTION SYSTEM 0413 FUEL INJECTION SYSTEM

Схема запчастей John Deere 90D - 37 - FUEL INJECTION SYSTEM 0413 FUEL INJECTION SYSTEM
FIT
1:1
100%

Артикул

Название

Примечание

Количество

1

AR85519

Plug

(SUB FOR 16H658, THIS APPLICATION)

1шт.

2

R51937

Tube Nut

8шт.

3

R51936

Sealing Washer

8шт.

4

R66090

Tube

2шт.

5A

R34760

Clamp

4шт.

5B

R101201

Cap Screw

4шт.

6

R60745

Spacer

(K) (K1)

4шт.

7

RE20215

Fuel Line

NO. 3

1шт.

RE43286

Fuel Line

NO. 3

1шт.

RE53874

Fuel Line

NO.3

1шт.

8

RE20216

Fuel Line

NO. 4

1шт.

RE43287

Fuel Line

NO. 4

1шт.

RE53875

Fuel Line

NO.4

1шт.

9

RE20214

Fuel Line

NO. 2

1шт.

RE43285

Fuel Line

NO. 2

1шт.

RE53873

Fuel Line

NO.2

1шт.

10

RE20213

Fuel Line

NO. 1

1шт.

RE43284

Fuel Line

NO. 1

1шт.

RE53872

Fuel Line

NO.1

1шт.

11

RE19799

Clamp

1шт.

19M7300

Cap Screw

M6 X 10

1шт.

12

RE56322

Tee Fitting

(SUB FOR AT32333)

1шт.

13

R26286

O-Ring

1шт.

14

R35352

Fitting

1шт.

15

14H785

Nut

5/16"

3шт.

16

12H303

Lock Washer

5/16"

3шт.

17

T27860

Washer

3шт.

18

T23442

Stud

3шт.

19

R84663

Gear

(48-TEETH)

1шт.

R116339

Gear

(48-TEETH)

1шт.

20

R48599

Nut

1шт.

21

R132874

Washer

(SUB FOR R48600)

1шт.

22

26H10

Shaft Key

5/32" X 5/8"

1шт.

23

RE36650

Fuel Injection Pump

(A) (STANADYNE NO. DB2435-4729)

1шт.

RE64248

Fuel Injection Pump

(A) (STANADYNE NO. 032435-5194)

1шт.

24

T29969

Clamp

1шт.

25

RE19797

Clamp

2шт.

19M7300

Cap Screw

M6 X 10

2шт.

26

AR89852

Fuel Line

LEAK-OFF

1шт.

27

RE16142

Fuel Line

1шт.

Выбрано товаров: 40