Запчасти John Deere 0 18 - BOOM CYLINDER 2160 - MAIN HYDRAULIC SYSTEM 21

Схема запчастей John Deere 0 - 18 - BOOM CYLINDER 2160 - MAIN HYDRAULIC SYSTEM 21
FIT
1:1
100%

Артикул

Название

Примечание

Количество

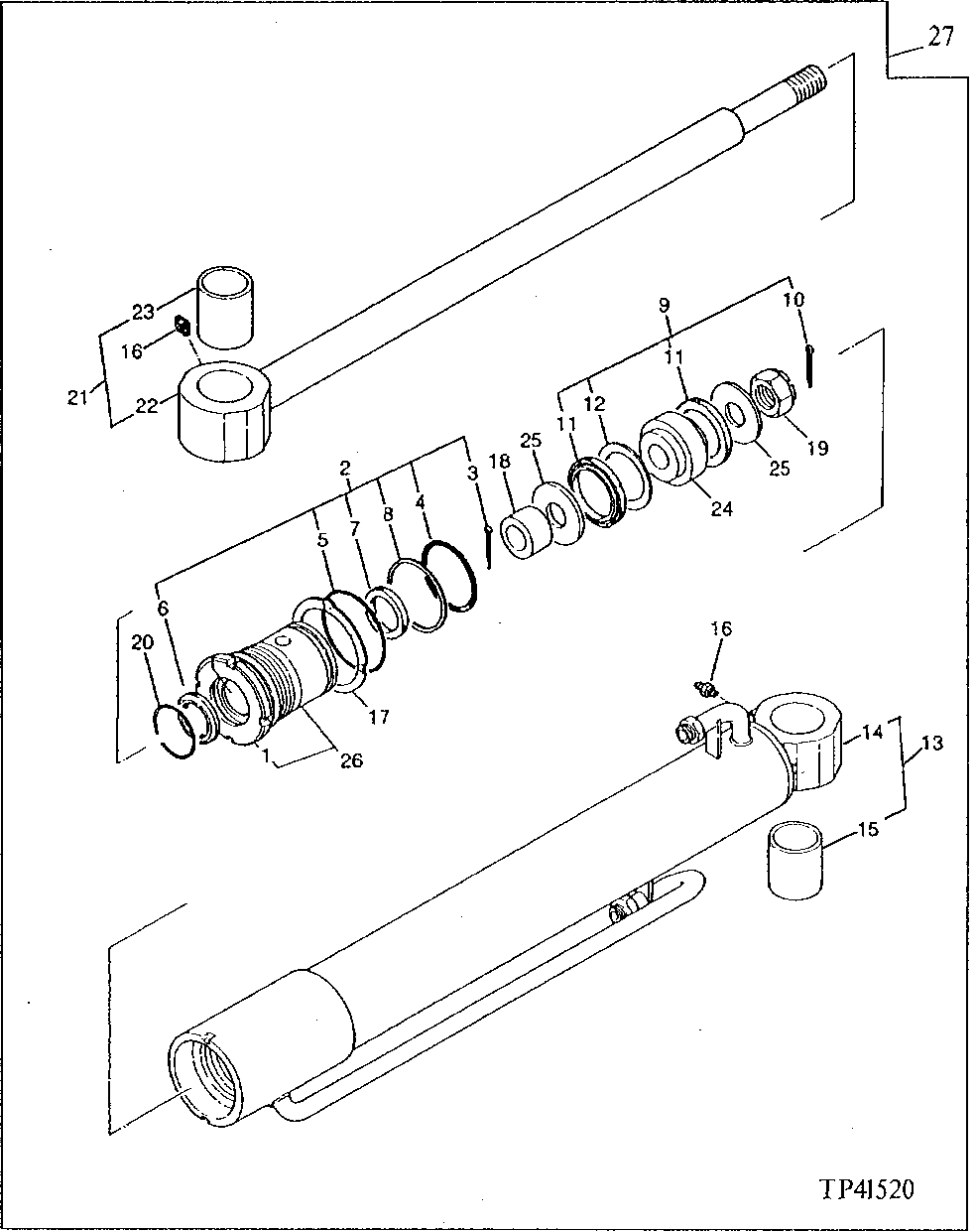
1

T110492

BUSHING

1шт.

2

AT111041

SEAL KIT

1шт.

3

11M7032

COTTER PIN

5 X 50 MM, (SUB FOR T110420)

1шт.

4

CH11567

PACKING

1шт.

5

CH17854

PACKING

1шт.

6

T110505

SEAL

1шт.

7

T110506

PACKING

1шт.

8

T110583

BACK-UP RING

1шт.

9

AT111042

SEAL KIT

1шт.

10

11M7032

COTTER PIN

5 X 50 MM, (SUB FOR T110420)

1шт.

11

T110508

PACKING

2шт.

12

T110578

BACK-UP RING

1шт.

13

AT111043

HYDRAULIC CYLINDER BARREL

1шт.

14

BARREL

(SUB AT111043)

1шт.

15

T110546

BUSHING

1шт.

16

TH100074

LUBRICATION FITTING

(SUB FOR T110449 OR CH11575)

2шт.

17

T110496

WASHER

1шт.

18

T110498

PLUNGER

1шт.

19

T110504

NUT

1шт.

20

T110511

RING

1шт.

21

AT111044

ROD

1шт.

22

ROD

(SUB AT111044)

1шт.

23

T110546

BUSHING

1шт.

24

T110533

PISTON

1шт.

25

T110539

GASKET

2шт.

26

AT110234

HYDR. CYLINDER ROD GUIDE

1шт.

27

AT110431

HYDRAULIC CYLINDER

1шт.

Выбрано товаров: 27