Запчасти John Deere 0 4 - PROPEL MOTOR 260 - AXLES AND SUSPENSION SYSTEMS 2

Схема запчастей John Deere 0 - 4 - PROPEL MOTOR 260 - AXLES AND SUSPENSION SYSTEMS 2
FIT
1:1
100%

Артикул

Название

Примечание

Количество

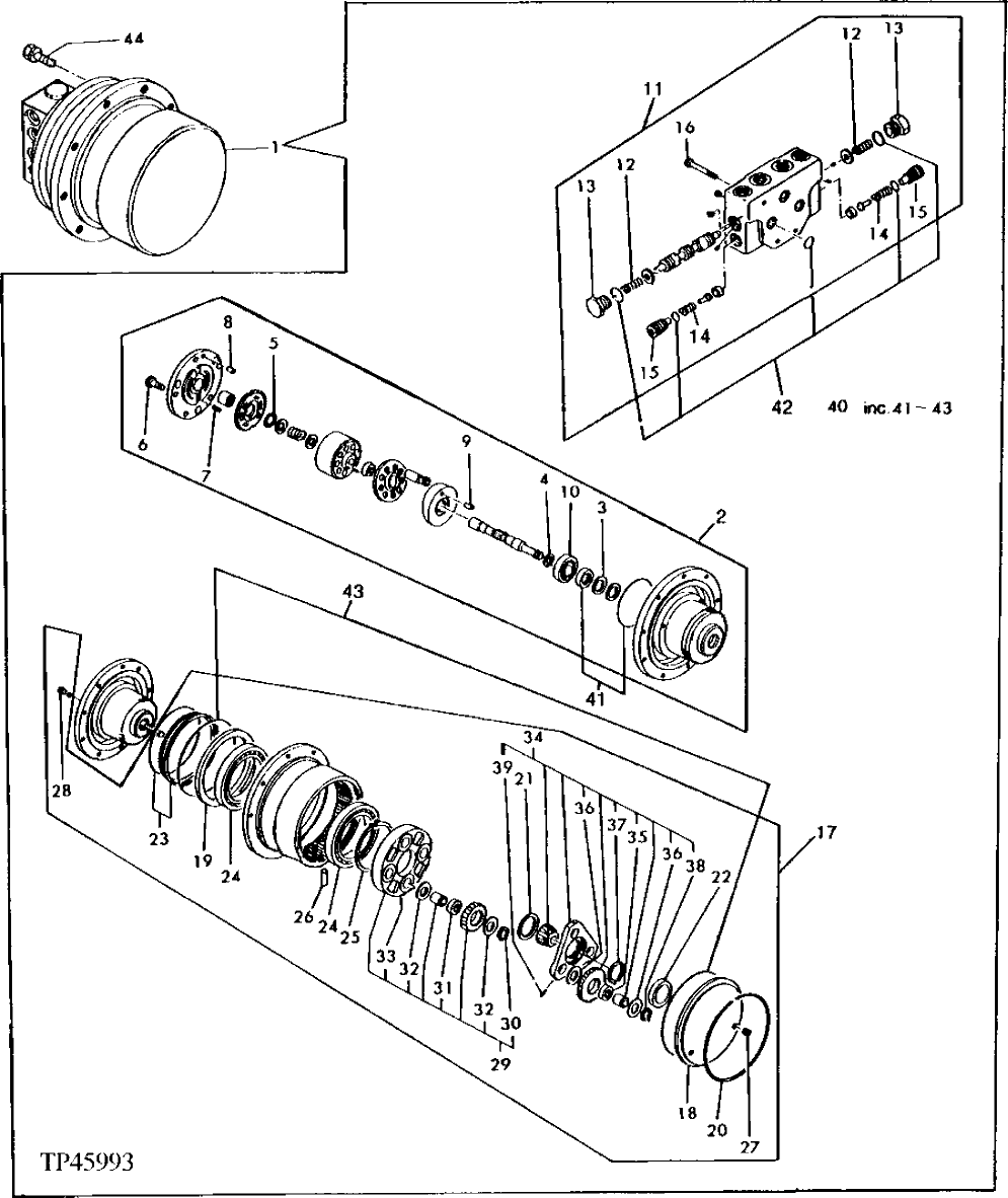
1

MOTOR

( AT110503 NO LONGER AVAILABLE)

2шт.

2

AT110504

HYDRAULIC MOTOR

1шт.

3

T111151

RING

1шт.

4

40M7080

SNAP RING

(SUB FOR T111626)

1шт.

5

T111153

SPRING PIN

1шт.

6

T111154

SCREW

5шт.

7

T111155

SPRING PIN

1шт.

8

T111156

PIN FASTENER

1шт.

9

T111157

PIN FASTENER

1шт.

10

CH13508

BALL BEARING

1шт.

11

AT110505

HYD ACTUATED CONTROL VALVE

1шт.

12

T111158

SPRING

2шт.

13

T111159

PLUG

2шт.

14

T111160

SPRING

2шт.

15

T111161

PLUG

2шт.

16

19M8713

SCREW

M6 X 45, (SUB FOR T111162)

2шт.

17

AT110506

MOUNTING PARTS

1шт.

18

T111163

COVER

1шт.

19

T111164

RING

(USE IF AVAILABLE)

1шт.

20

T111165

SNAP RING

1шт.

21

T111166

BUSHING

1шт.

22

T111167

RING

1шт.

23

AT110507

SEAL

1шт.

24

T111168

BALL BEARING

2шт.

25

T111172

SNAP RING

1шт.

26

T111175

PIN FASTENER

2шт.

27

T111176

PLUG

2шт.

28

T111177

PLUG

3шт.

29

PLANET PINION CARRIER

( AT110508 NO LONGER AVAILABLE)

4шт.

30

T111152

RING

1шт.

31

CAGE

( T111169 NO LONGER AVAILABLE FOR SERVICE)

1шт.

32

T111171

THRUST WASHER

2шт.

33

T111174

SPRING PIN

1шт.

34

PLANET PINION CARRIER

( AT110509 NO LONGER AVAILABLE)

1шт.

35

T111170

NEEDLE BEARING

3шт.

36

T111171

THRUST WASHER

6шт.

37

40M1833

SNAP RING

(SUB FOR T111173)

1шт.

38

T111152

RING

3шт.

39

T111174

SPRING PIN

3шт.

40

SEAL KIT

( AT110510 NO LONGER AVAILABLE)

1шт.

41

AT110511

SEAL KIT

1шт.

42

AT110512

SEAL KIT

1шт.

43

AT110513

SEAL KIT

1шт.

44

19M7744

CAP SCREW

(SUB FOR M801662, ALONG WITH 12M7065)

18шт.

12M7056

LOCK WASHER

(SUB FOR 12M7065)

18шт.

Выбрано товаров: 45