Запчасти John Deere 0 2 - ALTERNATOR AND MOUNTING BRACKETS 423 - ENGINE 4

Схема запчастей John Deere 0 - 2 - ALTERNATOR AND MOUNTING BRACKETS 423 - ENGINE 4
FIT
1:1
100%

Артикул

Название

Примечание

Количество

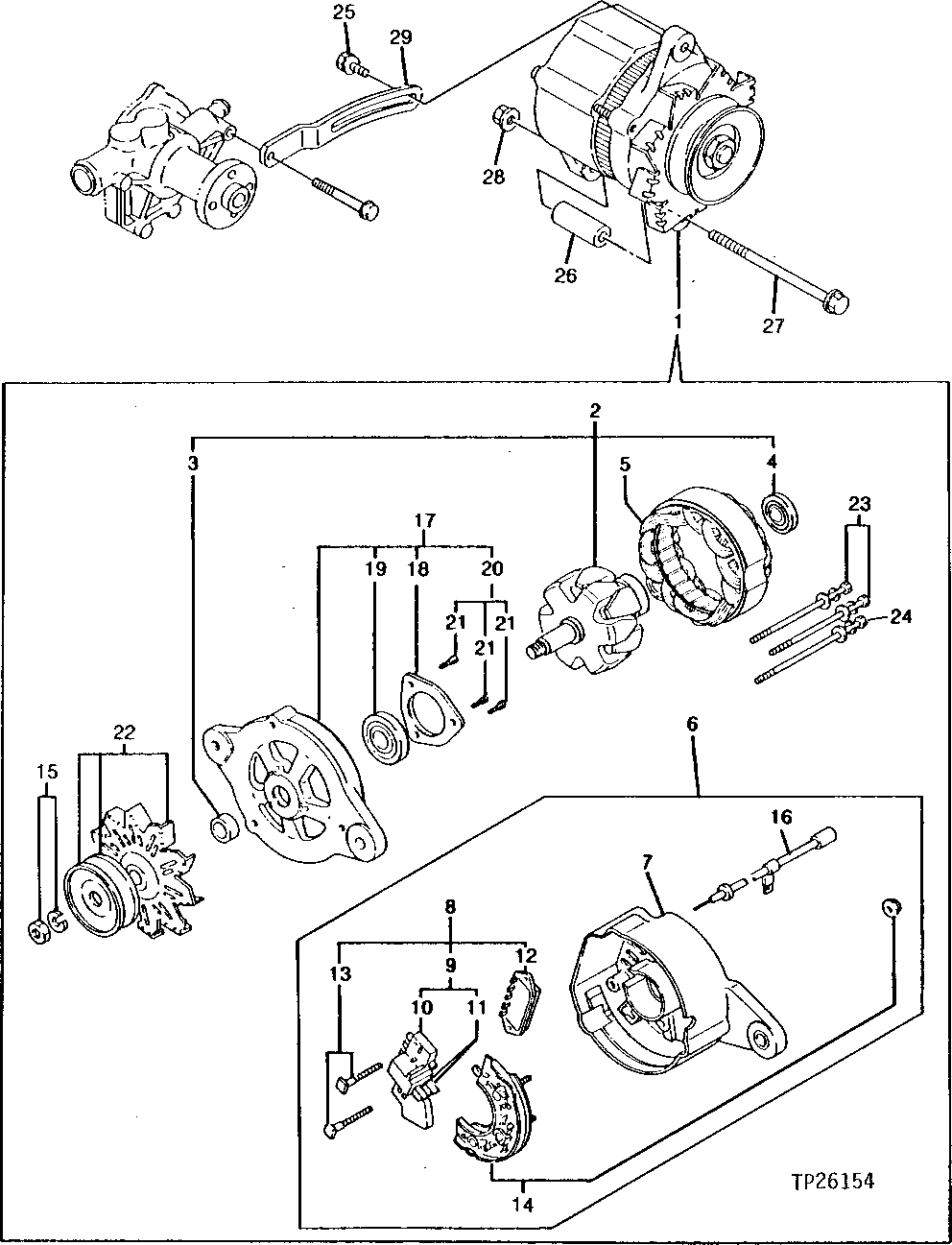
1

AT110308

ALTERNATOR

1шт.

2

AT110309

ROTOR

1шт.

3

SPACER

(SUB AT110309)

1шт.

4

JD29988

BALL BEARING

(SUB FOR T110776)

1шт.

5

T110777

STATOR

1шт.

6

AT110310

COVER

1шт.

7

T110778

COVER

1шт.

8

AT110311

REGULATOR

1шт.

9

T110779

BRUSH SET

1шт.

10

HOLDER

(SUB T110779)

1шт.

11

T110780

HOSE KIT

2шт.

12

T110781

REGULATOR

1шт.

13

T110782

BOLT

2шт.

14

T110783

DIODE

1шт.

15

T110791

NUT

1шт.

16

T110784

WIRING LEAD

1шт.

17

AT110312

COVER

1шт.

18

T110785

RETAINER

1шт.

19

JD10475

BALL BEARING

(SUB FOR T110786)

1шт.

20

T110787

SCREW WITH WASHER

1шт.

21

CAP SCREW

(SUB T110787)

3шт.

22

T110788

PULLEY

1шт.

23

T110789

BOLT

2шт.

24

T110790

BOLT

1шт.

25

12M7056

LOCK WASHER

8 MM, (SUB FOR 12M7065)

1шт.

19M7407

CAP SCREW

M8 X 25

1шт.

24M7055

WASHER

8.400 X 16 X 1.600 MM

1шт.

26

M800968

SPACER

1шт.

27

T111562

BOLT

(SUB FOR CH16726)

1шт.

28

14M7298

FLANGE NUT

M8

1шт.

29

M801368

STRAP

1шт.

Выбрано товаров: 31