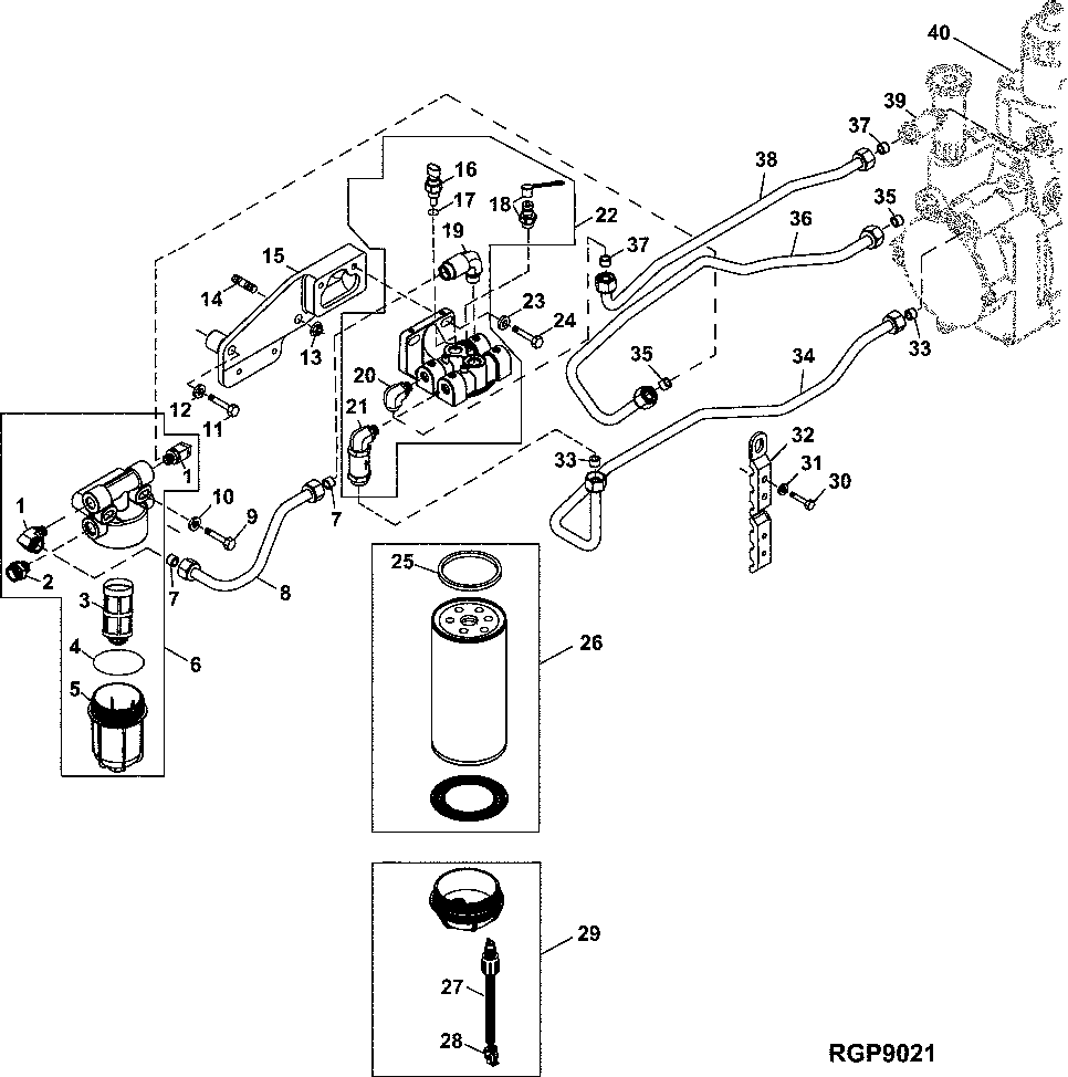
Запчасти John Deere 30CLC 126 - FUEL FILTER AND LINES (ESN -241136) 0400B 6081HT008 6081HT008-RE527869 6081HT008

Схема запчастей John Deere 30CLC - 126 - FUEL FILTER AND LINES (ESN -241136) 0400B 6081HT008 6081HT008-RE527869 6081HT008
FIT
1:1
100%

Артикул

Название

Примечание

Количество

1

RE507027

Elbow Fitting

2шт.

2

RE503605

Adapter Fitting

1шт.

3

R502778

Filter Element

1шт.

4

R101042

O-Ring

1шт.

5

R502777

Bowl

1шт.

6

RE507011

Fuel Filter

(A)

1шт.

7

R63551

Sealing Washer

2шт.

8

RE506973

Fuel Line

1шт.

9

19H1907

Cap Screw

5/16" X 2-3/4"

2шт.

10

24H1136

Washer

11/32" X 11/16" X 0.065"

2шт.

11

19H2678

Cap Screw

7/16" X 2-1/8"

1шт.

12

24H1325

Washer

15/32" X 59/64" X 0.065"

1шт.

13

14H1059

Nut

7/16"

1шт.

14

R504516

Stud

1шт.

15

R504279

Bracket

1шт.

16

RE48419

Sensor

(INCLUDES 51M7041)

1шт.

17

51M7041

O-Ring

11.300 X 2.200 mm

1шт.

18

RE190805

Diagnostic Coupling

(SUB FOR RE12187)

1шт.

19

RE507029

Valve

1шт.

20

RE507027

Elbow Fitting

1шт.

21

RE507028

Check Valve

1шт.

22

RE516346

Filter Head

(SUB FOR RE507010)

1шт.

23

24H1305

Washer

13/32" X 13/16" X 0.065"

5шт.

24

19H3239

Cap Screw

3/8" X 1-1/4"

2шт.

25

R501388

Packing

1шт.

26

RE509596

Fuel Filter

(SUB FOR RE519608 ) (SUB FOR RE522342)

1шт.

27

RE503590

Moisture Sensor

1шт.

28

57M7252

Elec. Connector Terminal

(ALSO ORDER (2) R104846, (2) 57M7258 AND 57M7289)

1шт.

29

RE507187

Filter

1шт.

30

19H1791

Cap Screw

1/4" X 1-1/4"

2шт.

31

24H1286

Washer

9/32" X 1/2" X 1/16"

2шт.

32

RE509668

Clamp

1шт.

33

R63551

Sealing Washer

2шт.

34

RE506971

Fuel Line

1шт.

35

R63551

Sealing Washer

2шт.

36

RE506970

Fuel Line

1шт.

37

R63551

Sealing Washer

1шт.

38

RE509275

Fuel Line

(A)

1шт.

39

Check Valve

1шт.

51M4238

Sealing Ring

1шт.

40

Fuel Injection Pump

1шт.

Выбрано товаров: 41