Запчасти John Deere 30CLC 187 - LIGHTS 1673 VECHICLE LIGHTING SYSTEM

Схема запчастей John Deere 30CLC - 187 - LIGHTS 1673 VECHICLE LIGHTING SYSTEM
FIT
1:1
100%

Артикул

Название

Примечание

Количество

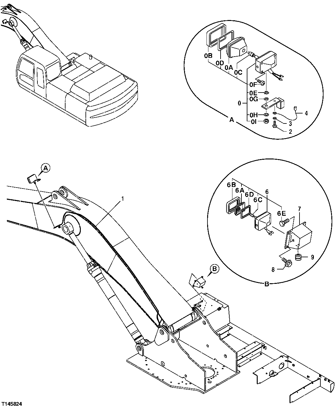
0

4326800

Lamp

(SUB FOR 4336570)

1шт.

0A

4326801

Lens

1шт.

0B

4326802

Frame

1шт.

0C

AT135758

Bulb

1шт.

0D

4326803

Gasket

1шт.

0E

4307026

Washer

(SUB FOR T144361)

1шт.

0F

37H19

Screw

(SUB FOR T144362 OR 4307027)

1шт.

0G

24M7085

Washer

15 X 28 X 2.500 mm

1шт.

0H

12H317

Lock Washer

9/16"

1шт.

0I

14M7345

Nut

M14 (SUB FOR J952014)

1шт.

1

4447624

Wiring Harness

(SUB FOR TH4447624)

1шт.

2

21M7285

Screw

M6 X 12

1шт.

3

12M7006

Lock Washer

6 mm

1шт.

4

4254604

Wiring Harness

(SUB FOR AT154214)

1шт.

6

4274478

Headlight

(SUB FOR AT154323)

1шт.

6A

4285646

Lens

(SUB FOR AT154988)

1шт.

6B

Rim

( AT154989 NLA)

1шт.

6C

AT135758

Bulb

( AT154990 NLA)

1шт.

6D

Gasket

( AT155002 NLA)

1шт.

6E

19M8425

Cap Screw

M6 X 16

2шт.

7

AT307702

Bracket

(SUB FOR AT219640 OR 3079929)

1шт.

8

19M7402

Cap Screw

M10 X 25

4шт.

12M7066

Lock Washer

10 mm

4шт.

24M7028

Washer

10.500 X 20 X 2 mm

4шт.

9

94-2807

Grommet

(SUB FOR AT122152)

1шт.

Выбрано товаров: 25