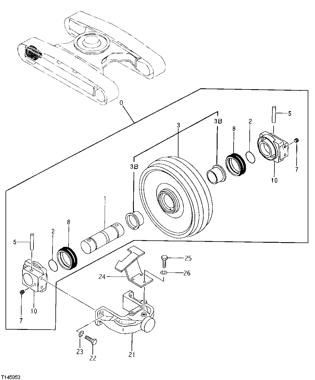
Запчасти John Deere 30CLC 7 - FRONT IDLER (LH) (370C) 0130 TRACK SYSTEMS

Схема запчастей John Deere 30CLC - 7 - FRONT IDLER (LH) (370C) 0130 TRACK SYSTEMS
FIT
1:1
100%

Артикул

Название

Примечание

Количество

0

9165848

Idler

(SUB FOR AT201944)( 9134295 NLA)

1шт.

1

2030997

Axle

(SUB FOR AT201657)

1шт.

2

TH100156

O-Ring

99.600 X 5.700 mm (3.921" X 0.224")

2шт.

3

Roller

( 9165600 NLA) (FURNISH 9165848 ) (SUB FOR 9134296 OR AT201945)

1шт.

3B

3037466

Bushing

(SUB FOR AT131612)

2шт.

5

4153956

Pin

26 X 142 mm (1.024" X 5. 591") (SUB FOR AT131712)

2шт.

7

942011

Fitting Plug

(SUB FOR 94-2011 AND TH100434)

2шт.

8

4344810

Seal

(SUB FOR AT202242)

2шт.

10

1020353

Bracket

(SUB FOR AT165969)

2шт.

21

1015046

Yoke

(SUB FOR AT201643)

1шт.

22

19M8224

Cap Screw

M20 X 60

4шт.

23

12M7070

Lock Washer

20 mm

4шт.

24

8073033

Guard

(SUB FOR AT250242)

1шт.

25

19M8011

Cap Screw

M12 X 30

3шт.

26

12H301

Lock Washer

1/2"

3шт.

Выбрано товаров: 15