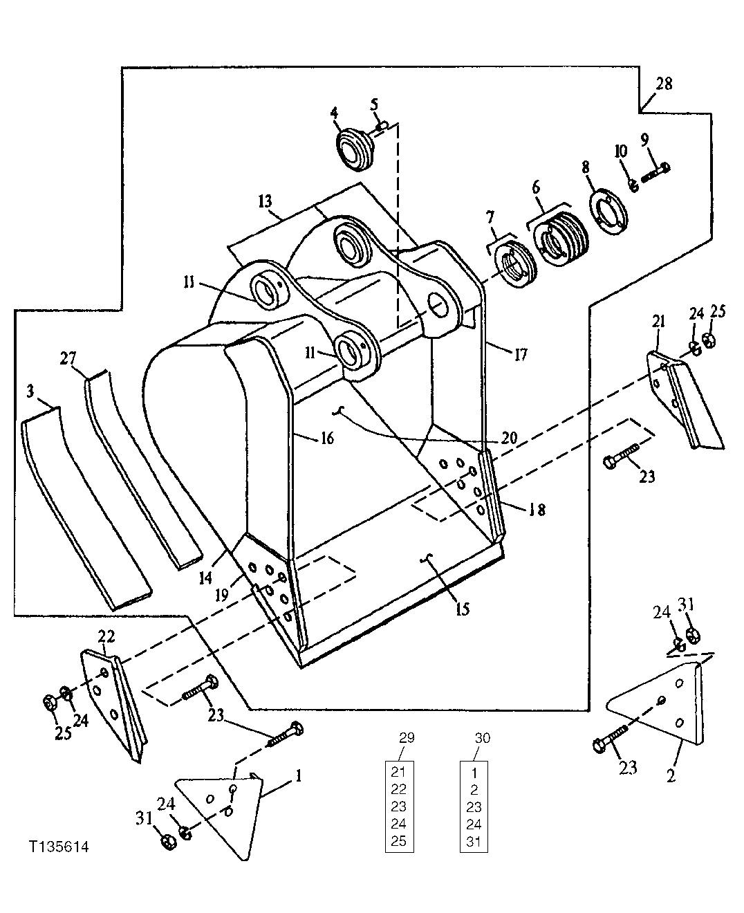
Запчасти John Deere 30CLC 271 - GENERAL PURPOSE BUCKET (SEE FOOTNOTE) 3302 BUCKET WITH TEETH

Схема запчастей John Deere 30CLC - 271 - GENERAL PURPOSE BUCKET (SEE FOOTNOTE) 3302 BUCKET WITH TEETH
FIT
1:1
100%

Артикул

Название

Примечание

Количество

1

Shroud

(EDGE PROTECTOR) (RH) (SUB AT167874)

1шт.

2

Shroud

(LH) Edge Protector (SUB AT167874)

1шт.

3

307048

Bar

(A) (OUTER) Wear

2шт.

4

4143522

Bushing

(SUB FOR TH103234)

1шт.

5

4179110

Pin

(SUB FOR TH103520)

1шт.

6

4143524

Washer

1 MM (SUB FOR TH103235)

6шт.

7

4143525

Shim

(SUB FOR TH103236)

2шт.

8

TH103237

Plate

1шт.

9

19H2706

Cap Screw

5/8" X 2"

3шт.

10

12H294

Lock Washer

5/8"

3шт.

11

Plate

( TH103198 NLA)

2шт.

13

C606071

Pivot

(A) (BUCKET EAR BLANK ASSEMBLY)

1шт.

14

307047

Plate

(A) (RH/LH)

2шт.

15

AT131090

Dura-Max Cutting Edge

(CUT TO LENGTH)

1шт.

16

300483

Vertical Cutter

(A) (UPPER RH)

1шт.

17

300484

Vertical Cutter

(A) (UPPER LH)

1шт.

18

300482

Vertical Cutter

(A) (LH) Insert

1шт.

19

300481

Vertical Cutter

(A) (RH) Insert

1шт.

20

600292

Moldboard

(A) (48 INCH)

1шт.

600915

Moldboard

(A) (54 INCH)

1шт.

600916

Moldboard

(A) (60 INCH)

1шт.

21

Cutting Edge

(SUB AT131080)(LH)

1шт.

22

Cutting Edge

(SUB AT131080)(RH)

1шт.

23

09H1770

Bolt

7/8" X 2-1/2"

6шт.

24

12H245

Lock Washer

7/8"

6шт.

25

14H1077

Nut

7/8"

6шт.

27

300479

Bar

(A) (INNER) Wear

2шт.

28

Excavator Bucket

(B) (54 INCH/2.30 CUBIC YARD) ( AT163660 NLA) Requires 7 Teeth

1шт.

29

End Bit

( AT131080 NLA) Side Cutter Kit

1шт.

30

Shroud

( AT167874 NLA) (EDGE PROTECTOR)

1шт.

31

14H1044

Nut

7/8"

6шт.

Выбрано товаров: 31