Запчасти John Deere 30CLC 273 - GENERAL PURPOSE HIGH CAPACITY BUCKET (48, 54 AND 60 INCH) 3302 BUCKET WITH TEETH

Схема запчастей John Deere 30CLC - 273 - GENERAL PURPOSE HIGH CAPACITY BUCKET (48, 54 AND 60 INCH) 3302 BUCKET WITH TEETH
FIT
1:1
100%

Артикул

Название

Примечание

Количество

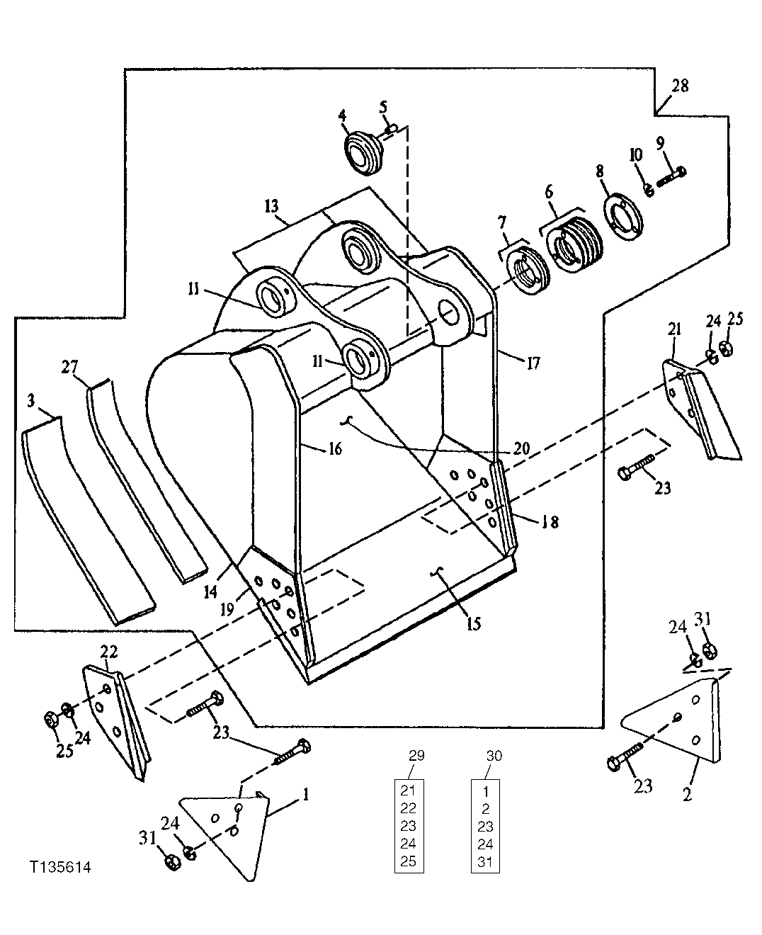
1

Shroud

Right Edge Protector (SUB AT167876)

1шт.

2

Shroud

Left Edge Protector (SUB AT167876)

1шт.

3

307048

Bar

(OUTER WEAR)

2шт.

4

4143522

Bushing

(SUB FOR TH103234)

1шт.

5

4179110

Pin

12.012 X 25 mm (0.473" X 63/64") (SUB FOR TH103520)

1шт.

6

4143524

Washer

1 MM (SUB FOR TH103235)

6шт.

7

4143525

Shim

(SUB FOR TH103236)

2шт.

8

TH103237

Plate

1шт.

9

19H2706

Cap Screw

5/8" X 2"

3шт.

10

12H294

Lock Washer

5/8"

3шт.

11

Plate

( TH103198 NLA)

2шт.

13

C606071

Pivot

(BUCKET EAR BLANK ASSEMBLY)

1шт.

14

307047

Plate

(RH/LH)

2шт.

15

AT131090

Dura-Max Cutting Edge

(CUT TO LENGTH)

1шт.

16

300483

Vertical Cutter

(UPPER RH)

1шт.

17

300484

Vertical Cutter

(UPPER LH)

1шт.

18

300482

Vertical Cutter

(LH) Insert

1шт.

19

300481

Vertical Cutter

(RH) Insert

1шт.

304567

Vertical Cutter

(RH) Insert

1шт.

20

600292

Moldboard

(48 INCH)

1шт.

600915

Moldboard

(54 INCH)

1шт.

600916

Moldboard

(60 INCH)

1шт.

21

Cutting Edge

(SUB AT131085)(LH)

1шт.

22

Cutting Edge

(SUB AT131085)(RH)

1шт.

23

09H1771

Bolt

7/8" X 3"

6шт.

24

12H245

Lock Washer

7/8"

6шт.

25

14H1077

Nut

7/8"

6шт.

27

300479

Bar

(INNER WEAR)

2шт.

28

Excavator Bucket

(A) (48 INCH/2.15 CUBIC YARD) (SUB AT332724 ( AT167293 NLA))

1шт.

Excavator Bucket

(A) (54 INCH/2.45 CUBIC YARD) ( AT167294 NLA) (SUB AT332725)

1шт.

Excavator Bucket

(A) (60 INCH/2.74 CUBIC YARD) ( AT167295 NLA) (SUB AT332726)

1шт.

29

Kit

( AT131085 NLA) (SIDE CUTTER KIT)

1шт.

30

Kit

( AT167876 NLA) (EDGE PROTECTOR)

1шт.

31

14H1044

Nut

7/8"

6шт.

Выбрано товаров: 34