Запчасти John Deere 30CLC 280 - SEVERE DUTY CAST LIP BUCKET (SEE FOOTNOTE) 3302 BUCKET WITH TEETH

Схема запчастей John Deere 30CLC - 280 - SEVERE DUTY CAST LIP BUCKET (SEE FOOTNOTE) 3302 BUCKET WITH TEETH
FIT
1:1
100%

Артикул

Название

Примечание

Количество

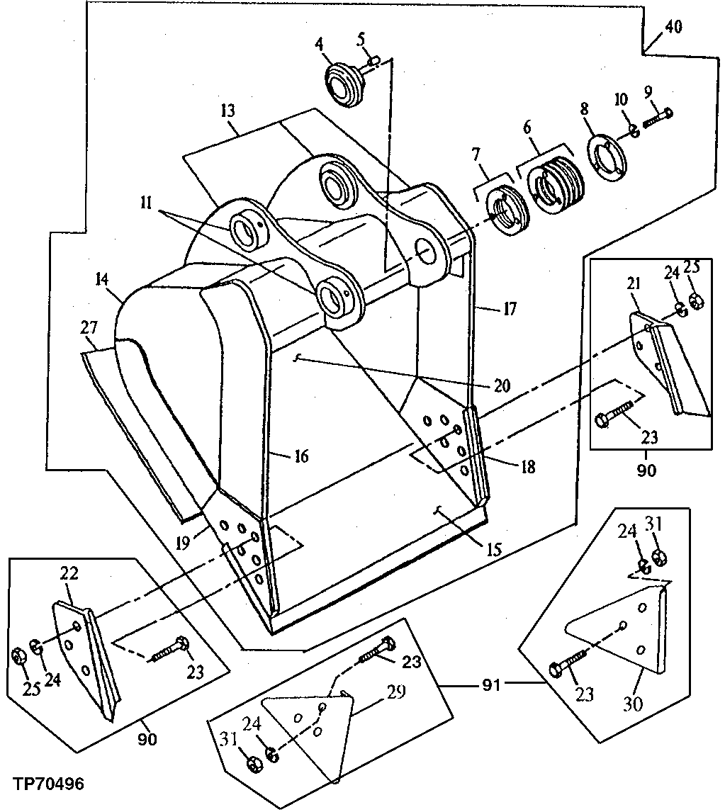
4

4143522

Bushing

(SUB FOR TH103234)

1шт.

5

4179110

Pin

(SUB FOR TH103520)

1шт.

6

4143524

Washer

1 MM (SUB FOR TH103235)

6шт.

7

4143525

Shim

(SUB FOR TH103236)

2шт.

8

TH103237

Plate

1шт.

9

19H2706

Cap Screw

5/8" X 2"

3шт.

10

12H294

Lock Washer

5/8"

3шт.

11

Plate

( TH103198 NLA)

2шт.

13

C606071

Pivot

(A) Bucket Ear Blank Assembly

1шт.

14

305189

Plate

(A) (RH/LH)

2шт.

15

Cutting Edge

(A) ( AT131094 NLA) (CT L) Use With 42 in. Bucket

1шт.

Cutting Edge

(A) ( AT131095 NLA) (CT L) Use With 48 in. Bucket

1шт.

16

300283

Vertical Cutter

(A) (UPPER RH)

1шт.

17

300284

Vertical Cutter

(A) (UPPER LH)

1шт.

18

305187

Vertical Cutter

(A) (LH)

1шт.

19

305186

Vertical Cutter

(A) (RH)

1шт.

20

600209

Moldboard

(A) (42 INCH)

1шт.

600210

Moldboard

(A) (48 INCH)

1шт.

21

Cutting Edge

(SUB AT131085)

1шт.

22

Cutting Edge

(SUB AT131085)

1шт.

23

09H1771

Bolt

7/8" X 3"

6шт.

24

12H245

Lock Washer

7/8"

6шт.

25

14H1077

Nut

7/8"

6шт.

27

605164

Bar

(A) (42 INCH) Wear

1шт.

605165

Bar

(A) (48 INCH) Wear

1шт.

29

Shroud

Wear (SUB AT167876)

1шт.

30

Shroud

Wear (SUB AT167876)

1шт.

31

14H1044

Nut

7/8"

6шт.

40

Excavator Bucket

(B) (42 INCH/1.75 CUBI C YARD) ( AT163667 NLA)

1шт.

Excavator Bucket

(B) (48 INCH/2.03 CUBI C YARD) ( AT163668 NLA)

1шт.

90

Kit

( AT131085 NLA) Side Cutter Kit

1шт.

91

Kit

( AT167876 NLA) Edge Protector

1шт.

Выбрано товаров: 32