Запчасти John Deere 30CLC 322 - Replacement Return Lines (Control Valve To Oil Cooler) 3360 HYDRAULIC SYSTEM

Схема запчастей John Deere 30CLC - 322 - Replacement Return Lines (Control Valve To Oil Cooler) 3360 HYDRAULIC SYSTEM
FIT
1:1
100%

Артикул

Название

Примечание

Количество

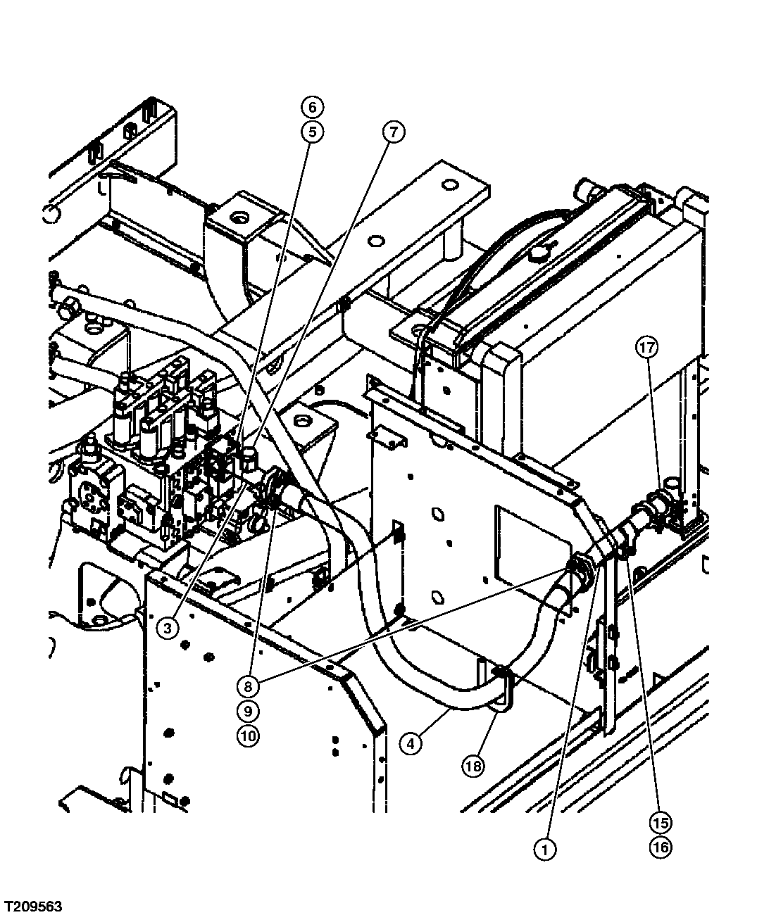
1

8099499

Line

To Oil Cooler

1шт.

3

8100493

Line

Into Control Valve

1шт.

4

Hose

SUB 4636525 AND XHG-075, 9250317 NLA

1шт.

4A

4636525

Hose

Intermediate

1шт.

4B

Hose Guard

MAKE FROM XHG-075, CUT TO LENGTH 4327294 NLA

1шт.

5

A811050

O-Ring

1шт.

6

19M9044

Screw

M12 X 80 SUB FOR J781280

4шт.

7

A885008

Pipe Plug

SUB FOR THA885008

1шт.

8

965946

Flange

SUB FOR Z965946

4шт.

9

19M8704

Screw

M12 X 35 SUB FOR J781235

8шт.

10

T34248

O-Ring

47.219 X 3.531 mm (1-55/64 " X 0.139") SUB FOR 4510169

2шт.

15

4053697

Clamp

1шт.

16

Bolt

SUB 19M7753 AND 24M7345, J271270 NLA

1шт.

19M7753

Cap Screw

M12 X 70

1шт.

24M7345

Washer

13.500 X 24 X 2.500 mm

1шт.

17

4067834

Coupling

Into Oil Cooler

1шт.

18

4632184

Isolator

Rubber Loop

1шт.

Выбрано товаров: 17